GM Service Manual Online
For 1990-2009 cars only
Figure 1:

Starting System - 2.8L/3.6L (LP1/LY7)


Object Number: 1470674  Size: FS
Master Electrical Component List
Starting System Description and Operation
Control Module References
Starting System - 6.0L (LS2)
G102, G105, G110, G202, G204, and G306
Underhood Fuse Block B+ Bus - 1 of 2
G102, G105, G110, G202, G204, and G306
G102, G105, G110, G202, G204, and G306
Underhood Fuse Block - STARTER Relay, IGN 1 Relay, HTR VLV/CLUTCH, and TCM/IPC Fuses
Underhood Fuse Block - STARTER Relay, IGN 1 Relay, HTR VLV/CLUTCH, and TCM/IPC Fuses
G104 - 1 of 2
Ignition Switch - 1 of 2
G104 - 1 of 2
Figure 2:

Starting System - 6.0L (LS2)


Object Number: 1582700  Size: FS
Master Electrical Component List
Starting System Description and Operation
Control Module References
Charging System - 2.8L/3.6L (LP1/LY7)
Starting System - 2.8L/3.6L (LP1/LY7)
G102, G105, G110, G202, G204, and G306
G102, G105, G110, G202, G204, and G306
G102, G105, G110, G202, G204, and G306
Underhood Fuse Block B+ Bus - 1 of 2
Underhood Fuse Block - STARTER Relay, IGN 1 Relay, HTR VLV/CLUTCH, and TCM/IPC Fuses
Underhood Fuse Block - STARTER Relay, IGN 1 Relay, HTR VLV/CLUTCH, and TCM/IPC Fuses
Ignition Switch - 1 of 2
G104 - 1 of 2
G104 - 1 of 2
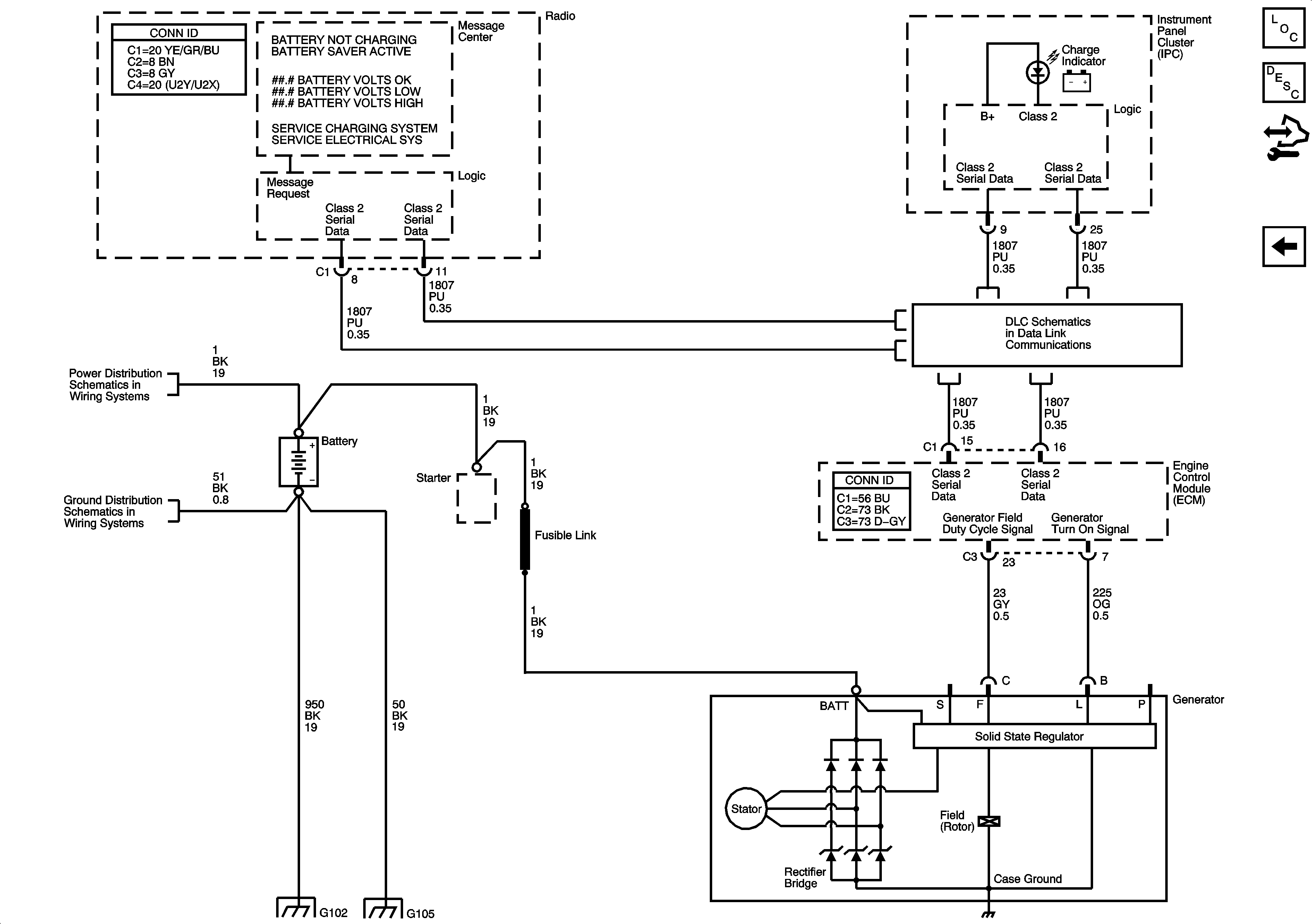
Figure 3:

Charging System - 2.8L/3.6L (LP1/LY7)


Object Number: 1470680  Size: FS
Master Electrical Component List
Charging System Description and Operation
Control Module References
Charging System - 6.0L (LS2)
Starting System - 6.0L (LS2)
Underhood Fuse Block B+ Bus - 1 of 2
G102, G105, G110, G202, G204, and G306
G102, G105, G110, G202, G204, and G306
G102, G105, G110, G202, G204, and G306
Class 2 Serial Data Bus (LHD) - 1 of 2
Figure 4:

Charging System - 6.0L (LS2)


Object Number: 1614381  Size: FS
Master Electrical Component List
Charging System Description and Operation
Control Module References
Charging System - 2.8L/3.6L (LP1/LY7)
Underhood Fuse Block B+ Bus - 1 of 2
G102, G105, G110, G202, G204, and G306
G102, G105, G110, G202, G204, and G306
G102, G105, G110, G202, G204, and G306
Class 2 Serial Data Bus (LHD) - 1 of 2