GM Service Manual Online
For 1990-2009 cars only
Figure 1:

Blower Motor Controls


Object Number: 1700179  Size: FS
Master Electrical Component List
Air Delivery Description and Operation
Control Module References
A/C Compressor Controls - 2.8L/3.6L (LP1/LY7)
Underhood Fuse Block B+ Bus - 1 of 2
Left Rear Fuse Block - IGN 3 Relay, L FRT HTD SEAT MOD, MEM/ADAPT SEAT, CCP, HDLP LEVELING, and IGN 3 Fuses
Left Rear Fuse Block - IGN 3 Relay, L FRT HTD SEAT MOD, MEM/ADAPT SEAT, CCP, HDLP LEVELING, and IGN 3 Fuses
Left Rear Fuse Block - IGN 3 Relay, L FRT HTD SEAT MOD, MEM/ADAPT SEAT, CCP, HDLP LEVELING, and IGN 3 Fuses
G201
G402 - 2 of 2
Figure 2:

A/C Compressor Controls 2.8L/3.6L (LP1/LY7)


Object Number: 1470557  Size: FS
Master Electrical Component List
Air Delivery Description and Operation
Control Module References
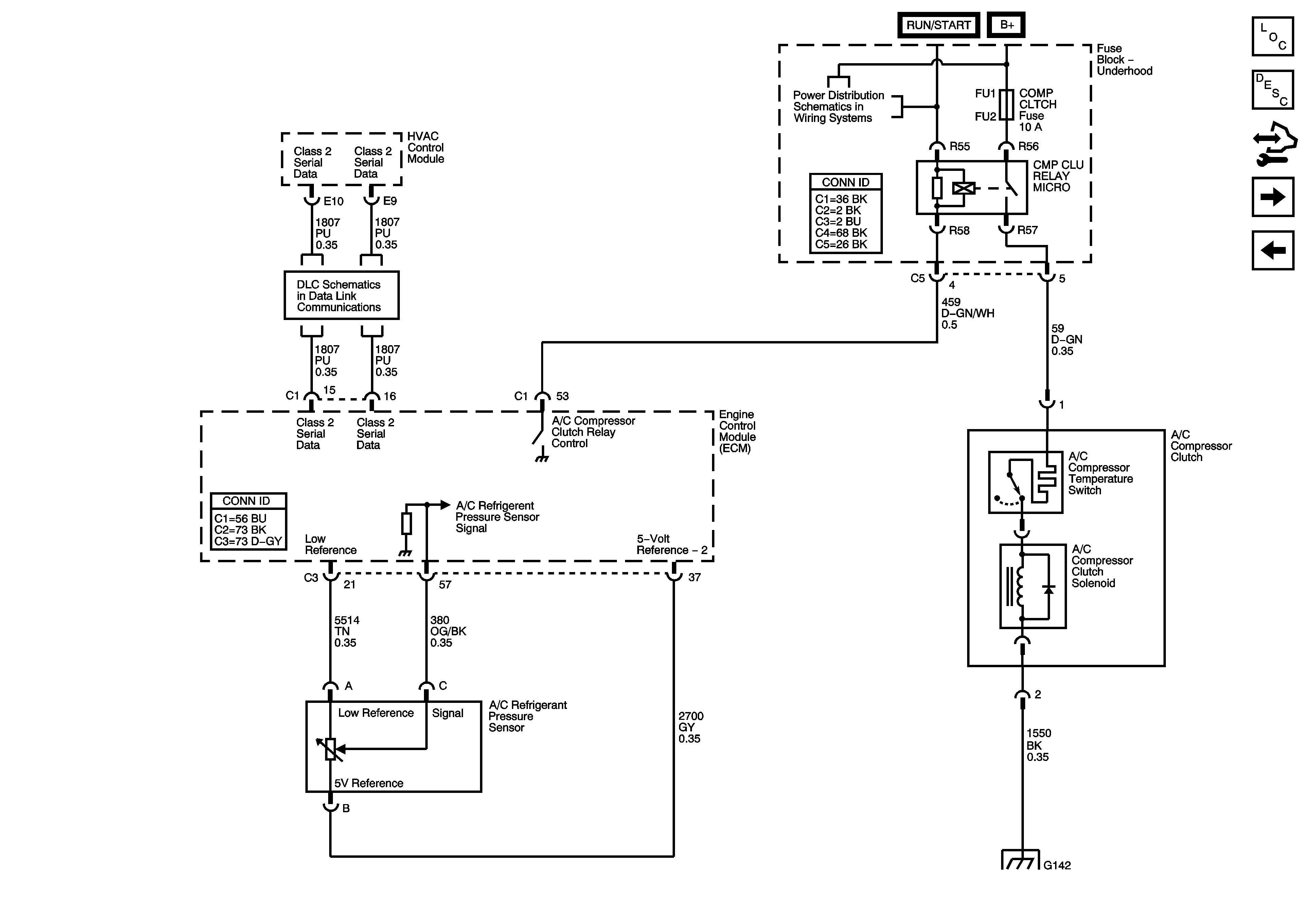
A/C Compressor Controls - 6.0L (LS2)
Blower Motor Controls
Class 2 Serial Data Bus (LHD) - 2 of 2
Underhood Fuse Block B+ Bus - 1 of 2
Engine Data Sensors - Low Reference Bus
Engine Data Sensors - 5-Volt Reference Bus
G130, G131, G132, and G133 (LP1/LY7)
Figure 3:

A/C Compressor Controls 6.0L (LS2)


Object Number: 1614351  Size: FS
Master Electrical Component List
Air Delivery Description and Operation
Control Module References
Air Delivery/Temperature Control Actuators (LHD)
A/C Compressor Controls - 2.8L/3.6L (LP1/LY7)
Class 2 Serial Data Bus (LHD) - 2 of 2
Underhood Fuse Block B+ Bus - 1 of 2
G140, G141, and G142 (LS2)
Figure 4:

Air Delivery/Temperature Control Actuators (LHD)


Object Number: 1470625  Size: FS
Master Electrical Component List
Air Delivery Description and Operation
Control Module References
Air Delivery/Temperature Control Actuators (RHD)
A/C Compressor Controls - 6.0L (LS2)
Left Rear Fuse Block - IGN 3 Relay, L FRT HTD SEAT MOD, MEM/ADAPT SEAT, CCP, HDLP LEVELING, and IGN 3 Fuses
Underhood Fuse Block - DIM/ALDL, VOLT CHECK, FLASHER, CCP, ECM/TCM, and ABS Fuses
Ambient Air Temperature Sensor, Sunload Sensor, Coolant Level Switch, and DIC
G201
Figure 5:

Air Delivery/Temperature Control Actuators (RHD)


Object Number: 1470633  Size: FS
Master Electrical Component List
Air Delivery Description and Operation
Control Module References
Ambient Air Temperature Sensor, Sunload Sensor, Coolant Level Switch, and DIC
Air Delivery/Temperature Control Actuators (LHD)
Left Rear Fuse Block - IGN 3 Relay, L FRT HTD SEAT MOD, MEM/ADAPT SEAT, CCP, HDLP LEVELING, and IGN 3 Fuses
Underhood Fuse Block - DIM/ALDL, VOLT CHECK, FLASHER, CCP, ECM/TCM, and ABS Fuses
Air Delivery/Temperature Control Actuators (LHD)
G201
Figure 6:

Ambient Air Temperature Sensor, Sunload Sensor, Coolant Level Switch, and DIC


Object Number: 1470637  Size: FS
Master Electrical Component List
Air Delivery Description and Operation
Control Module References
Air Delivery/Temperature Control Actuators (RHD)
Class 2 Serial Data Bus (LHD) - 2 of 2
G101
Coolant Level Switch, Indicator, Gage, and DIC
Air Delivery/Temperature Control Actuators (LHD)