GM Service Manual Online
For 1990-2009 cars only
Makes
🢒
Cadillac
🢒
2006
🢒
CTS
🢒 Driver Information Center (DIC) System 6.0L (LS2)
Driver Information Center (DIC) System 6.0L (LS2)
Driver Information Center (DIC) System - 6.0L (LS2)
Master Electrical Component List
Driver Information Center (DIC) Description and Operation (CTS and CTS-V)
Control Module References
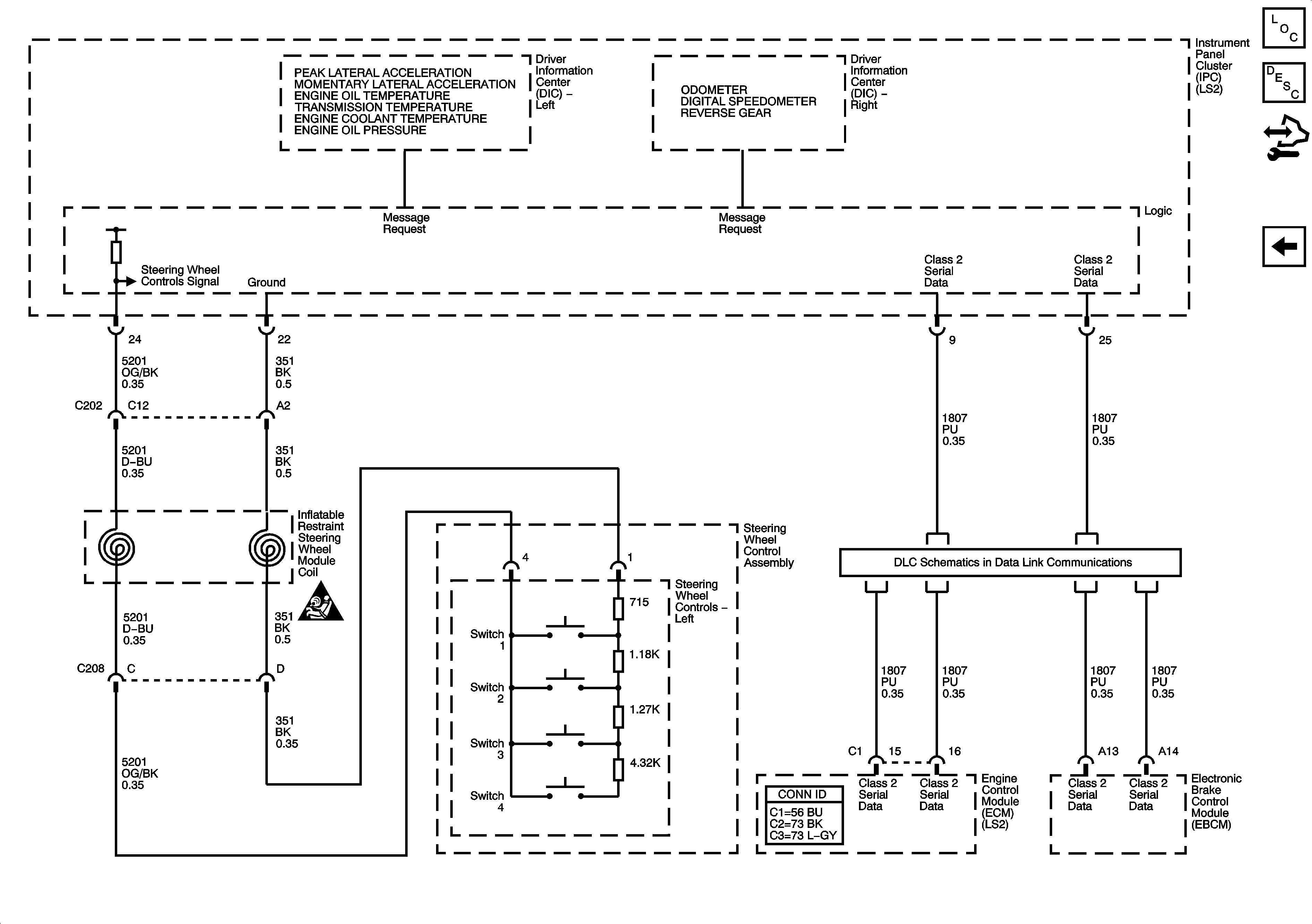
Driver Information Center (DIC) System
SIR Schematic Icons
Class 2 Serial Data Bus (LHD) - 1 of 2