GM Service Manual Online
For 1990-2009 cars only
Figure 1:

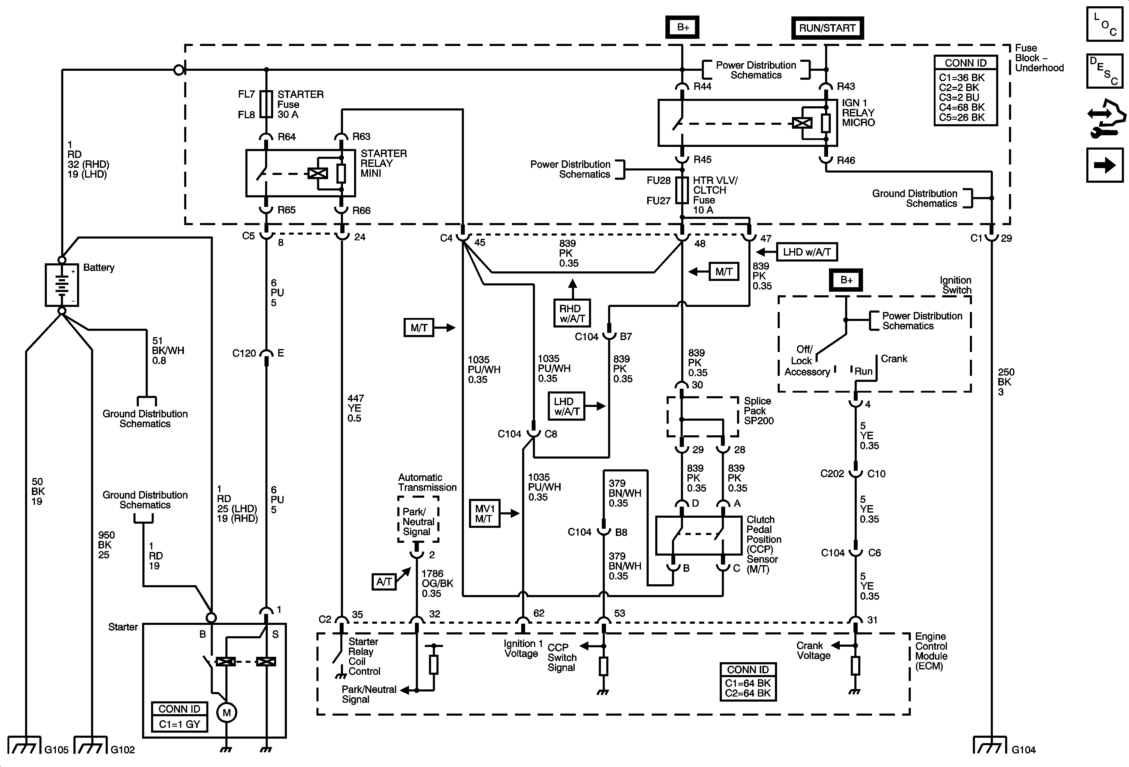
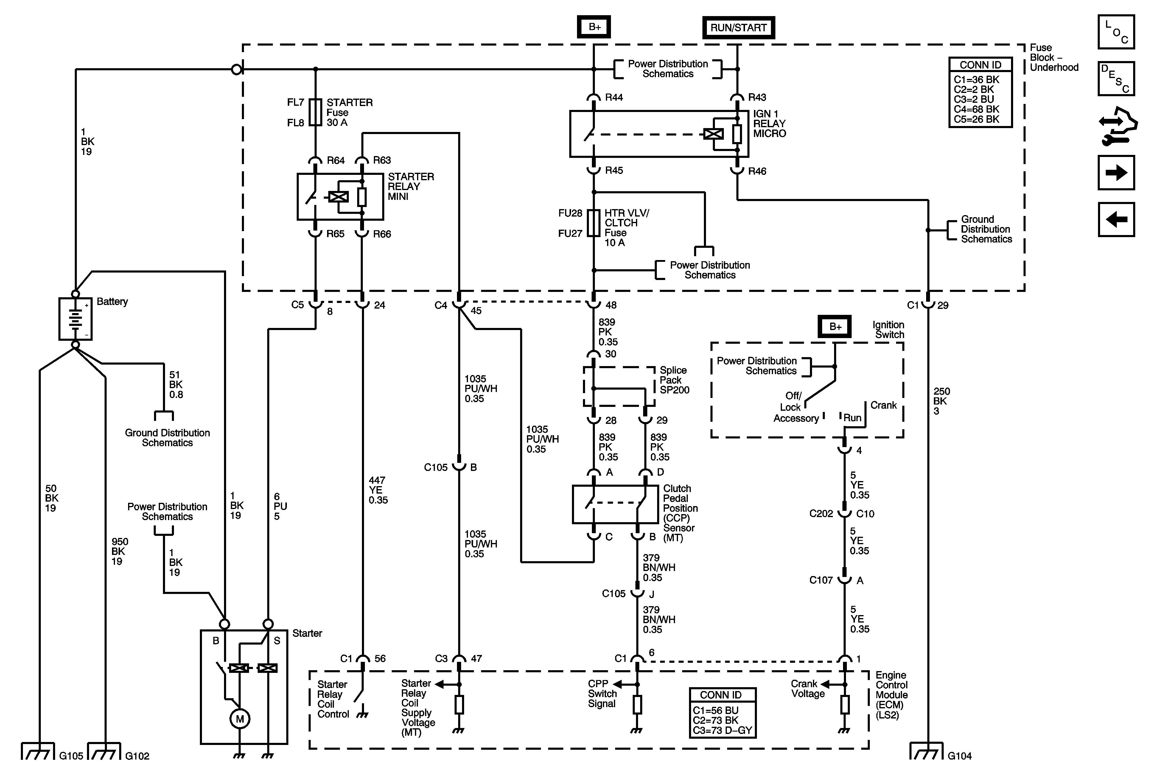
Starting System - 2.8L/3.6L (LP1/LY7)


Object Number: 1787391  Size: FS
Master Electrical Component List
Starting System Description and Operation
Control Module References
Starting System - 6.0L (LS2)
Underhood Fuse Block Starter Relay, IGN 1 Relay, HTR VLV/Clutch and TCM/IPC Fuses
G104 1 of 2
Ignition Switch 1 of 2
G102, G105, G110, G303, G304, and G306
Underhood Fuse Block B+ 1 of 2
G102, G105, G110, G303, G304, and G306
G102, G105, G110, G303, G304, and G306
G104 1 of 2
Figure 2:

Starting System - 6.0L (LS2)


Object Number: 1787393  Size: FS
Master Electrical Component List
Starting System Description and Operation
Control Module References
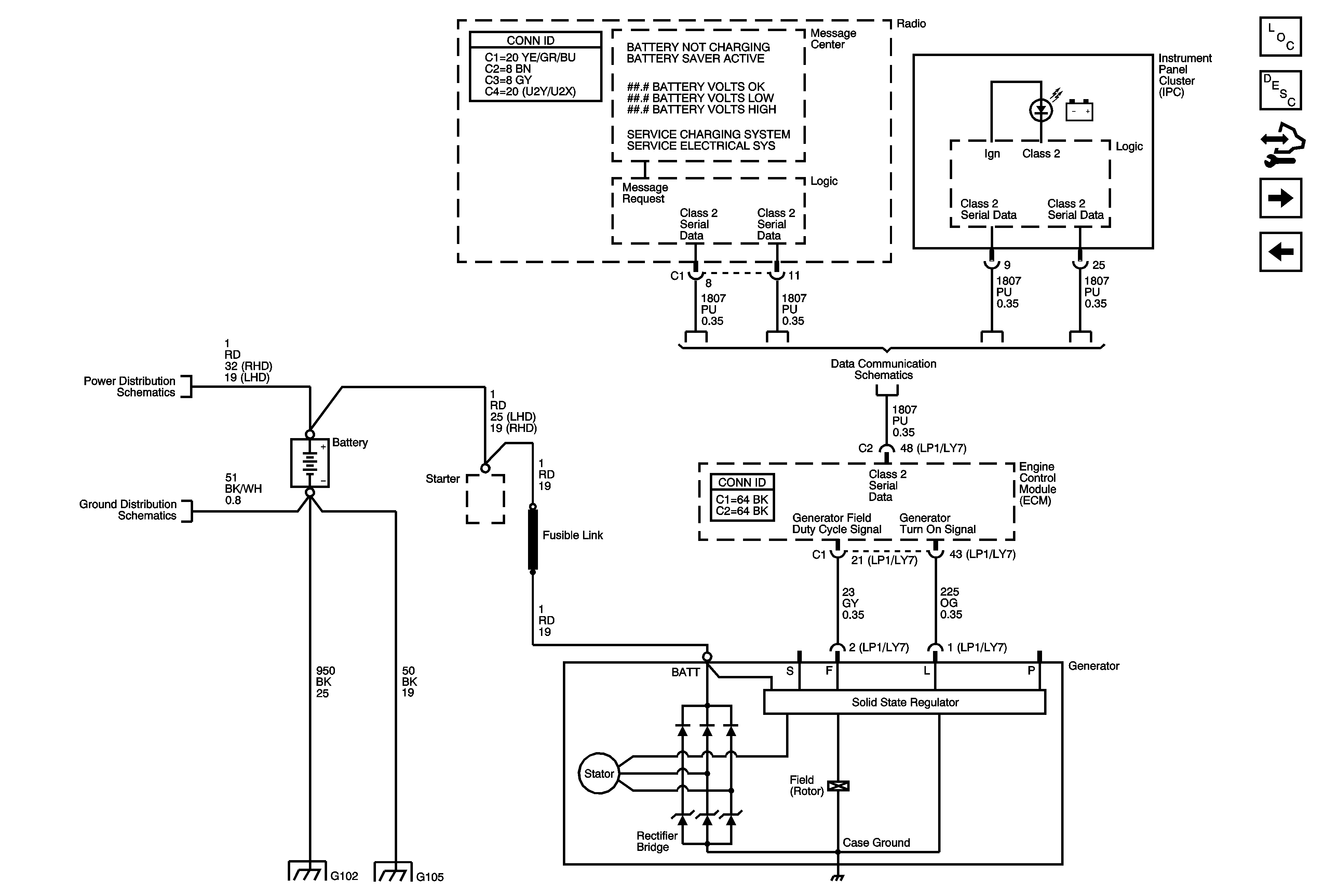
Charging System - 2.8L/3.6L (LP1/LY7)
Starting System - 2.8L/3.6L (LP1/LY7)
Underhood Fuse Block Starter Relay, IGN 1 Relay, HTR VLV/Clutch and TCM/IPC Fuses
Underhood Fuse Block Starter Relay, IGN 1 Relay, HTR VLV/Clutch and TCM/IPC Fuses
G104 1 of 2
G102, G105, G110, G303, G304, and G306
Underhood Fuse Block B+ 1 of 2
G102, G105, G110, G303, G304, and G306
G102, G105, G110, G303, G304, and G306
G104 1 of 2
Figure 3:

Charging System - 2.8L/3.6L (LP1/LY7)


Object Number: 1787397  Size: FS
Master Electrical Component List
Starting System Description and Operation
Control Module References
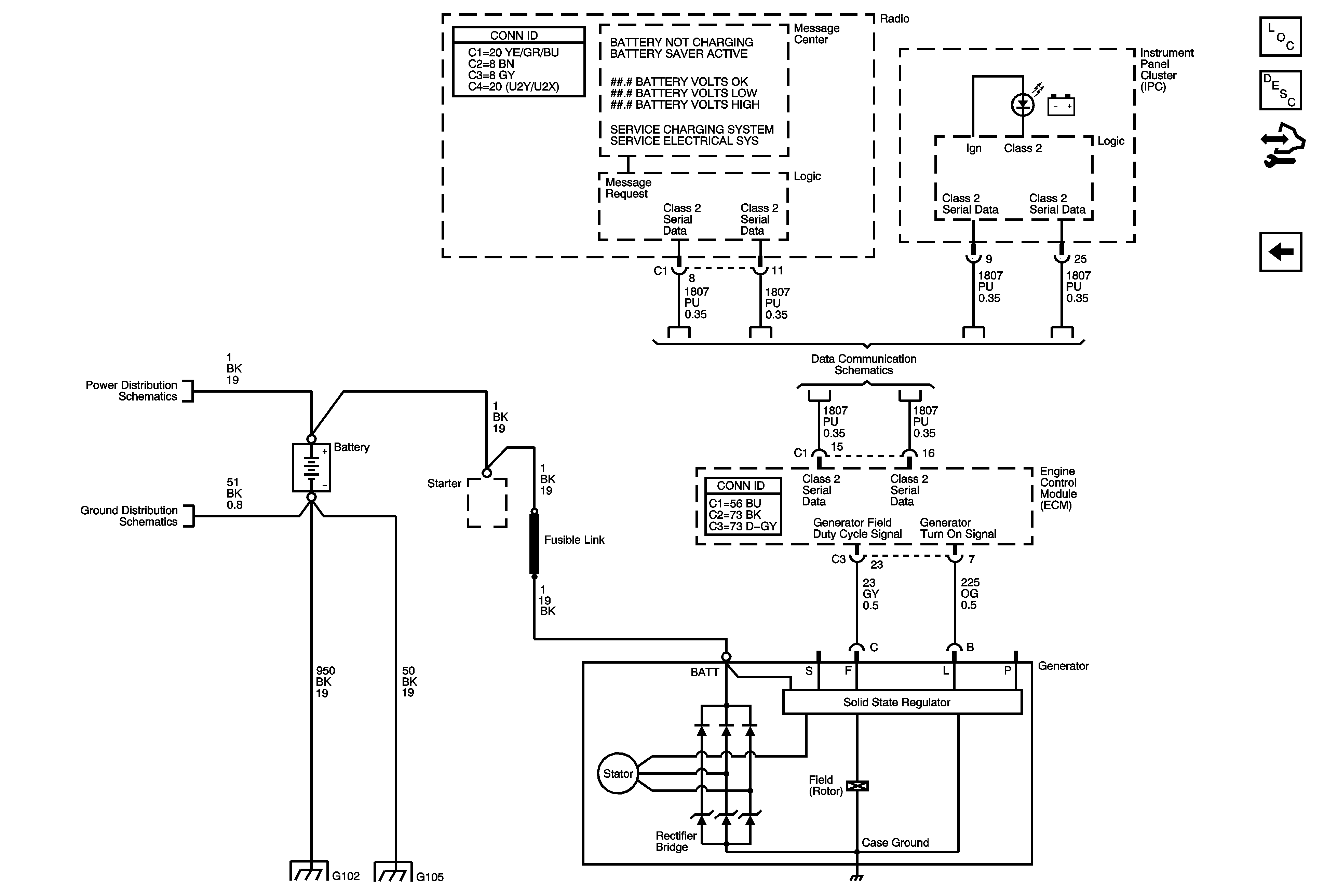
Charging System - 6.0L (LS2)
Starting System - 6.0L (LS2)
Underhood Fuse Block B+ 1 of 2
Class 2 Serial Data Bus - LHD (1 of 2)
G102, G105, G110, G303, G304, and G306
G102, G105, G110, G303, G304, and G306
G102, G105, G110, G303, G304, and G306
Figure 4:

Charging System - 6.0L (LS2)


Object Number: 1787399  Size: FS
Master Electrical Component List
Starting System Description and Operation
Control Module References
Charging System - 2.8L/3.6L (LP1/LY7)
Underhood Fuse Block B+ 1 of 2
Class 2 Serial Data Bus - LHD (1 of 2)
G102, G105, G110, G303, G304, and G306
G102, G105, G110, G303, G304, and G306
G102, G105, G110, G303, G304, and G306