GM Service Manual Online
For 1990-2009 cars only
Makes
🢒
Cadillac
🢒
2007
🢒
CTS
🢒
Diagnostic Navigation
🢒
Vehicle Diagnostic Information
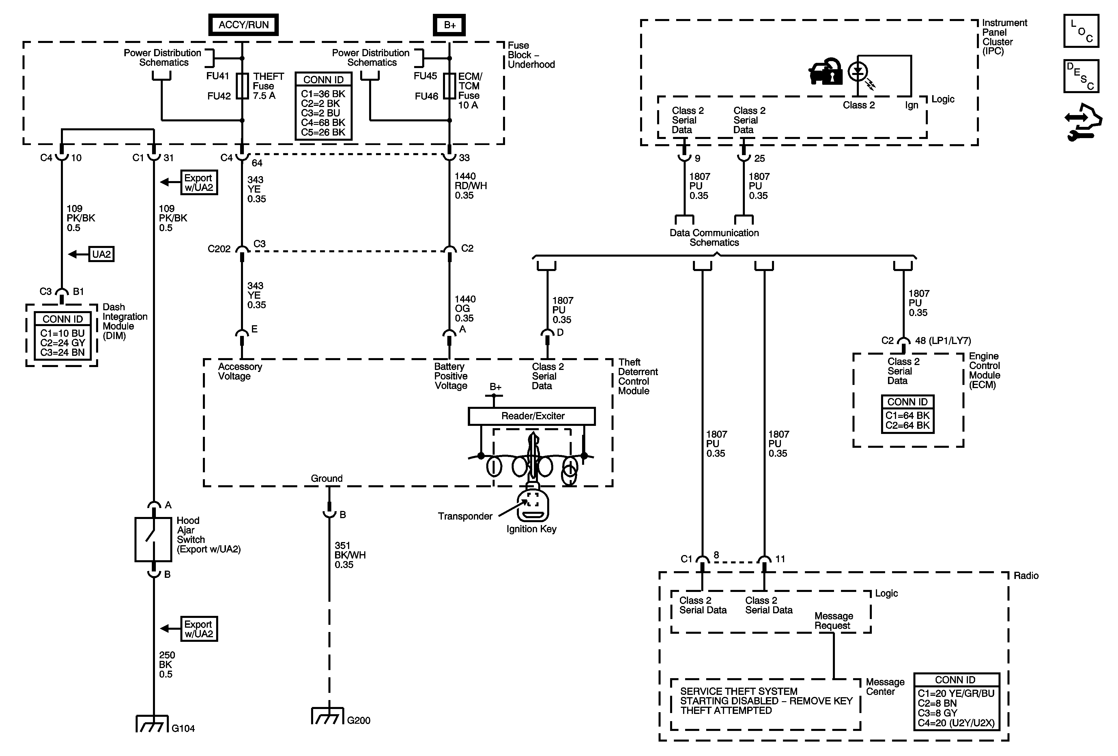
🢒 Immobilizer Schematics
Immobilizer, Ground, Serial Data, and Indicator
Master Electrical Component List
Immobilizer Description and Operation
Control Module References
Ignition Switch 2 of 2
Underhood Fuse Block DIM/ALDL, Volt Check, Flasher, CCP, ECM/TCM, and ABS Fuses
G200
Class 2 (1 of 2) Serial Data Bus - RHD