GM Service Manual Online
For 1990-2009 cars only
Makes
🢒
Cadillac
🢒
2007
🢒
CTS
🢒
Body Systems
🢒
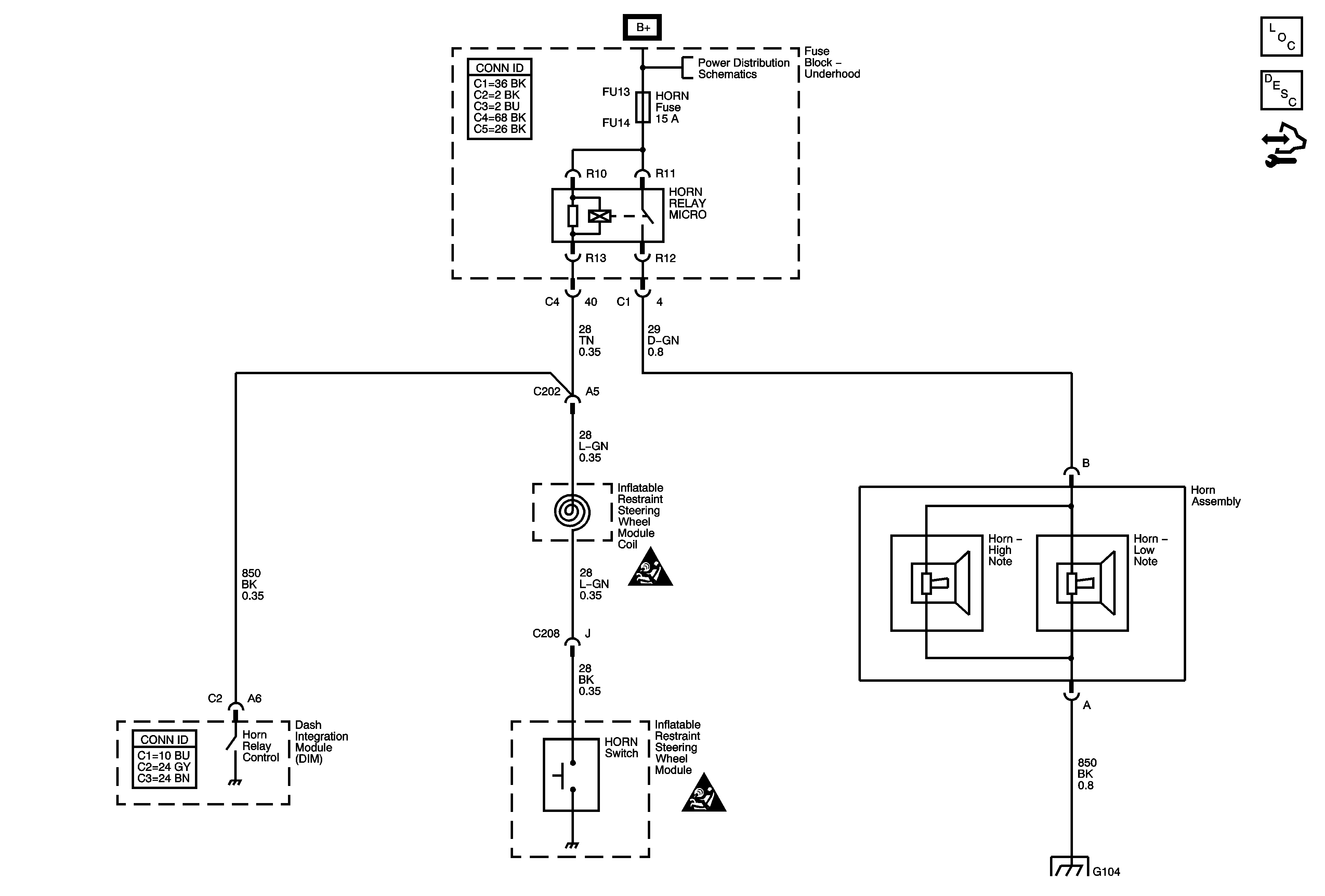
Horns
🢒 Horn Schematics
Master Electrical Component List
Horns System Description and Operation
Control Module References
Underhood Fuse Block B+ 1 of 2
Horn Schematic Icons
Horn Schematic Icons
G104 1 of 2