GM Service Manual Online
For 1990-2009 cars only
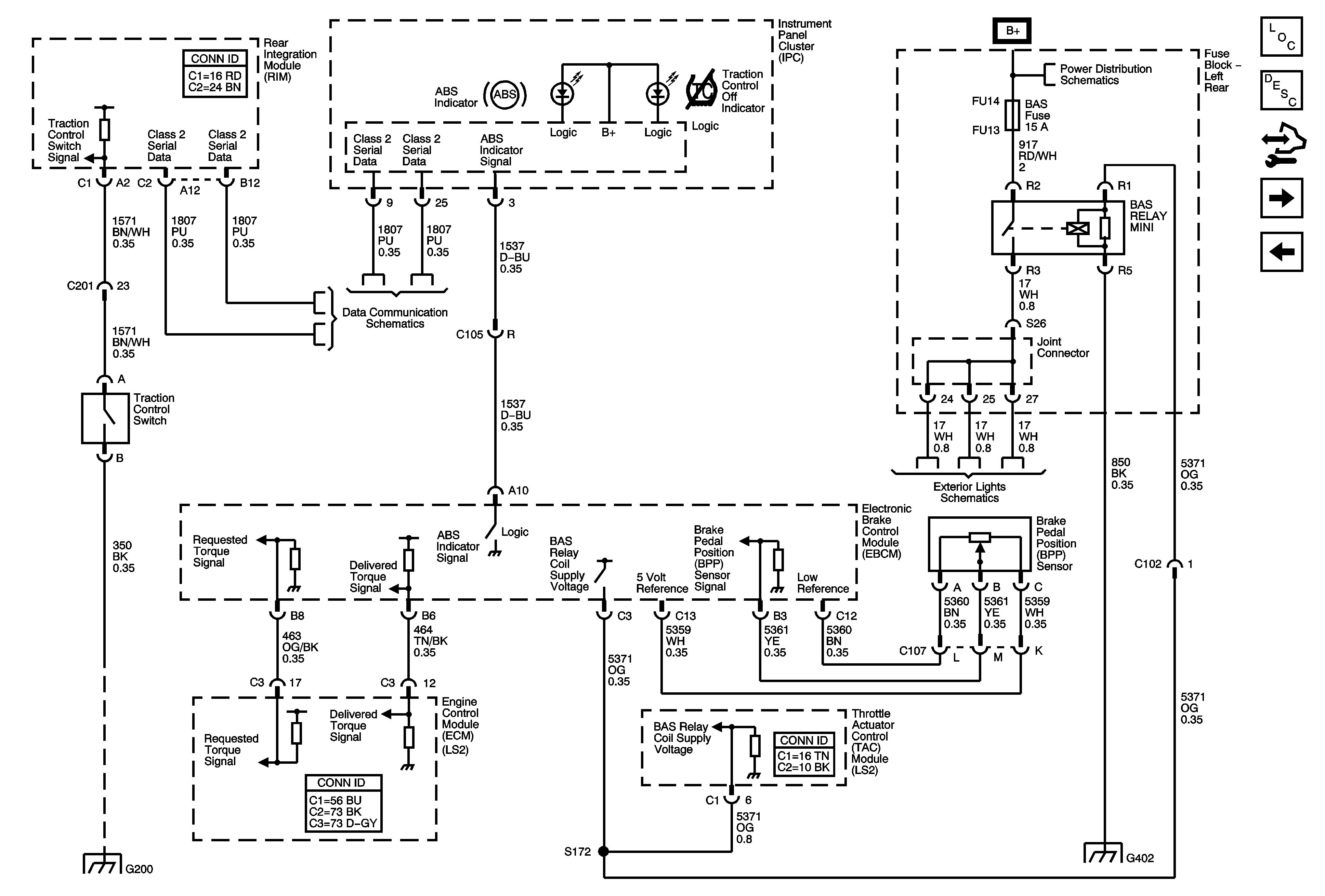
Figure 1:

Power, Ground, Serial Data, and DIC


Object Number: 1785006  Size: FS
Master Electrical Component List
ABS Description and Operation
Control Module References
Vehicle Stability Enhancement System (JL4) (JSB for LS2)
Right Rear Fuse Block IGN 1 Relay, Airbag, RIM, ABS, PSGR DR MOD, and TV/VICS Fuses
Right Rear Fuse Block B+ Bus
Underhood Fuse Block DIM/ALDL, Volt Check, Flasher, CCP, ECM/TCM, and ABS Fuses
G401
Right Rear Fuse Block B+ Bus
G401
Class 2 Serial Data Bus - LHD (1 of 2)
G102, G105, G110, G303, G304, and G306
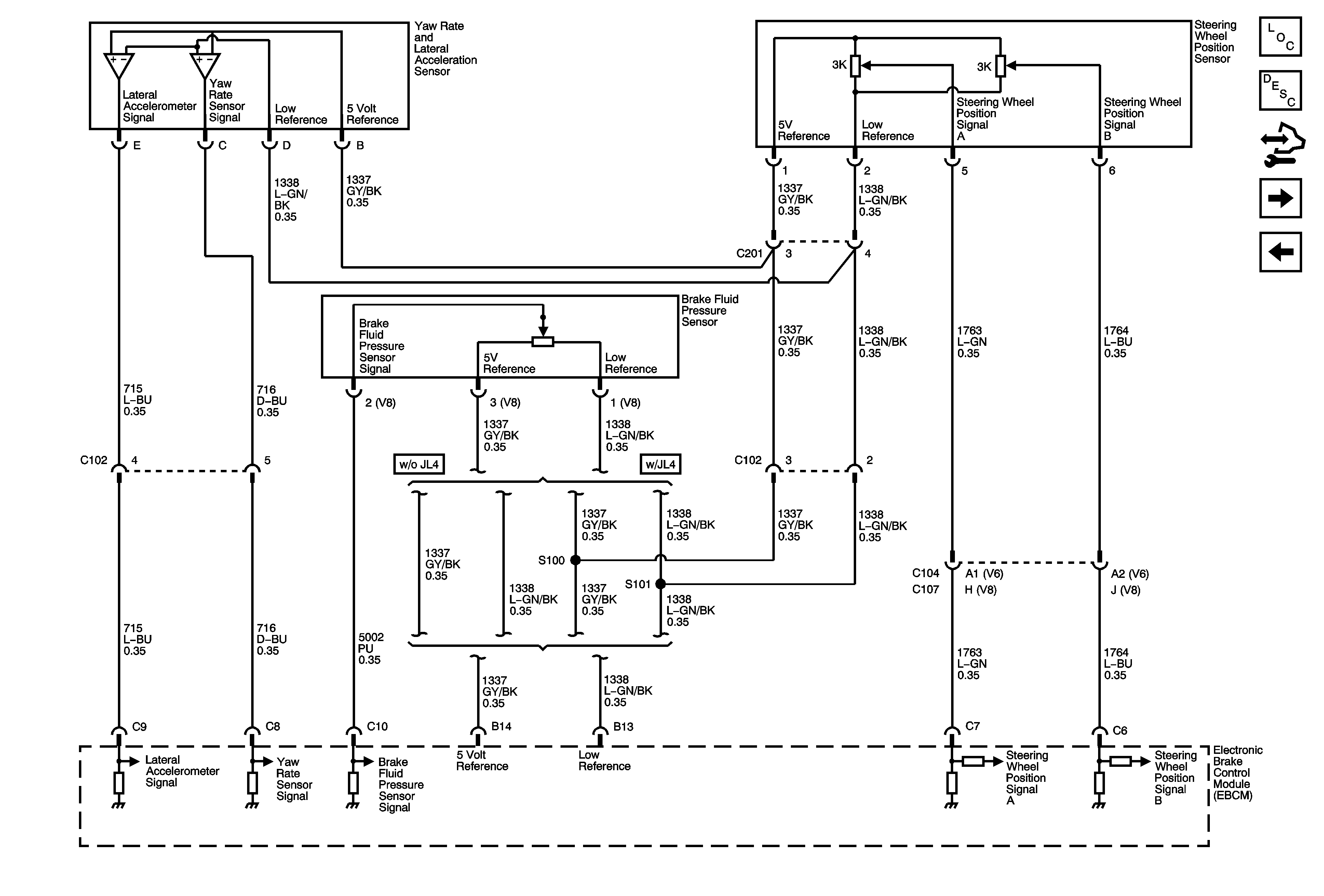
Figure 2:

Vehicle Stability Enhancement System (JL4) (J56 for LS2)


Object Number: 1785009  Size: FS
Master Electrical Component List
ABS Description and Operation
Control Module References
BPP Sensor, Switches and Indicators - 2.8L/3.6L (LP1/LY7)
Power, Ground, Serial Data and DIC
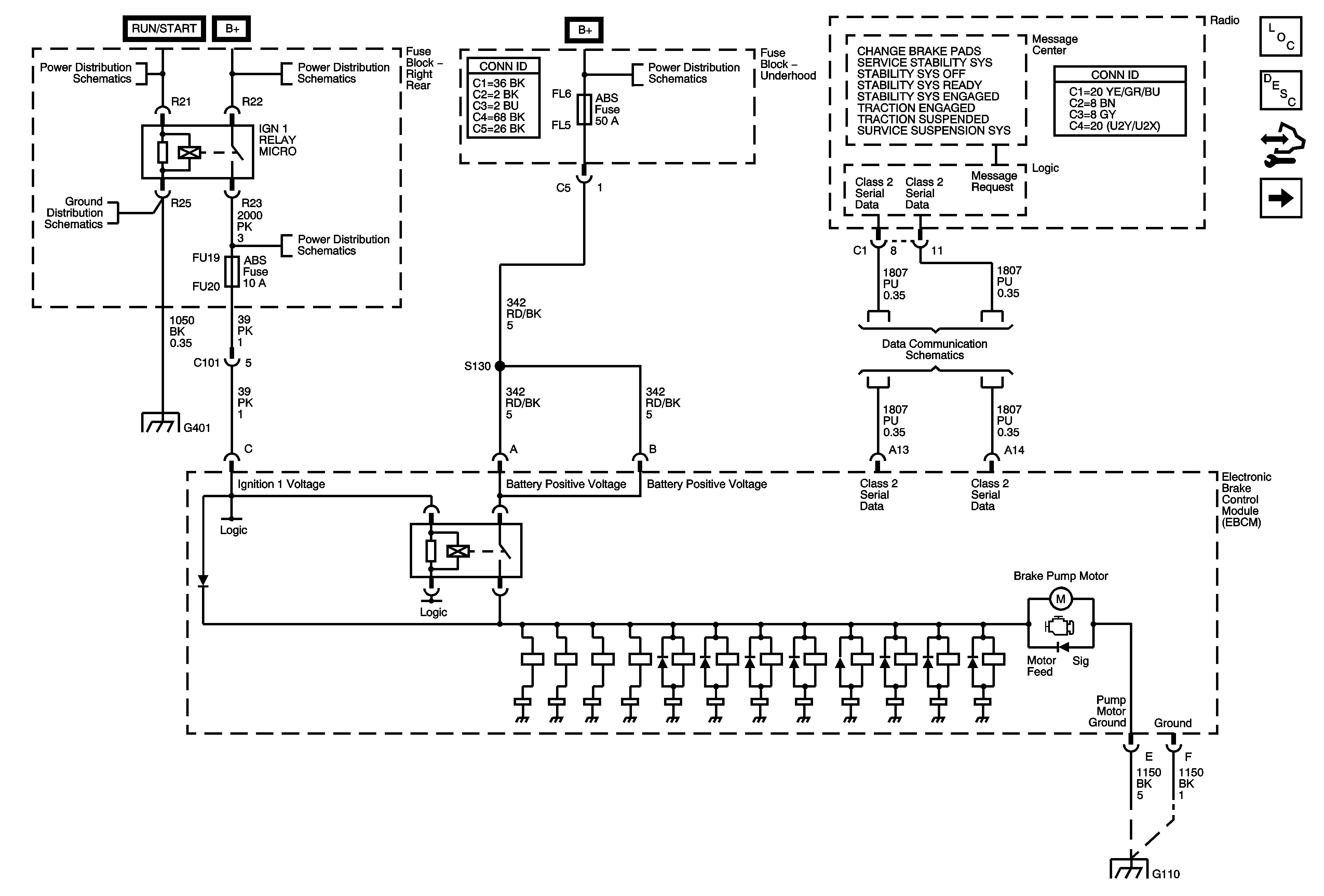
Figure 3:

BPP Sensor, Switches, and Indicators - 2.8L/3.6L (LP1/LY7)


Object Number: 1785020  Size: FS
Master Electrical Component List
ABS Description and Operation
Control Module References
BPP Sensor Switches and Indicators - 6.0L (LS2)
Vehicle Stability Enhancement System (JL4) (JSB for LS2)
Class 2 Serial Data Bus - LHD (1 of 2)
Left Rear Fuse Block B+ Bus
Class 2 Serial Data Bus - LHD (1 of 2)
Manual Transmission - Aisin AY6 (M35) Schematics
G201
G200
G402 (2 of 2)
Stop Lamps, BPP Sensor and BAS Fuse/Relay (Domestic and Export)
A/T Sensors, Solenoids, DIC and Electronic PRNDL
Figure 4:

BPP Sensor, Switches, and Indicators - 6.0L (LS2)


Object Number: 1785025  Size: FS
Master Electrical Component List
ABS Description and Operation
Control Module References
Wheel Speed Sensors and Variable Effort Steering Actuator
BPP Sensor, Switches and Indicators - 2.8L/3.6L (LP1/LY7)
Left Rear Fuse Block B+ Bus
Class 2 Serial Data Bus - LHD (1 of 2)
Stop Lamps, BPP Sensor and BAS Fuse/Relay (Domestic and Export)
G200
G402 (2 of 2)
Figure 5:

Wheel Speed Sensors and Variable Effort Steering Actuator


Object Number: 1785029  Size: FS
Master Electrical Component List
ABS Description and Operation
Control Module References
BPP Sensor Switches and Indicators - 6.0L (LS2)
Antilock Brake System Schematic Icons
Antilock Brake System Schematic Icons
Antilock Brake System Schematic Icons
Antilock Brake System Schematic Icons