GM Service Manual Online
For 1990-2009 cars only
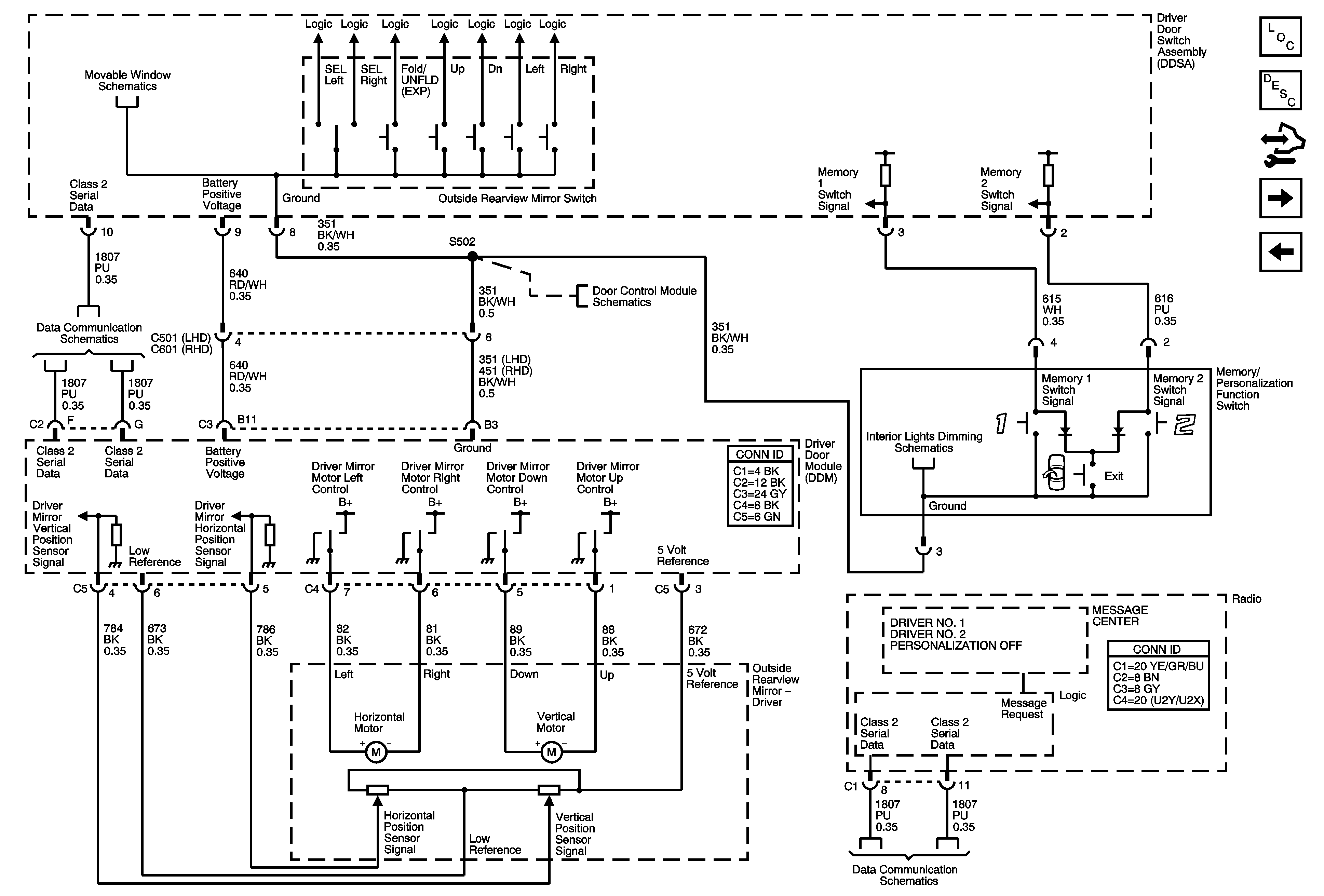
Figure 1:

Outside Rearview Mirrors, Driver Door Switch Assembly (DDSA), and Front Door Modules


Object Number: 1787960  Size: FS
Master Electrical Component List
Outside Mirror Description and Operation
Control Module References
Driver Outside Mirror (A45)
Class 2 Serial Data Bus - LHD (2 of 2)
Front Power Window Switches and Motor
Driver Door Module (DDM) Power, Ground and Serial Data
Figure 2:

Driver Outside Mirror (A45)


Object Number: 1788041  Size: FS
Master Electrical Component List
Outside Mirror Description and Operation
Control Module References
Passenger Outside Rearview Mirror (A45)
Outsice Rearview Mirrors, Driver Door Switch Assembly (DDSA) and Front Door Modules
Front Power Window Switches and Motor
Class 2 Serial Data Bus - LHD (1 of 2)
Power, Ground and Serial Data 2 of 2
Power, Ground and Serial Data 2 of 2
Class 2 Serial Data Bus - LHD (2 of 2)
Figure 3:

Passenger Outside Rearview Mirror (A45)


Object Number: 1788042  Size: FS
Master Electrical Component List
Outside Mirror Description and Operation
Control Module References
Heated Mirrors - Outside Rearview
Driver Outside Mirror (A45)
Front Power Window Switches and Motor
Driver Door Module (DDM) Power, Ground and Serial Data
Class 2 Serial Data Bus - LHD (1 of 2)
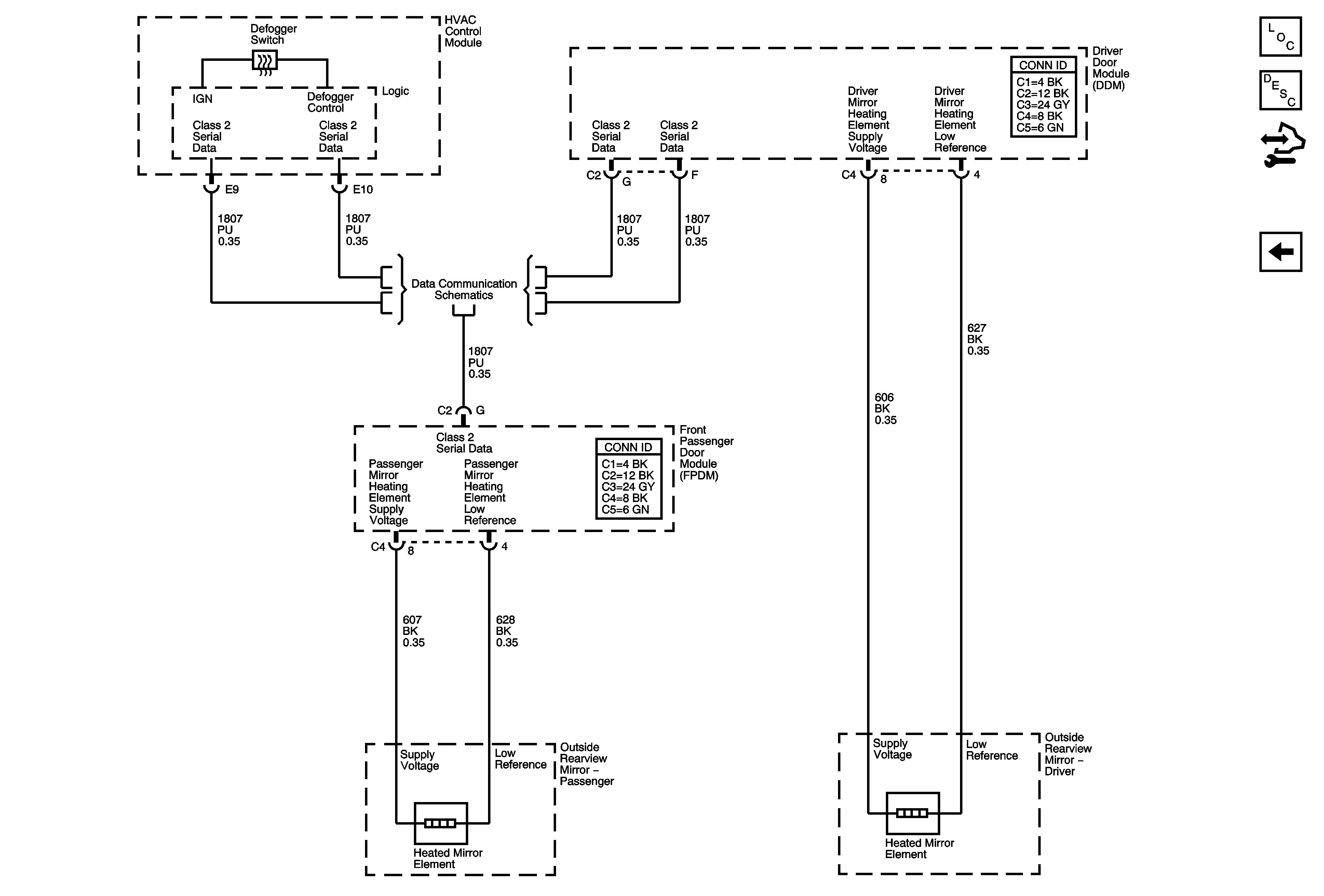
Figure 4:

Heated Mirrors - Outside Rearview


Object Number: 1788046  Size: FS
Master Electrical Component List
Outside Mirror Description and Operation
Control Module References
Passenger Outside Rearview Mirror (A45)
Class 2 (2 of 2 - RHD)