GM Service Manual Online
For 1990-2009 cars only
Figure 1:

Driver Door Module (DDM) Power, Ground, and Serial Data


Object Number: 1788055  Size: FS
Master Electrical Component List
Power Door Locks Description and Operation
Control Module References
DDM Controlled, Monitored Subsystem References (1 of 2)
Underhood Fuse Block B+ BUS 2 of 2
Right Rear Fuse Block B+ Bus
Right Rear Fuse Block, DR MOD PWR Circuit Breaker Canister Vent, RIM/IGN SW., FRT HTD Seat MOD, and PWR Sander Fuses
Class 2 Serial Data Bus - LHD (2 of 2)
G200
Figure 2:

DDM Controlled/Monitored Subsystem References 1 of 2


Object Number: 1788056  Size: FS
Master Electrical Component List
Power Door Locks Description and Operation
Control Module References
DDM Controlled, Monitored Subsystem References (2 of 2)
Driver Door Module (DDM) Power, Ground and Serial Data
Driver Outside Mirror (A45)
Front Power Window Switches and Motor
Power, Ground and Serial Data 2 of 2
Figure 3:

DDM Controlled/Monitored Subsystem References 2 of 2


Object Number: 1788058  Size: FS
Master Electrical Component List
Power Door Locks Description and Operation
Control Module References
Front Passenger Door Module (FPDM) Power, Ground and Serial Data
DDM Controlled, Monitored Subsystem References (1 of 2)
Driver Door Module (DDM), Driver Door Switch Assembly (DDSA), Door Lock Switch and Latch Assembly
Figure 4:

Front Passenger Door Module (FPDM) Power, Ground, and Serial Data


Object Number: 1788059  Size: FS
Master Electrical Component List
Power Door Locks Description and Operation
Control Module References
FPDM Controlled/Monitored Subsystem References (1 of 2)
DDM Controlled, Monitored Subsystem References (2 of 2)
Right Rear Fuse Block B+ Bus
Right Rear Fuse Block, DR MOD PWR Circuit Breaker Canister Vent, RIM/IGN SW., FRT HTD Seat MOD, and PWR Sander Fuses
Class 2 Serial Data Bus - LHD (2 of 2)
G201
Figure 5:

FPDM Controlled/Monitored Subsystem References 1 of 2


Object Number: 1788061  Size: FS
Master Electrical Component List
Power Door Locks Description and Operation
Control Module References
FPDM Controlled/Monitored Subsystem References (2 of 2)
Front Passenger Door Module (FPDM) Power, Ground and Serial Data
Front Power Window Switches and Motor
Front Passenger Door Module (FPDM) Door Lock Switch and Latch Assembly
Power, Ground and Serial Data 2 of 2
Figure 6:

FPDM Controlled/Monitored Subsystem References 2 of 2


Object Number: 1788063  Size: FS
Master Electrical Component List
Power Door Locks Description and Operation
Control Module References
Left Rear Door Module (LRDM) Power, Ground and Serial Data
FPDM Controlled/Monitored Subsystem References (1 of 2)
Outsice Rearview Mirrors, Driver Door Switch Assembly (DDSA) and Front Door Modules
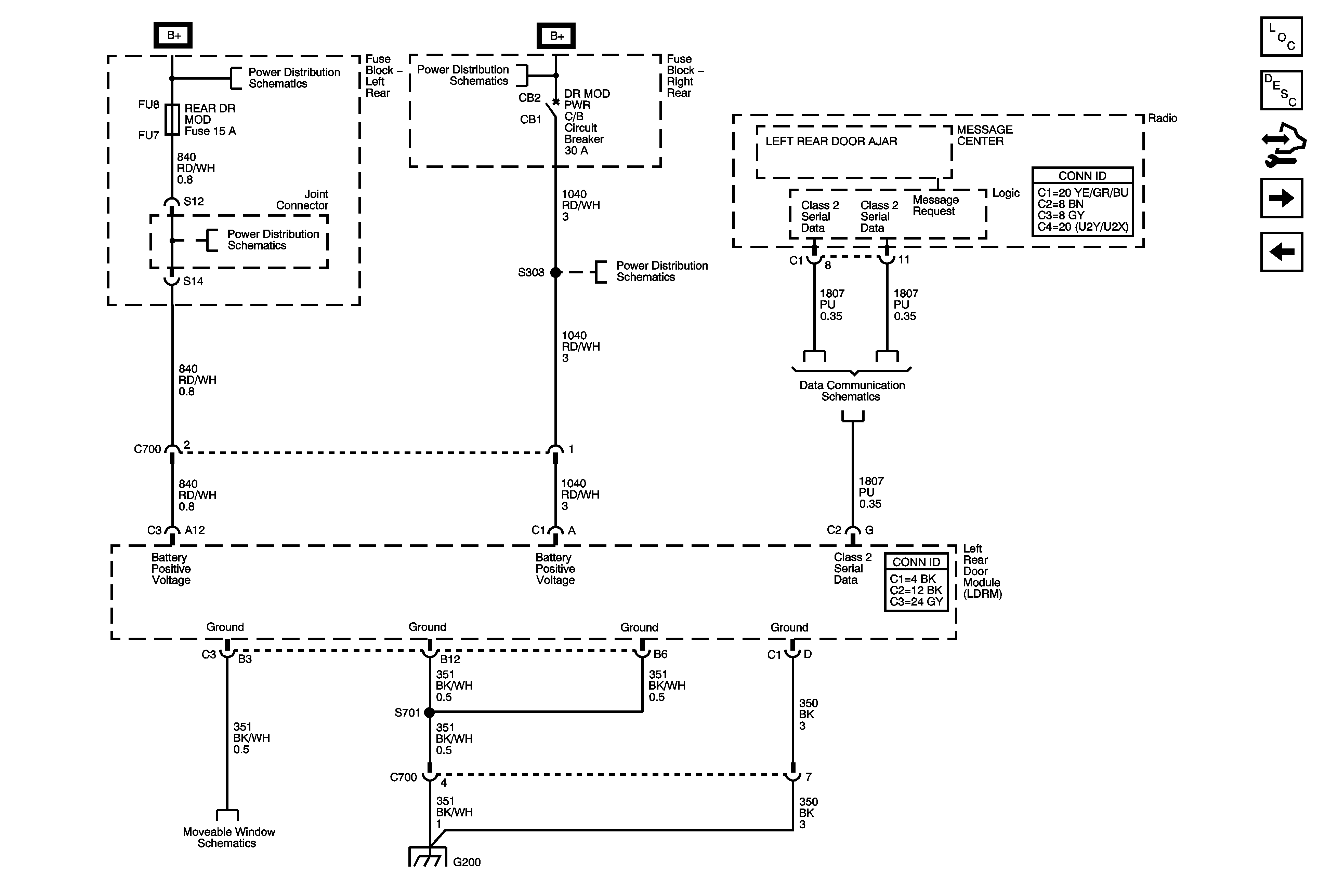
Figure 7:

Left Rear Door Module (LRDM) Power, Ground, and Serial Data


Object Number: 1788065  Size: FS
Master Electrical Component List
Power Door Locks Description and Operation
Control Module References
LRDM Controlled/Monitored Subsystem References
FPDM Controlled/Monitored Subsystem References (2 of 2)
Underhood Fuse Block B+ BUS 2 of 2
Right Rear Fuse Block, DR MOD PWR Circuit Breaker Canister Vent, RIM/IGN SW., FRT HTD Seat MOD, and PWR Sander Fuses
Rear Power Window Switches and Motors
G200
Right Rear Fuse Block, DR MOD PWR Circuit Breaker Canister Vent, RIM/IGN SW., FRT HTD Seat MOD, and PWR Sander Fuses
Class 2 Serial Data Bus - LHD (1 of 2)
Figure 8:

LRDM Controlled/Monitored Subsystem References


Object Number: 1788067  Size: FS
Master Electrical Component List
Power Door Locks Description and Operation
Control Module References
Right Rear Door Module (RRDM) Power, Ground and Serial Data
Left Rear Door Module (LRDM) Power, Ground and Serial Data
Left Rear Door Module (LRDM), Right Rear Door Module (RRDM), and Rear Door Latch Assemblies
Rear Power Window Switches and Motors
Power, Ground and Serial Data 2 of 2
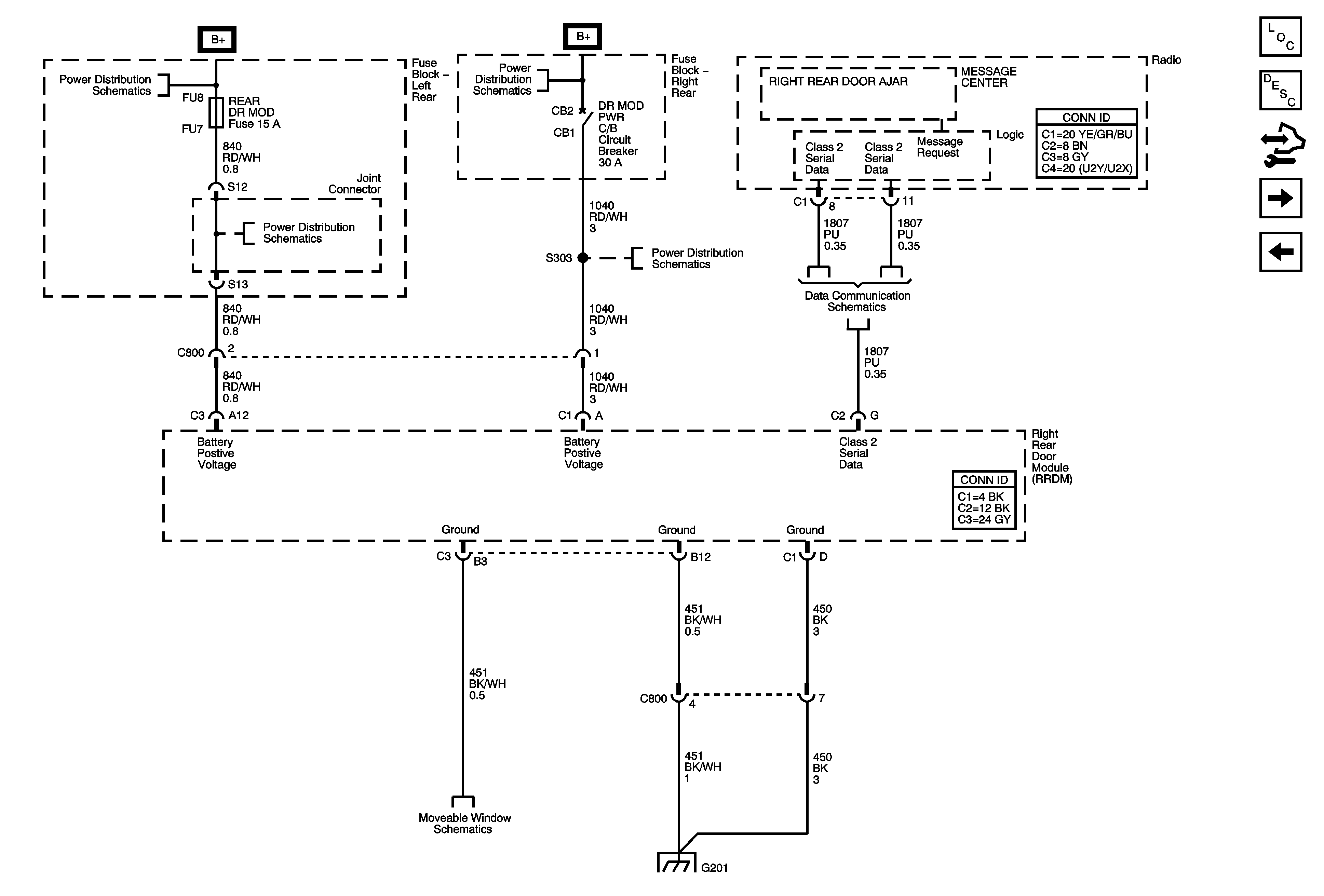
Figure 9:

Right Rear Door Module (RRDM) Power, Ground, and Serial Data


Object Number: 1788075  Size: FS
Master Electrical Component List
Power Door Locks Description and Operation
Control Module References
RRDM Controlled/Monitored Subsystem References
LRDM Controlled/Monitored Subsystem References
Underhood Fuse Block B+ BUS 2 of 2
Left Rear Fuse Block Seat Circuit Breaker, Trunk Relay/Fuse, Amp, Audio, Driver Dr MOD, and Rear DR MOD Fuse
Rear Power Window Switches and Motors
Right Rear Fuse Block B+ Bus
Right Rear Fuse Block, DR MOD PWR Circuit Breaker Canister Vent, RIM/IGN SW., FRT HTD Seat MOD, and PWR Sander Fuses
G201
Class 2 Serial Data Bus - LHD (2 of 2)
Figure 10:

RRDM Controlled/Monitored Subsystem References


Object Number: 1788079  Size: FS
Master Electrical Component List
Power Door Locks Description and Operation
Control Module References
Right Rear Door Module (RRDM) Power, Ground and Serial Data
Left Rear Door Module (LRDM), Right Rear Door Module (RRDM), and Rear Door Latch Assemblies
Rear Power Window Switches and Motors
Power, Ground and Serial Data 2 of 2