GM Service Manual Online
For 1990-2009 cars only
Makes
🢒
Cadillac
🢒
2007
🢒
CTS
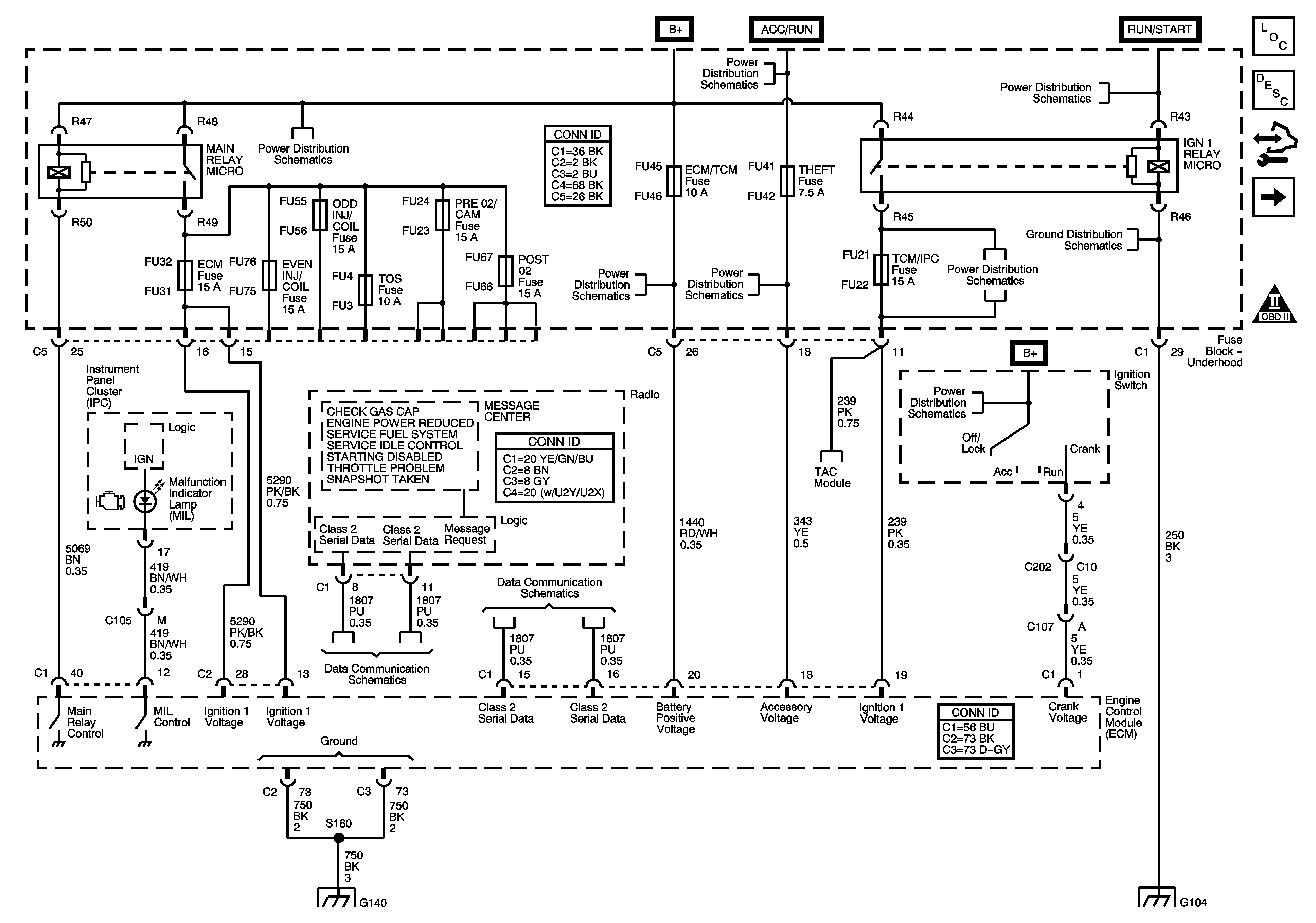
🢒 Power, Ground, Serial Data, DIC, and Indicators
Power, Ground, Serial Data, DIC, and Indicators
Power, Ground, Serial Data, DIC, and Indicator
Master Electrical Component List
Engine Control Module Description
Control Module References
Engine Data Sensors - 5-Volt and Low Reference Busses
Underhood Fuse Block B+ Bus - 2 of 2
Engine Controls Schematic Icons
Class 2 Serial Data Bus (LHD) - 2 of 2
G140, G141, and G142 (LS2)
Class 2 Serial Data Bus (LHD) - 1 of 2
Class 2 Serial Data Bus (LHD) - 1 of 2
Ignition Switch - 2 of 2
Ignition Switch - 2 of 2
Engine Data Sensors - Throttle Actuator Control (TAC) System
Ignition Switch - 1 of 2
Underhood Fuse Block - STARTER Relay, IGN 1 Relay, HTR VLV/CLUTCH, and TCM/IPC Fuses
Underhood Fuse Block - STARTER Relay, IGN 1 Relay, HTR VLV/CLUTCH, and TCM/IPC Fuses
G104 - 1 of 2
G104 - 1 of 2