GM Service Manual Online
For 1990-2009 cars only
Makes
🢒
Cadillac
🢒
2007
🢒
CTS
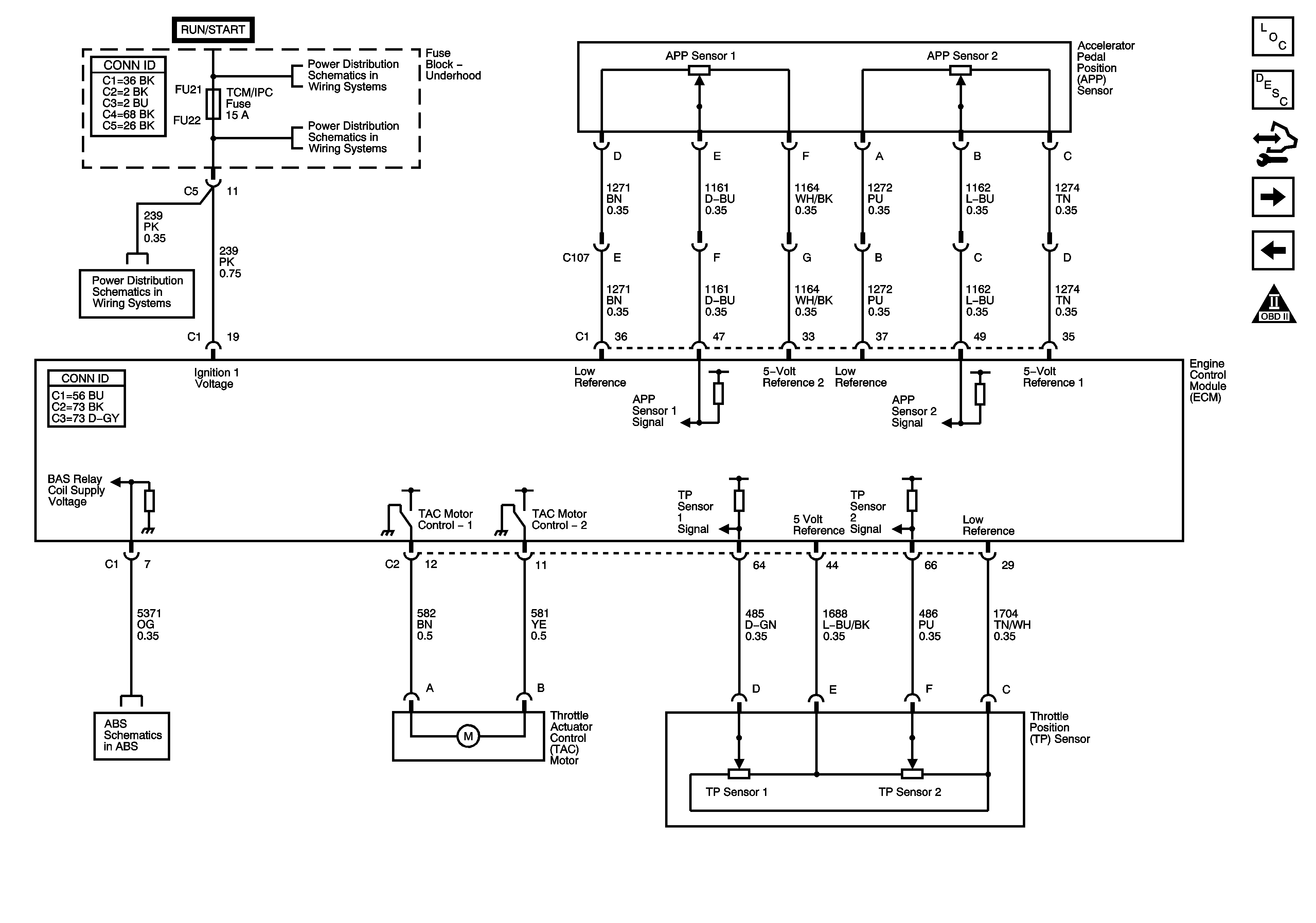
🢒 Engine Data Sensors - Throttle Actuator Control (TAC) System
Engine Data Sensors - Throttle Actuator Control (TAC) System
Engine Data Sensors - Throttle Actuator Control (TAC) System
Master Electrical Component List
Engine Control Module Description
Control Module References
Ignition Controls - Odd Ignition Coils
Engine Data Sensors - Heated Oxygen Sensors (HO2S)
Underhood Fuse Block - STARTER Relay, IGN 1 Relay, HTR VLV/CLUTCH, and TCM/IPC Fuses
Underhood Fuse Block - STARTER Relay, IGN 1 Relay, HTR VLV/CLUTCH, and TCM/IPC Fuses
Underhood Fuse Block - STARTER Relay, IGN 1 Relay, HTR VLV/CLUTCH, and TCM/IPC Fuses
BPP Sensor, Switches, and Indicators - 6.0L (LS2)