GM Service Manual Online
For 1990-2009 cars only
Makes
🢒
Cadillac
🢒
2007
🢒
CTS
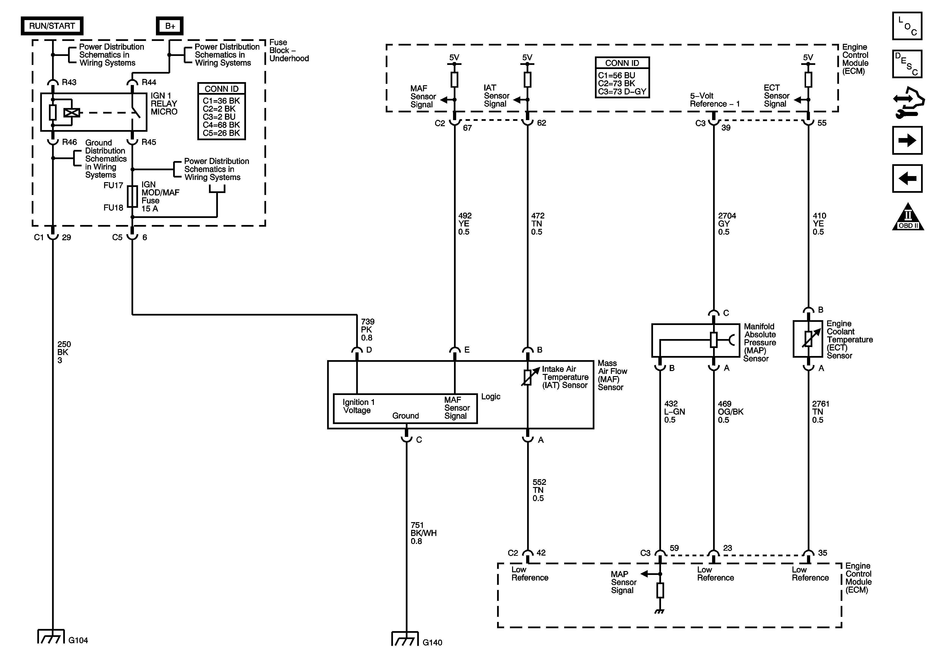
🢒 Engine Data Sensors - MAP, ECT, MAF, and IAT Sensors
Engine Data Sensors - MAP, ECT, MAF, and IAT Sensors
Engine Data Sensors - MAP, ECT, MAF, and IAT Sensors
Master Electrical Component List
Engine Control Module Description
Control Module References
Engine Data Sensors - Heated Oxygen Sensors (HO2S)
Engine Data Sensors - 5-Volt and Low Reference Busses
Underhood Fuse Block B+ Bus - 2 of 2
G104 - 1 of 2
Underhood Fuse Block - STARTER Relay, IGN 1 Relay, HTR VLV/CLUTCH, and TCM/IPC Fuses
Underhood Fuse Block - WASH NOZ, STRG CTLS, and IGN MOD/MAF Fuses
G104 - 1 of 2
G140, G141, and G142 (LS2)