GM Service Manual Online
For 1990-2009 cars only
Makes
🢒
Cadillac
🢒
2007
🢒
CTS
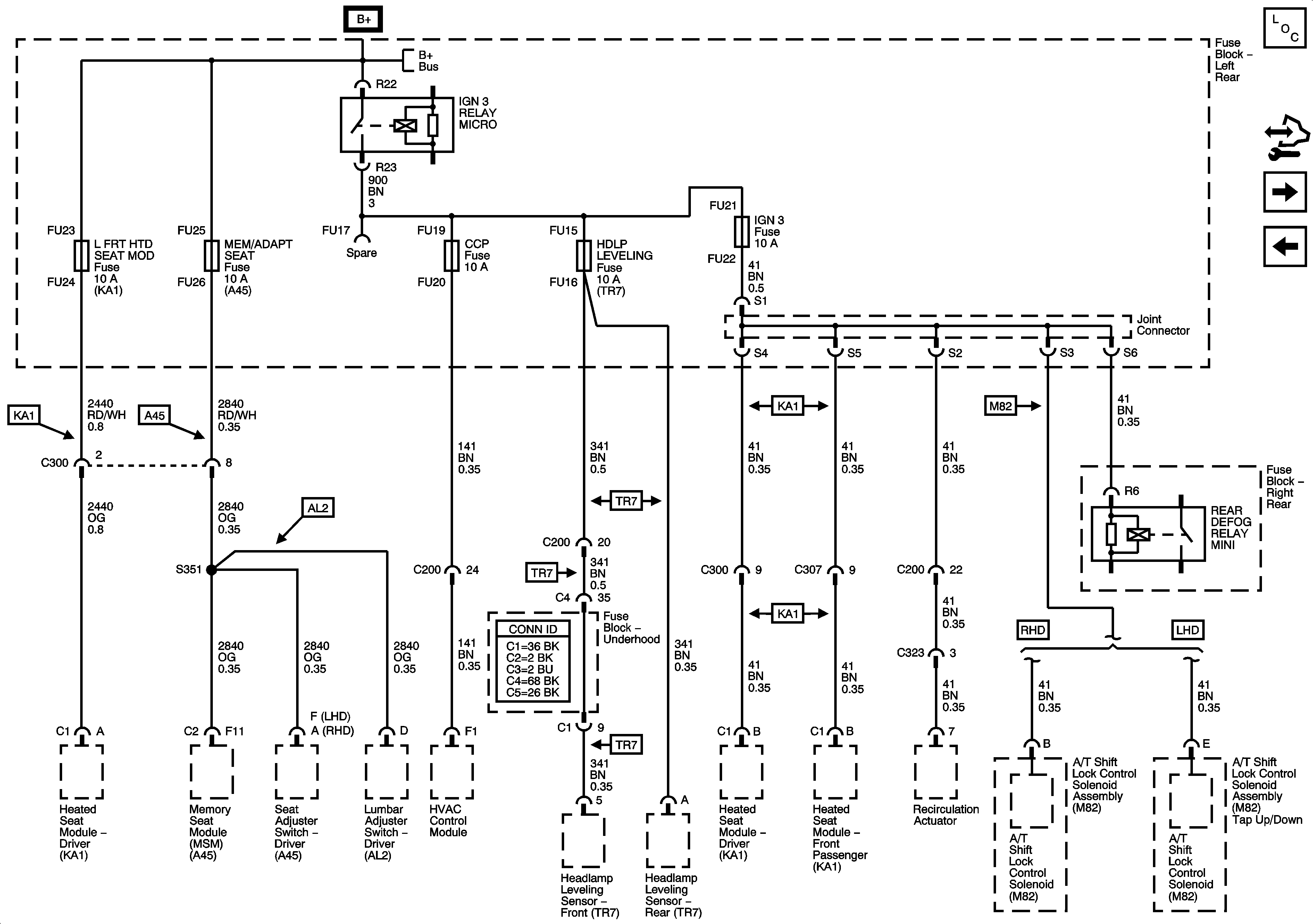
🢒 Left Rear Fuse Block - IGN 3 Relay, L FRT HTD SEAT MOD, MEM/ADAPT SEAT, CCP, HDLP LEVELING, and IGN 3 Fuses
Left Rear Fuse Block - IGN 3 Relay, L FRT HTD SEAT MOD, MEM/ADAPT SEAT, CCP, HDLP LEVELING, and IGN 3 Fuses
Left Rear Fuse Block - IGN 3 Relay, L FRT HTD SEAT MOD, MEM/ADAPT SEAT, CCP, HDLP LEVELING, and IGN 3 Fuses
Master Electrical Component List
Control Module References
Left Rear Fuse Block - SEAT Circuit Breaker, TRUNK Relay/Fuse, AMP, AUDIO, DRIVER DR MOD, and REAR DR MOD Fuse
Underhood Fuse Block - WASH NOZ, STRG CTLS, and IGN MOD/MAF Fuses
Underhood Fuse Block B+ Bus - 2 of 2