GM Service Manual Online
For 1990-2009 cars only
Makes
🢒
Cadillac
🢒
2007
🢒
CTS
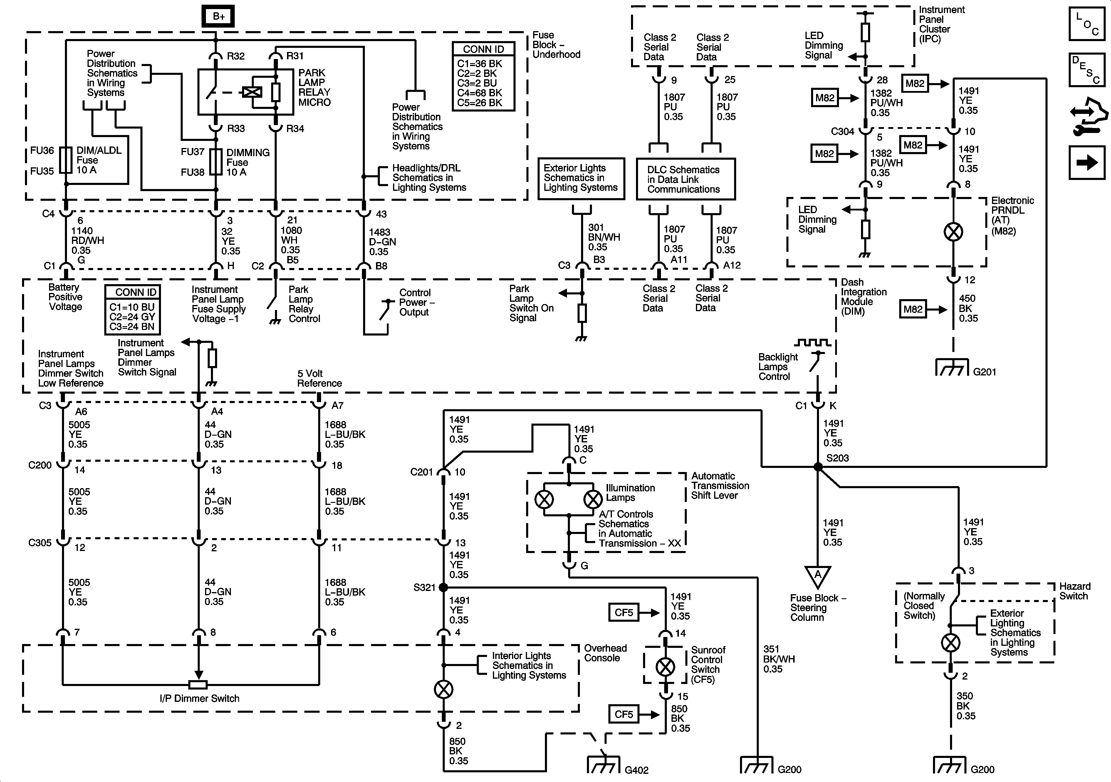
🢒 Power, Ground, and Serial Data - 1 of 2
Power, Ground, and Serial Data - 1 of 2
Power, Ground, and Serial Data - 1 of 2
Master Electrical Component List
Interior Lighting Systems Description and Operation
Control Module References
Power, Ground, and Serial Data - 2 of 2
Underhood Fuse Block - PARK LAMP Relay/Fuses and DIMMING Fuse
Underhood Fuse Block - PARK LAMP Relay/Fuses and DIMMING Fuse
Headlamp Controls
Front Marker Lamps (TT7) and Front Park Lamps (w/o TT7)
Class 2 Serial Data Bus (LHD) - 2 of 2
G201
2006 D320 Shift Lever (LHD)
Overhead Courtesy Lamps, Door Lamp, and Vanity Lamps
G402 - 1 of 2
G200
Steering Wheel Controls Dimming
G200
Turn Signal/Hazard Flasher Module