GM Service Manual Online
For 1990-2009 cars only
Makes
🢒
Cadillac
🢒
2007
🢒
CTS
🢒 2006 D320 Shift Lever(LHD)
2006 D320 Shift Lever(LHD)
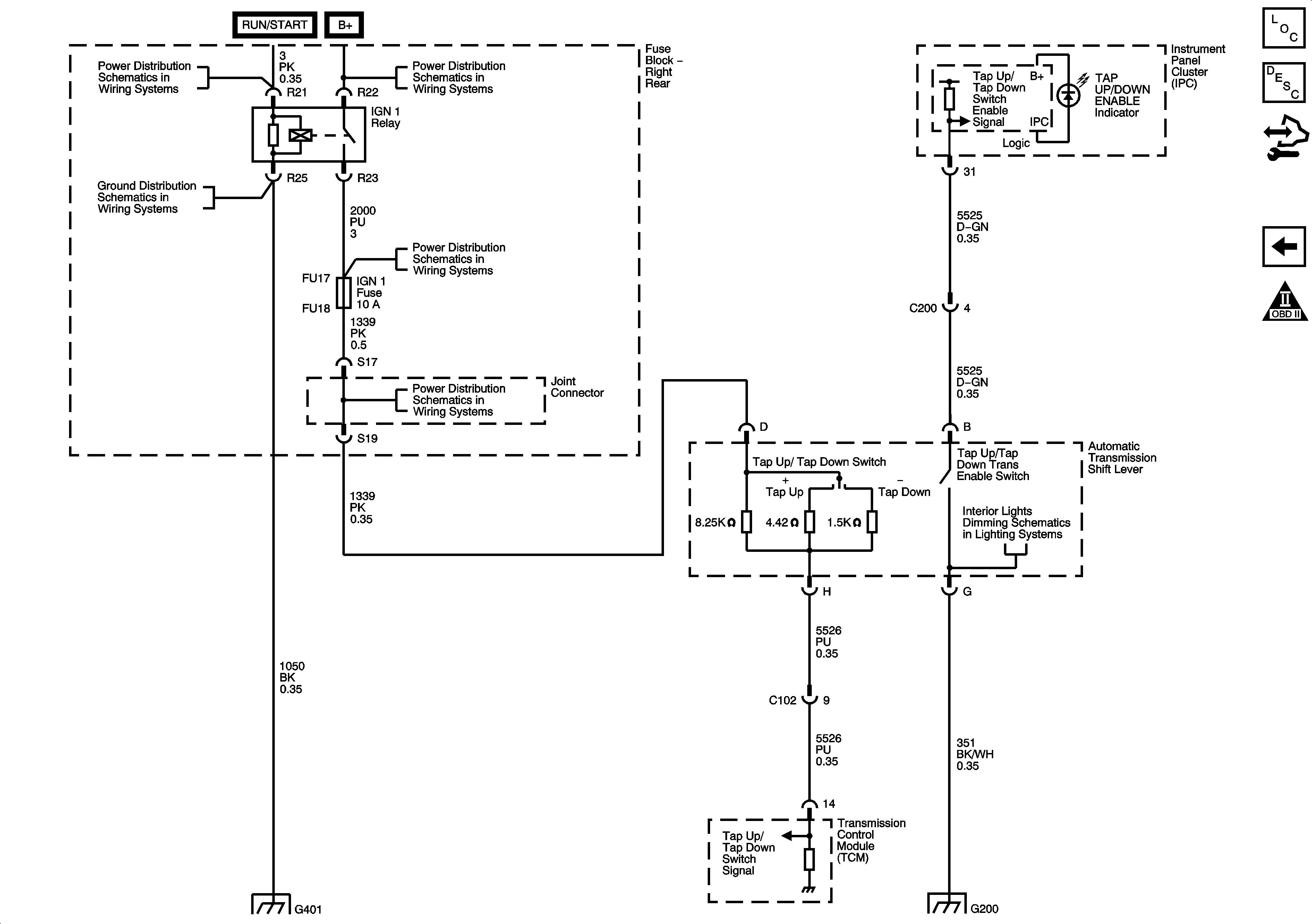
Tap Up/Down Shift Lever (LHD)
Master Electrical Component List
Transmission General Description
Control Module References
A/T Sensors, Solenoids, DIC, and Electronic PRNDL
Automatic Transmission Schematic Icons
Right Rear Fuse Block - IGN 1 Relay, ARIBAG, RIM, BS, PSGR DR MOD, and TV/VICS Fuses
G401
Right Rear Fuse Block B+ Bus
Right Rear Fuse Block B+ Bus
Right Rear Fuse Block B+ Bus
G401
G200
Power, Ground, and Serial Data - 1 of 2