GM Service Manual Online
For 1990-2009 cars only
Makes
🢒
Cadillac
🢒
2007
🢒
CTS
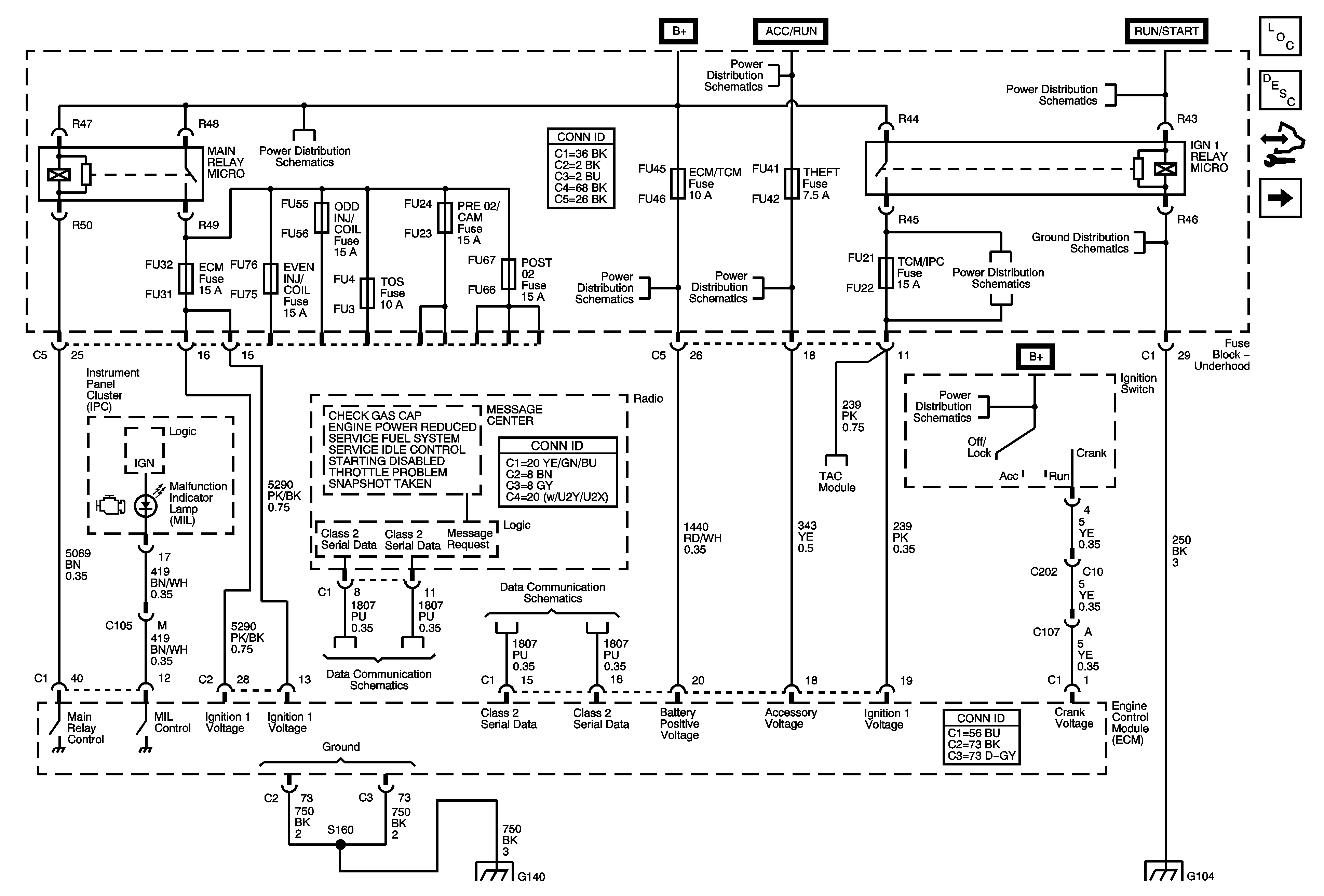
🢒 Power, Ground, Serial Data, DIC and Indicator
Power, Ground, Serial Data, DIC and Indicator
Power, Ground, Serial Data, DIC, and Indicator
Master Electrical Component List
Engine Control Module Description
Control Module References
Engine Data Sensors - 5-Volt and Low Refernce Buses
Underhood Fuse Block B+ BUS 2 of 2
Ignition Switch 2 of 2
Underhood Fuse Block Starter Relay, IGN 1 Relay, HTR VLV/Clutch and TCM/IPC Fuses
Class 2 Serial Data Bus - LHD (1 of 2)
Ignition Switch 2 of 2
Underhood Fuse Block Starter Relay, IGN 1 Relay, HTR VLV/Clutch and TCM/IPC Fuses
G104 1 of 2
Class 2 Serial Data Bus - LHD (2 of 2)
G140, G141, and G142 (LS2)
Class 2 Serial Data Bus - LHD (1 of 2)
Engine Data Sensors - Throttle Actuator Control (TAC) System
Ignition Switch 1 of 2
G104 1 of 2