GM Service Manual Online
For 1990-2009 cars only
Makes
🢒
Cadillac
🢒
2007
🢒
CTS
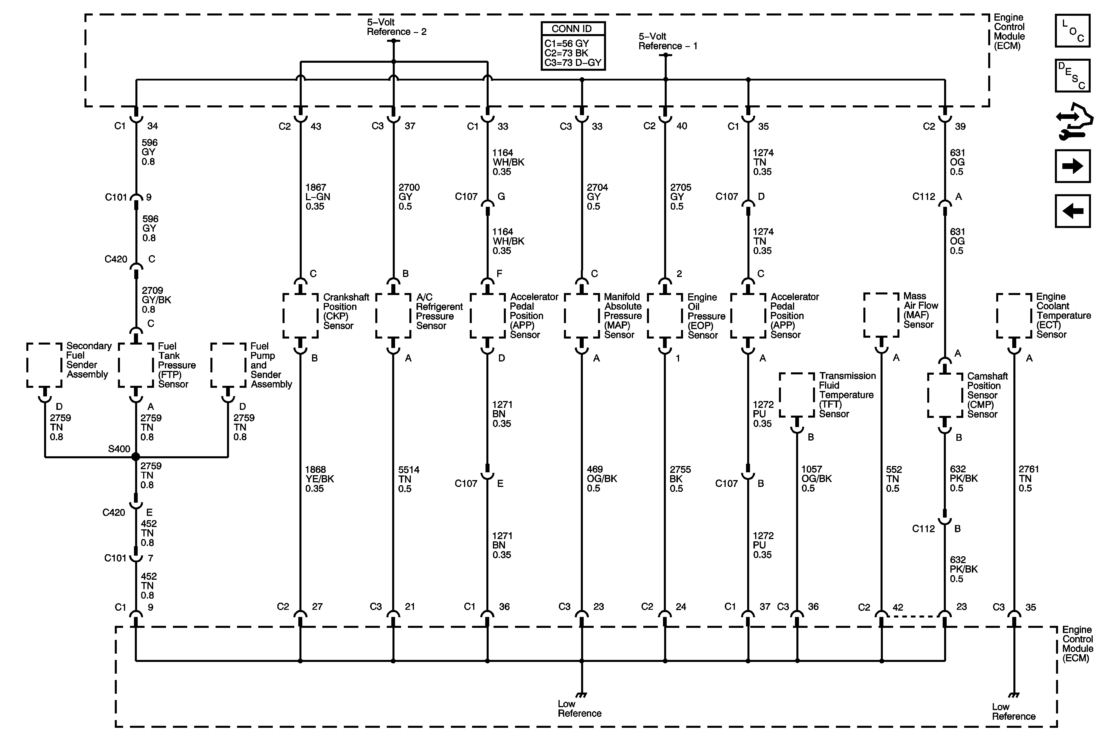
🢒 Engine Data Sensors - 5-Volt and Low Refernce Buses
Engine Data Sensors - 5-Volt and Low Refernce Buses
Engine Data Sensors - 5-Volt and Low Reference Busses
Master Electrical Component List
Engine Control Module Description
Control Module References
Engine Data Sensors - MAP, ECT, MAF, and IAT Sensors
Power, Ground, Serial Data, DIC and Indicator