GM Service Manual Online
For 1990-2009 cars only
Makes
🢒
Cadillac
🢒
2007
🢒
CTS
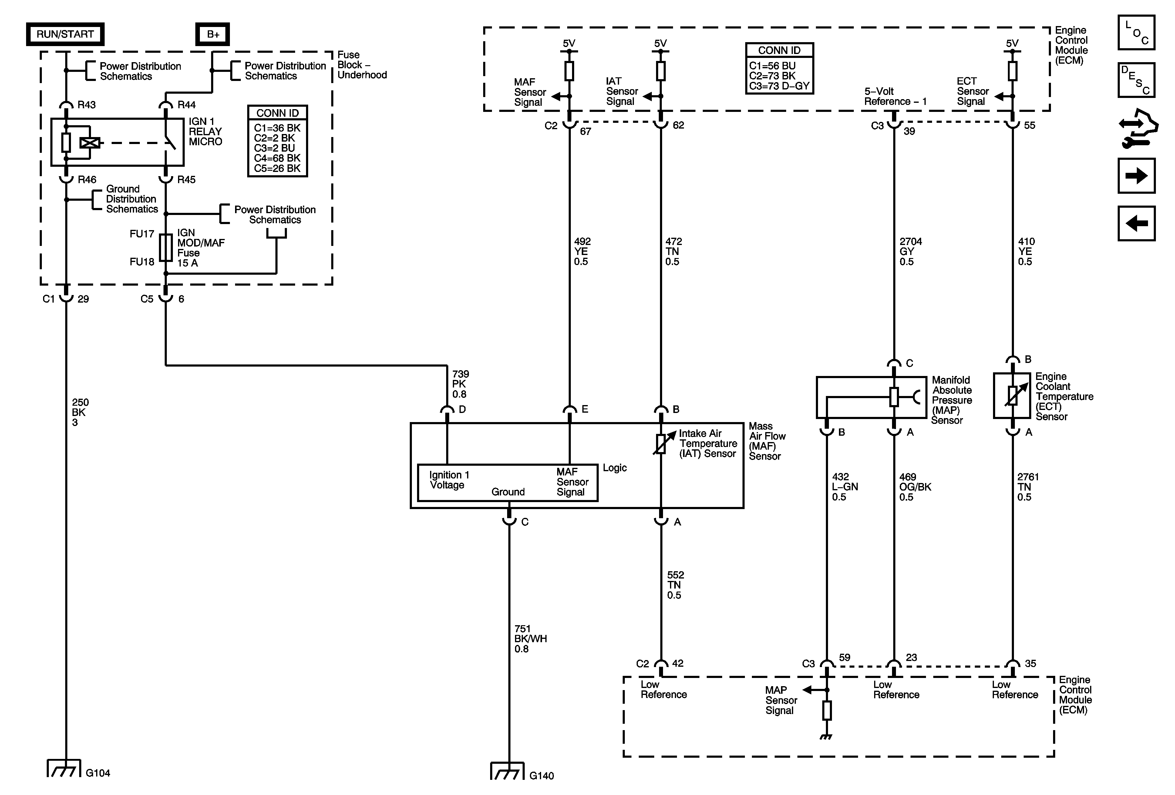
🢒 Engine Data Sensors - MAP, ECT, MAF, and IAT Sensors
Engine Data Sensors - MAP, ECT, MAF, and IAT Sensors
Engine Data Sensors - MAP, ECT, MAF, and IAT Sensors
Master Electrical Component List
Engine Control Module Description
Control Module References
Engine Data Sensors - Heated Oxygen Sensors (HO2S)
Engine Data Sensors - 5-Volt and Low Refernce Buses
Underhood Fuse Block B+ BUS 2 of 2
Underhood Fuse Block Starter Relay, IGN 1 Relay, HTR VLV/Clutch and TCM/IPC Fuses
G104 1 of 2
Underhood Fuse Block Wash noz, Strg (TL) and IGN MOD/MAF Fuses