GM Service Manual Online
For 1990-2009 cars only
Makes
🢒
Cadillac
🢒
2007
🢒
CTS
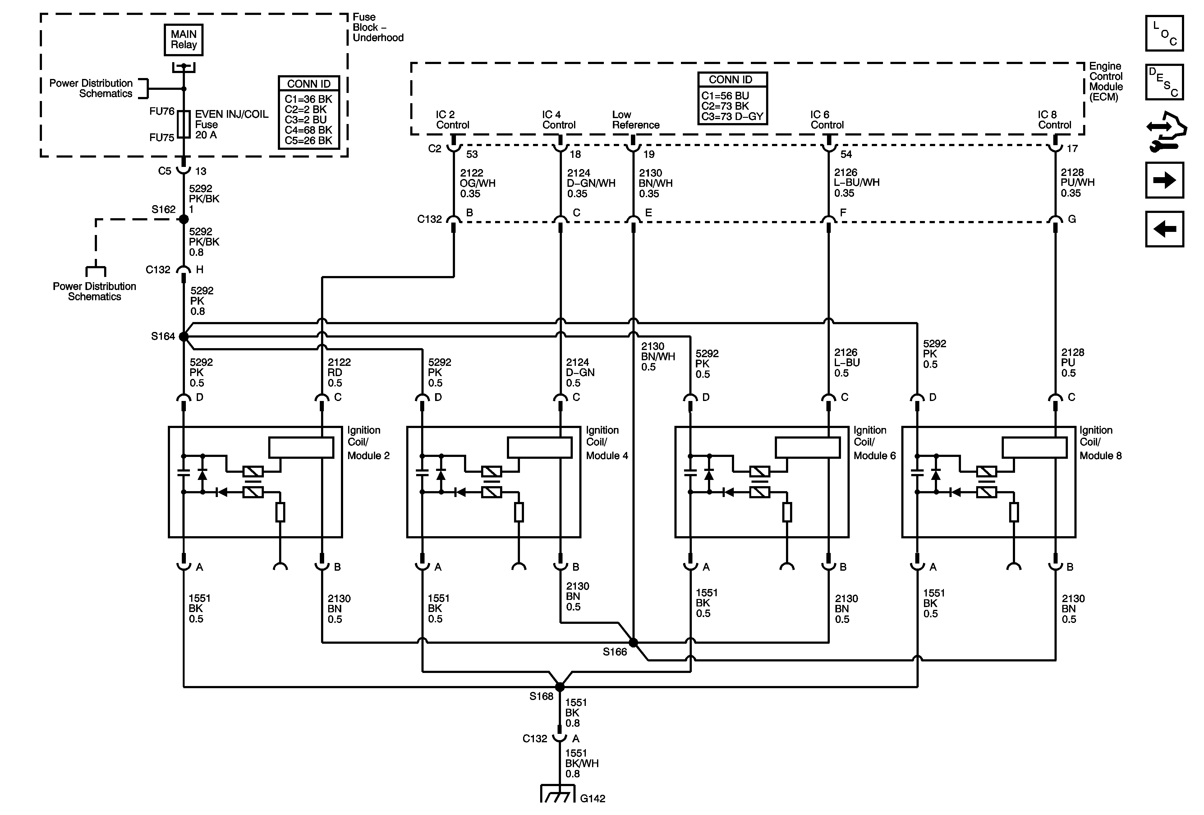
🢒 Ignition Controls - Even Ignition Coils
Ignition Controls - Even Ignition Coils
Ignition Controls - Even Ignition Coils
Master Electrical Component List
Engine Control Module Description
Control Module References
Ignition Controls - Knock, CKP, and CMP Sensors
Ignition Controls - Odd Ignition Coils
Underhood Fuse Block Even INJ/Coil Fuse
Underhood Fuse Block B+ BUS 2 of 2
Underhood Fuse Block Even INJ/Coil Fuse
G140, G141, and G142 (LS2)