GM Service Manual Online
For 1990-2009 cars only
Makes
🢒
Cadillac
🢒
2007
🢒
CTS
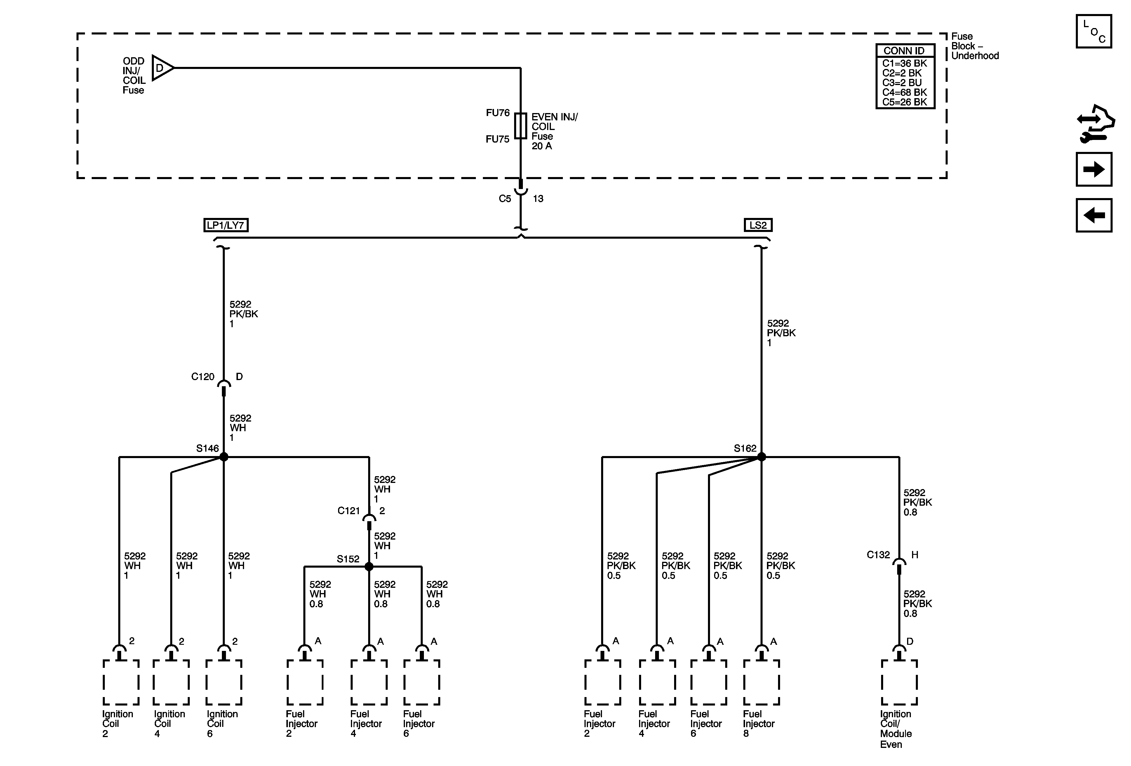
🢒 Underhood Fuse Block Even INJ/Coil Fuse
Underhood Fuse Block Even INJ/Coil Fuse
Underhood Fuse Block - EVEN INJ/COIL Fuse
Master Electrical Component List
Control Module References
Underhood Fuse Block DIM/ALDL, Volt Check, Flasher, CCP, ECM/TCM, and ABS Fuses
Underhood Fuse Block Odd INJ/Coil Fuse
Underhood Fuse Block Odd INJ/Coil Fuse