GM Service Manual Online
For 1990-2009 cars only
Makes
🢒
Cadillac
🢒
2007
🢒
CTS
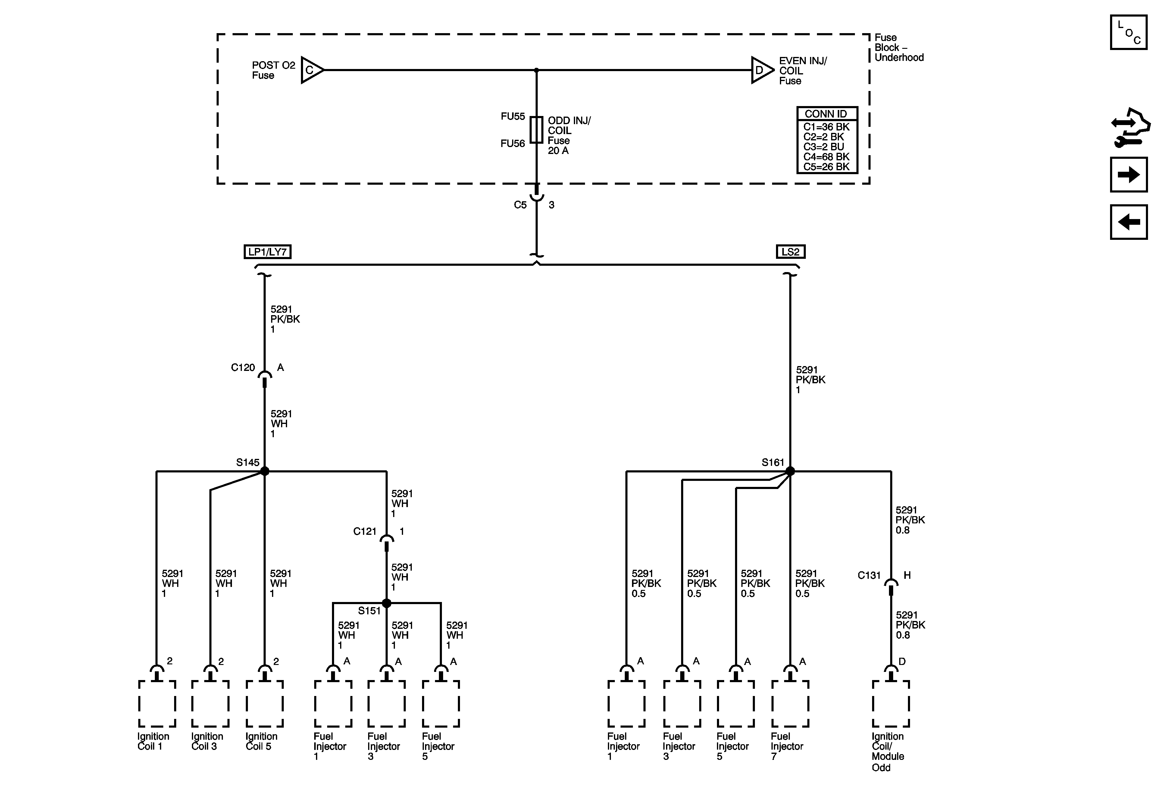
🢒 Underhood Fuse Block Odd INJ/Coil Fuse
Underhood Fuse Block Odd INJ/Coil Fuse
Underhood Fuse Block - ODD INJ/COIL Fuse
Master Electrical Component List
Control Module References
Underhood Fuse Block Even INJ/Coil Fuse
Wiring Systems and Power Management Power Distribution Underhood Fuse Block Post O2 Fuse
Wiring Systems and Power Management Power Distribution Underhood Fuse Block Post O2 Fuse
Underhood Fuse Block Even INJ/Coil Fuse