GM Service Manual Online
For 1990-2009 cars only
Makes
🢒
Cadillac
🢒
2007
🢒
CTS
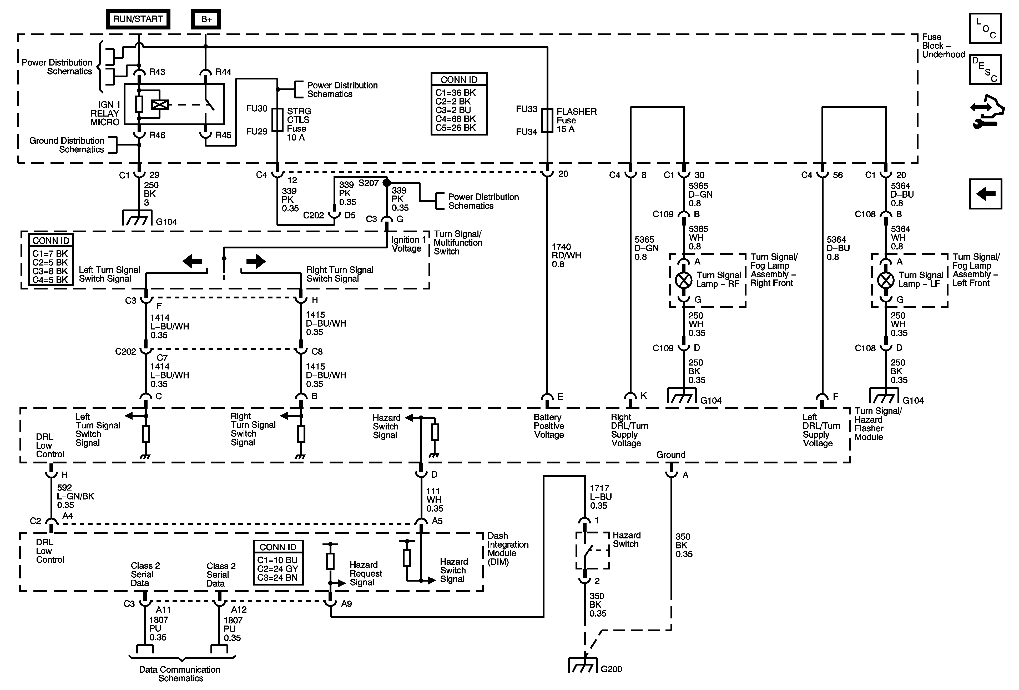
🢒 Daytime Running Lamps (DRL) (Domestic)
Daytime Running Lamps (DRL) (Domestic)
Daytime Running Lamps (DRL) - Domestic
Master Electrical Component List
Exterior Lighting Systems Description and Operation
Control Module References
Daytime Running Lamps (DRL) - (Export w/T65)
Underhood Fuse Block B+ BUS 2 of 2
G104 1 of 2
G104 1 of 2
Underhood Fuse Block Wash noz, Strg (TL) and IGN MOD/MAF Fuses
Underhood Fuse Block Wash noz, Strg (TL) and IGN MOD/MAF Fuses
G104 1 of 2
G104 1 of 2
Class 2 Serial Data Bus - LHD (2 of 2)
G200