GM Service Manual Online
For 1990-2009 cars only
Makes
🢒
Cadillac
🢒
2007
🢒
CTS
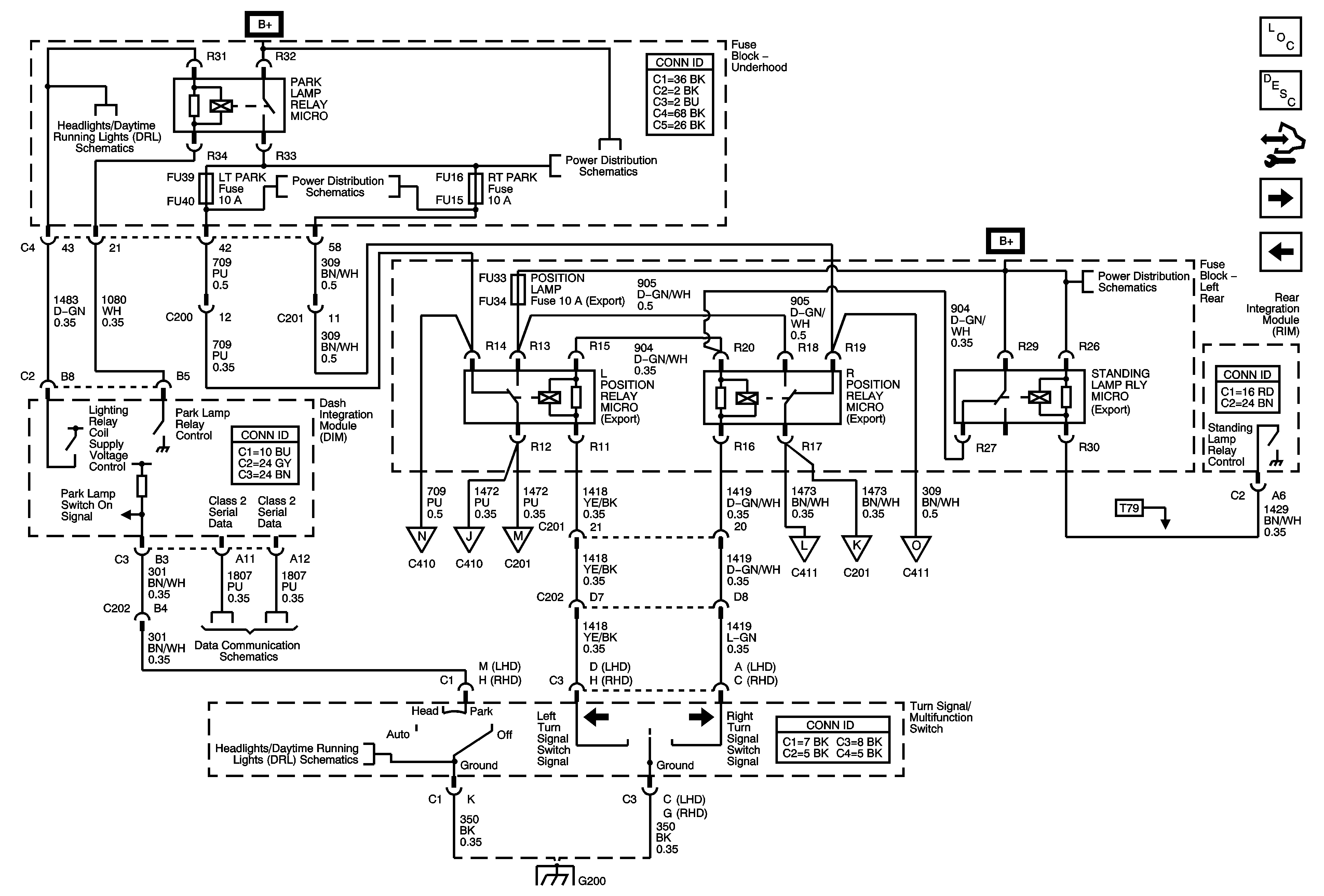
🢒 Position Lamp Controls (Export w/T79)
Position Lamp Controls (Export w/T79)
Position Lamp Controls - Export w/T79
Master Electrical Component List
Exterior Lighting Systems Description and Operation
Control Module References
Position, Park, and Tail Lamps (Export)
License Lamps, Rear Marker Lamps and Tail Lamps
Headlamp Controls
Underhood Fuse Block Park Lamp Relay/Fuses and Dimming Fuses
Underhood Fuse Block Park Lamp Relay/Fuses and Dimming Fuses
Underhood Fuse Block B+ BUS 2 of 2
Headlamp Controls
Class 2 Serial Data Bus - LHD (2 of 2)
G200
Position, Park, and Tail Lamps (Export)
Position, Park, and Tail Lamps (Export)
Position, Park, and Tail Lamps (Export)
Position, Park, and Tail Lamps (Export)
Position, Park, and Tail Lamps (Export)
Position, Park, and Tail Lamps (Export)