GM Service Manual Online
For 1990-2009 cars only
Makes
🢒
Cadillac
🢒
2007
🢒
CTS
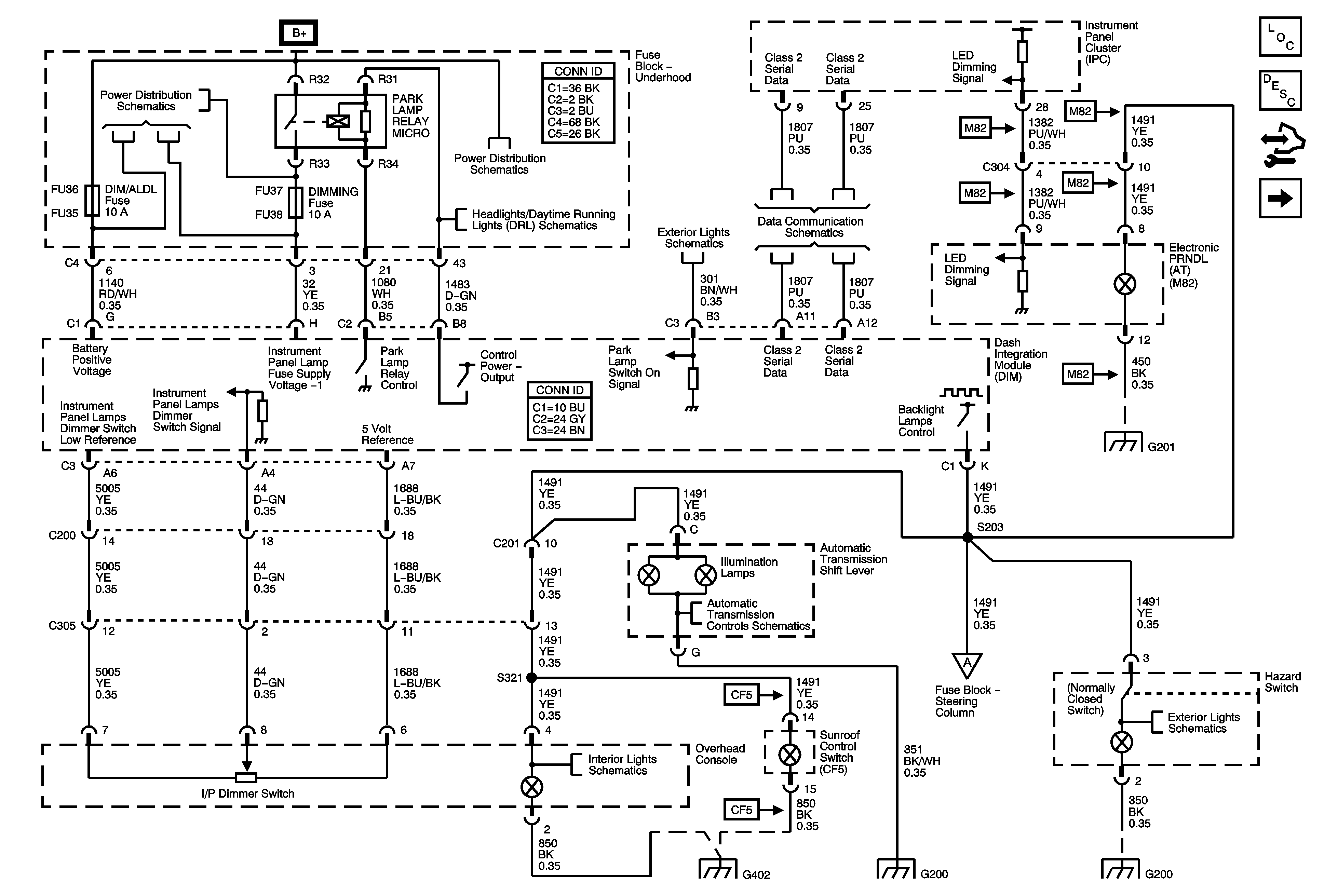
🢒 Power, Ground and Serial Data 1 of 2
Power, Ground and Serial Data 1 of 2
Power, Ground, and Serial Data - 1 of 2
Master Electrical Component List
Interior Lighting Systems Description and Operation
Control Module References
Power, Ground and Serial Data 2 of 2
Underhood Fuse Block Park Lamp Relay/Fuses and Dimming Fuses
Underhood Fuse Block Park Lamp Relay/Fuses and Dimming Fuses
Headlamp Controls
Front Marker Lamps (w/TT7) and Front Park Lamps (w/o TT7)
Class 2 Serial Data Bus - LHD (2 of 2)
Overhead Courtesy Lamps, Dome Lamp, and Vanity Lamps
G402 (1 of 2)
Tap Up/Down Shift Lever (LHD)
G200
Steering Wheel Controls Dimming
G200
Turn Signal/Hazard Flasher Module
G201