GM Service Manual Online
For 1990-2009 cars only
Makes
🢒
Cadillac
🢒
2007
🢒
CTS
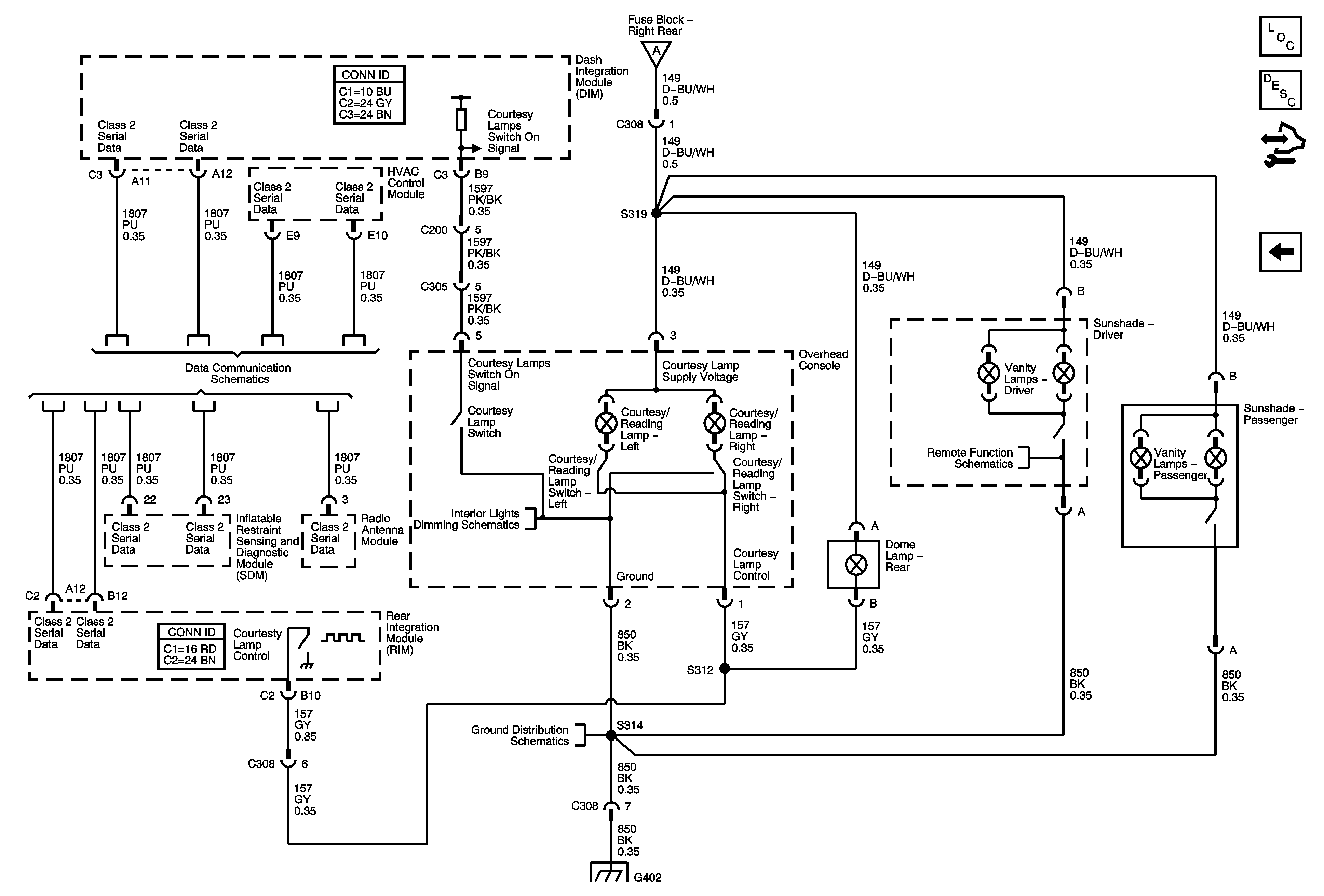
🢒 Overhead Courtesy Lamps, Dome Lamp, and Vanity Lamps
Overhead Courtesy Lamps, Dome Lamp, and Vanity Lamps
Overhead Courtesy Lamps, Dome Lamp, and Vanity Lamps
Master Electrical Component List
Interior Lighting Systems Description and Operation
Control Module References
Courtesy Lamps
Courtesy Lamps
Class 2 (1 of 2) Serial Data Bus - RHD
Power, Ground and Serial Data 1 of 2
G402 (1 of 2)
G402 (1 of 2)
Garage Door Opener (GDO) (UGDO)