GM Service Manual Online
For 1990-2009 cars only
Makes
🢒
Cadillac
🢒
2007
🢒
CTS
🢒 Radio Antenna Module and Antennas
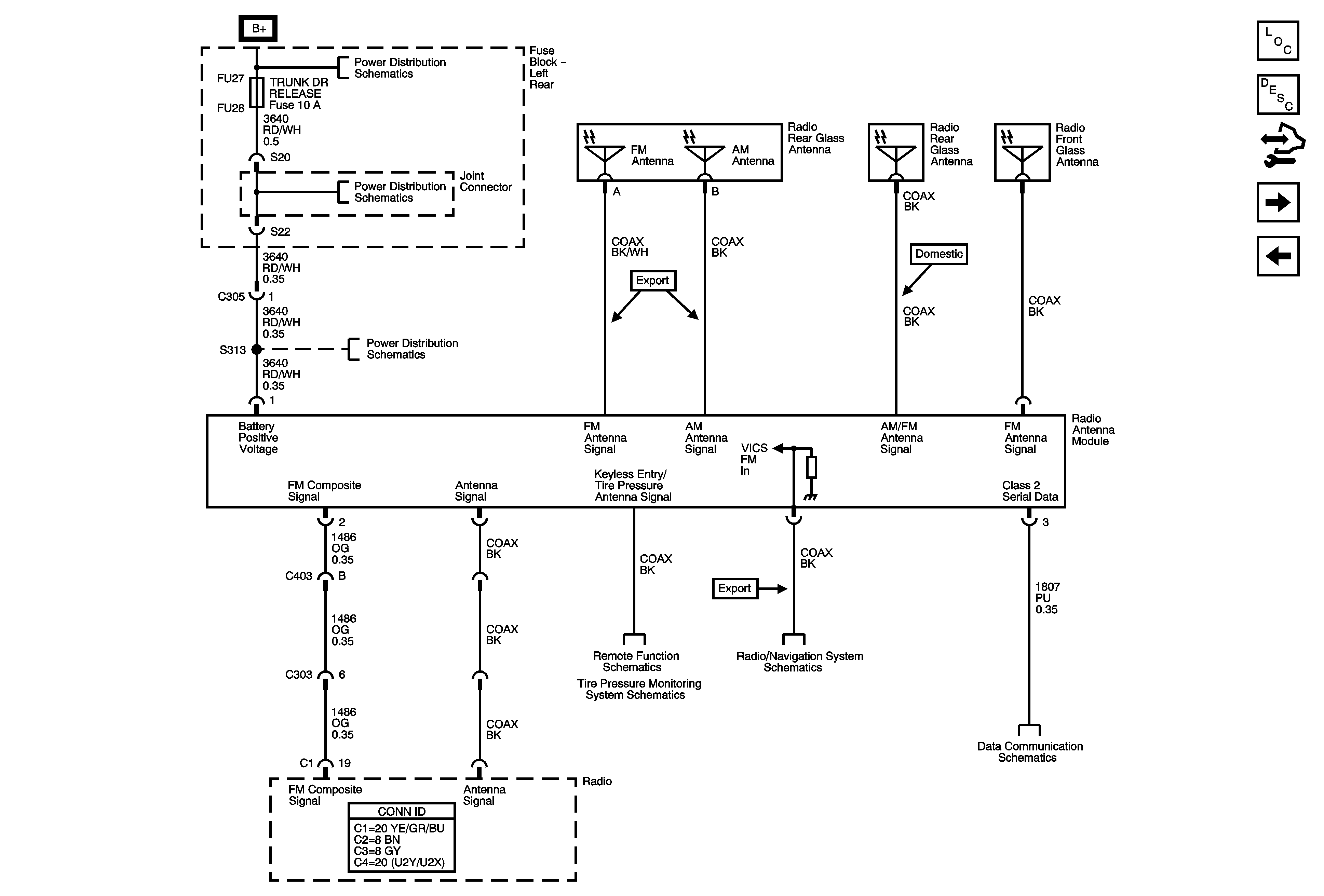
Radio Antenna Module and Antennas
Radio Antenna Module and Antennas
Master Electrical Component List
Radio/Audio System Description and Operation
Control Module References
Digital Radio Receiver (U2Y/U2X/U2K/U2L)
Power, Ground, Serial Data and Audio Signal Communication
Underhood Fuse Block B+ BUS 2 of 2
Left Rear Fuse Block Seat Circuit Breaker, Trunk Relay/Fuse, Amp, Audio, Driver Dr MOD, and Rear DR MOD Fuse
Left Rear Fuse Block Seat Circuit Breaker, Trunk Relay/Fuse, Amp, Audio, Driver Dr MOD, and Rear DR MOD Fuse
Remote Functions
Remote Functions
Traffic Information Receiver (Japan w/U2X/U2Y)
Class 2 Serial Data Bus - LHD (2 of 2)