GM Service Manual Online
For 1990-2009 cars only
Makes
🢒
Cadillac
🢒
2007
🢒
CTS
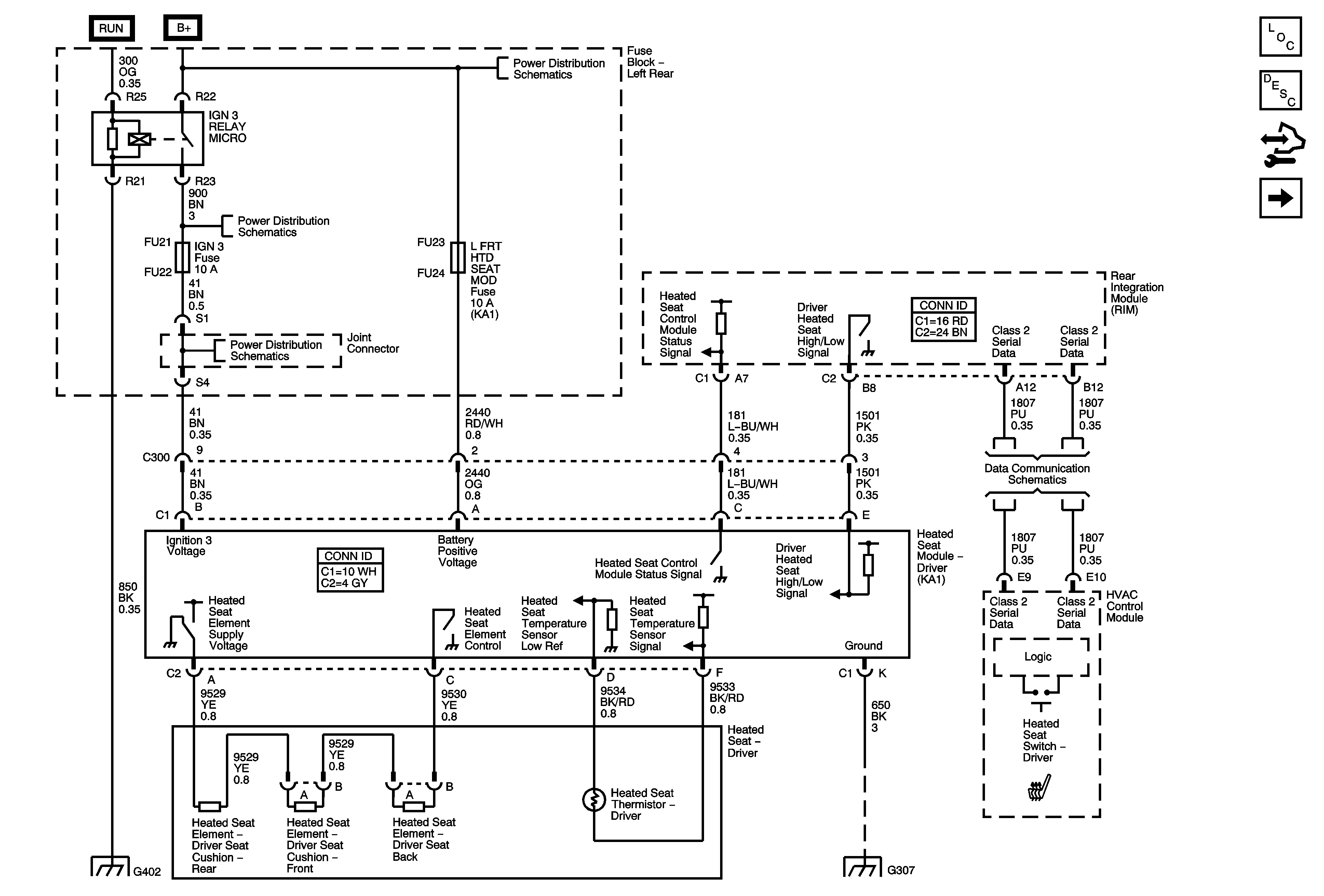
🢒 Heated Seat - Driver (KA1)
Heated Seat - Driver (KA1)
Heated Seat - Driver (KA1)
Master Electrical Component List
Heated Seats Description and Operation
Control Module References
Heated Seat - Passenger (KA1)
Underhood Fuse Block B+ BUS 2 of 2
Left Rear Fuse Block Ign 3 Relay, LFRT HTD Seat MOD, MEM/ADAPT Seat, CCP, HDLP Leveling and IGN 3 Fuses
Left Rear Fuse Block Ign 3 Relay, LFRT HTD Seat MOD, MEM/ADAPT Seat, CCP, HDLP Leveling and IGN 3 Fuses
G402 (2 of 2)
G307
Class 2 (1 of 2) Serial Data Bus - RHD