GM Service Manual Online
For 1990-2009 cars only

Steering Gear Replacement with All Wheel Drive

Removal Procedure

  1. Install the engine support fixture. Refer to Engine Support Fixture.
  2. Remove the front air deflector. Refer to Front Air Deflector Replacement.
  3. Remove the front compartment lower noise shield. Refer to Front Compartment Lower Noise Shield Replacement.
  4. Place drain pans under the vehicle as needed.
  5. Separate the lower intermediate steering shaft from the steering gear. Refer to Lower Intermediate Steering Shaft Replacement.
  6. Separate the steering linkage outer tie rods from the steering knuckles. Refer to Steering Linkage Outer Tie Rod Replacement.
  7. Separate the lower control arms from the steering knuckles. Refer to Lower Control Arm Replacement.

  8. Object Number: 1301495  Size: SH
  9. Remove the power steering gear inlet pipe bracket bolt.
  10. Remove any fasteners attaching the power steering gear inlet and outlet hoses to the frame. Refer to Power Steering Gear Inlet Pipe/Hose Replacement and Power Steering Gear Outlet Pipe/Hose Replacement.
  11. Separate the power steering gear inlet and outlet hoses from the steering gear.
  12. Support the front frame with jackstands as needed.
  13. Remove the left and right side engine mount bolts from the front frame. Refer to Engine Mount Replacement - Left Side and Engine Mount Replacement - Right Side.
  14. Disconnect any electrical harnesses from the front frame as needed.
  15. Disconnect the power steering gear solenoid electrical connector.
  16. Remove the front frame bolts. Refer to Front Frame Replacement.
  17. Slowly lift the vehicle on the hoist until there is enough room to remove the steering gear from the vehicle.

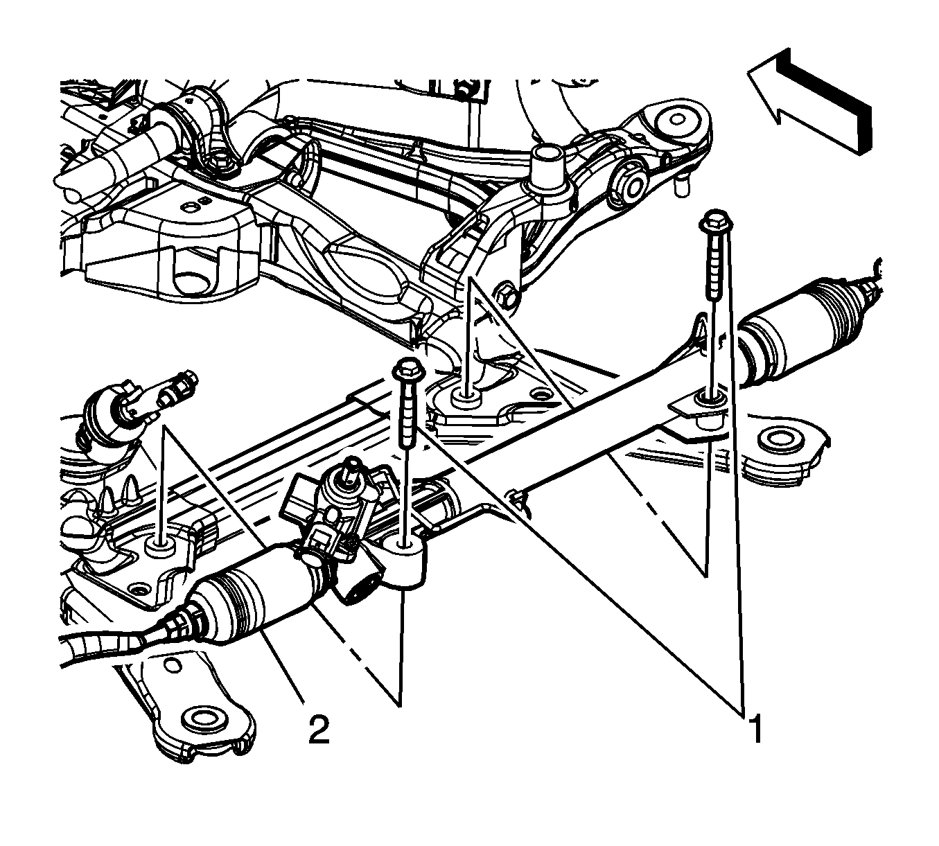
  18. Object Number: 1979005  Size: SH
  19. Remove the steering gear bolts (1).
  20. Remove the steering gear (2) from the front frame.

Installation Procedure


    Object Number: 1979005  Size: SH
  1. Position the steering gear (2) to the front frame.
  2. Notice: Refer to Fastener Notice in the Preface section.

  3. Install the steering gear bolts (1).
  4. Tighten
    Tighten the bolts to 60 N·m plus 80 degrees (44 lb ft plus 80 degrees).

  5. Slowly lower the vehicle on the hoist while keeping the front frame aligned with the left and right side engine mounts.
  6. Start the engine mount bolts by hand.
  7. Install the front frame bolts. Refer to Front Frame Replacement.
  8. Torque the engine mount bolts. Refer to Engine Mount Replacement - Left Side and Engine Mount Replacement - Right Side.
  9. Connect the power steering gear solenoid electrical connector.
  10. Connect any electrical harnesses to the front frame as needed.
  11. Remove the jackstands from underneath the vehicle.

  12. Object Number: 1301495  Size: SH
  13. Connect the power steering gear inlet and outlet hoses to the steering gear and install the power steering gear inlet pipe bracket bolt.
  14. Tighten
    Tighten the bolt to 22.5 N·m (17 lb ft).

  15. Install any fasteners attaching the power steering gear inlet and outlet hoses to the frame. Refer to Power Steering Gear Inlet Pipe/Hose Replacement and Power Steering Gear Outlet Pipe/Hose Replacement.
  16. Connect the lower control arms to the steering knuckles. Refer to Lower Control Arm Replacement.
  17. Connect the steering linkage outer tie rods to the steering knuckles. Refer to Steering Linkage Outer Tie Rod Replacement.
  18. Connect the lower intermediate steering shaft to the steering gear. Refer to Lower Intermediate Steering Shaft Replacement.
  19. Clean any excess fluid from the vehicle and remove the drain pans.
  20. Install the front compartment lower noise shield. Refer to Front Compartment Lower Noise Shield Replacement.
  21. Install the front air deflector. Refer to Front Air Deflector Replacement.
  22. Remove the engine support fixture. Refer to Engine Support Fixture.
  23. Fill and bleed the power steering system. Refer to Power Steering System Bleeding.
  24. Adjust the front toe. Refer to Front Toe Adjustment.

Steering Gear Replacement with Rear Wheel Drive

Removal Procedure

  1. Install the engine support fixture. Refer to Engine Support Fixture .
  2. Remove the front air deflector. Refer to Front Air Deflector Replacement .
  3. Remove the front compartment lower noise shield. Refer to Front Compartment Lower Noise Shield Replacement .
  4. Place drain pans under the vehicle as needed.
  5. Separate the lower intermediate steering shaft from the steering gear. Refer to Lower Intermediate Steering Shaft Replacement .
  6. Separate the steering linkage outer tie rods from the steering knuckles. Refer to Steering Linkage Outer Tie Rod Replacement .
  7. Separate the lower control arms from the steering knuckles. Refer to Lower Control Arm Replacement .

  8. Object Number: 1301495  Size: SH
  9. Remove the power steering gear inlet pipe bracket bolt.
  10. Remove any fasteners attaching the power steering gear inlet and outlet hoses to the frame. Refer to Power Steering Gear Inlet Pipe/Hose Replacement and Power Steering Gear Outlet Pipe/Hose Replacement .
  11. Separate the power steering gear inlet and outlet hoses from the steering gear.
  12. Support the front frame with jackstands as needed.
  13. Remove the left and right side engine mount bolts from the front frame. Refer to Engine Mount Replacement - Left Side and Engine Mount Replacement - Right Side .
  14. Disconnect any electrical harnesses from the front frame as needed.
  15. Disconnect the power steering gear solenoid electrical connector.
  16. Remove the front frame bolts. Refer to Front Frame Replacement .
  17. Slowly lift the vehicle on the hoist until there is enough room to remove the steering gear from the vehicle.

  18. Object Number: 1979005  Size: SH
  19. Remove the steering gear nuts (1) and bolts (2).
  20. Remove the steering gear from the front frame.

Installation Procedure


    Object Number: 1979005  Size: SH
  1. Position the steering gear to the front frame.
  2. Notice: Refer to Fastener Notice in the Preface section.

  3. Install the steering gear nuts (1) and bolts (2).
  4. Tighten
    Tighten the nuts to 85 N·m (63 lb ft).

  5. Slowly lower the vehicle on the hoist while keeping the front frame aligned with the left and right side engine mounts.
  6. Start the engine mount bolts by hand.
  7. Install the front frame bolts. Refer to Front Frame Replacement .
  8. Torque the engine mount bolts. Refer to Engine Mount Replacement - Left Side and Engine Mount Replacement - Right Side .
  9. Connect the power steering gear solenoid electrical connector.
  10. Connect any electrical harnesses to the front frame as needed.
  11. Remove the jackstands from underneath the vehicle.

  12. Object Number: 1301495  Size: SH
  13. Connect the power steering gear inlet and outlet hoses to the steering gear and install the power steering gear inlet pipe bracket bolt.
  14. Tighten
    Tighten the bolt to 22.5 N·m (17 lb ft).

  15. Install any fasteners attaching the power steering gear inlet and outlet hoses to the frame. Refer to Power Steering Gear Inlet Pipe/Hose Replacement and Power Steering Gear Outlet Pipe/Hose Replacement .
  16. Connect the lower control arms to the steering knuckles. Refer to Lower Control Arm Replacement .
  17. Connect the steering linkage outer tie rods to the steering knuckles. Refer to Steering Linkage Outer Tie Rod Replacement .
  18. Connect the lower intermediate steering shaft to the steering gear. Refer to Lower Intermediate Steering Shaft Replacement .
  19. Clean any excess fluid from the vehicle and remove the drain pans.
  20. Install the front compartment lower noise shield. Refer to Front Compartment Lower Noise Shield Replacement .
  21. Install the front air deflector. Refer to Front Air Deflector Replacement .
  22. Remove the engine support fixture. Refer to Engine Support Fixture .
  23. Fill and bleed the power steering system. Refer to Power Steering System Bleeding .
  24. Adjust the front toe. Refer to Front Toe Adjustment .