GM Service Manual Online
For 1990-2009 cars only
Figure 1:

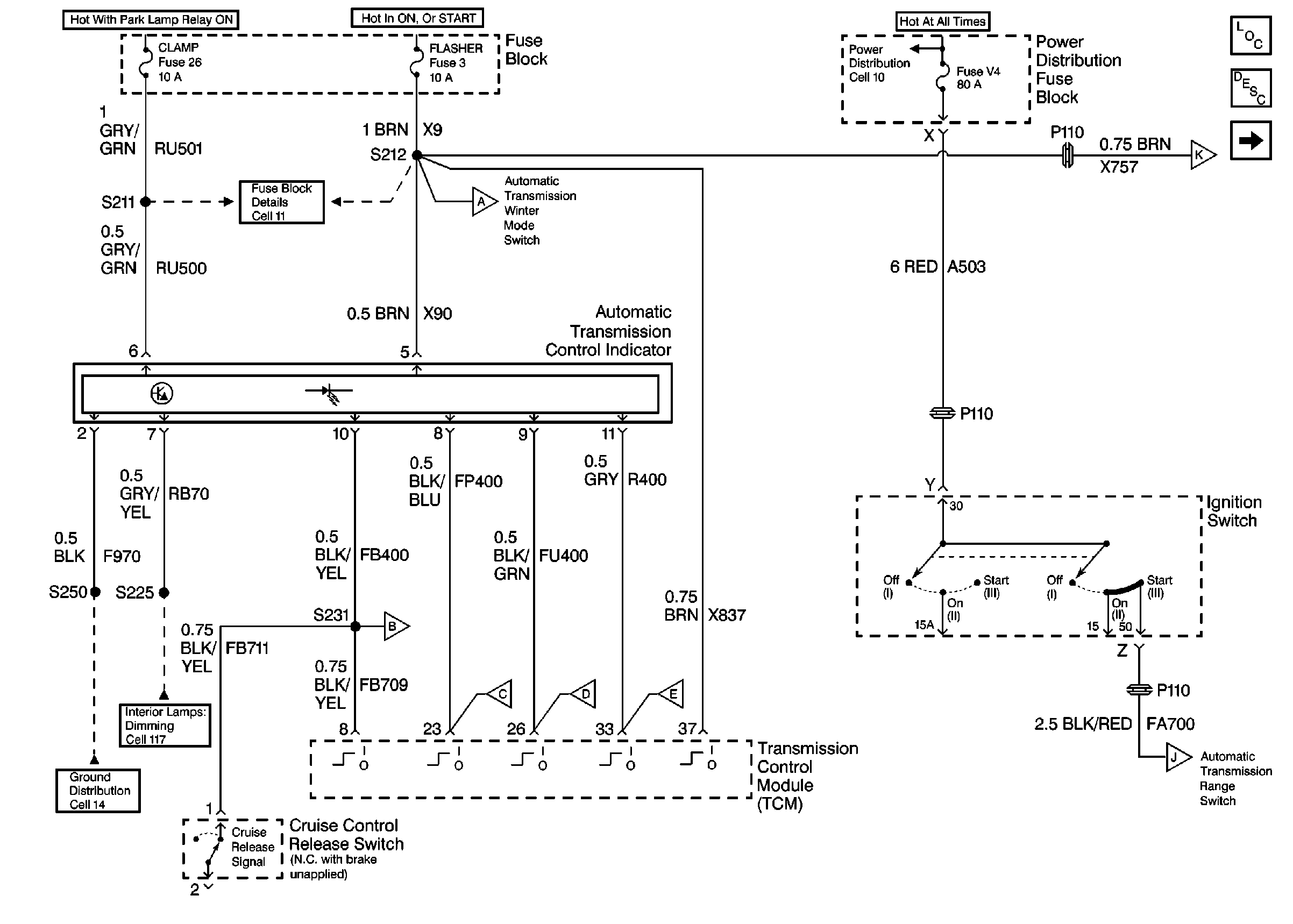
Cell 39: Power, Ignition Switch and Auto Trans. Control Indicator


Object Number: 64233  Size: FS
Automatic Transmission Components
Electronic Component Description
Cell 39: A/T Range Switch
Fuse Block Schematics Schematics
Ground Distribution Schematics
Interior Lights Dimming Schematics
Figure 2:

Cell 39: A/T Range Switch


Object Number: 236582  Size: FS
Automatic Transmission Components
Electronic Component Description
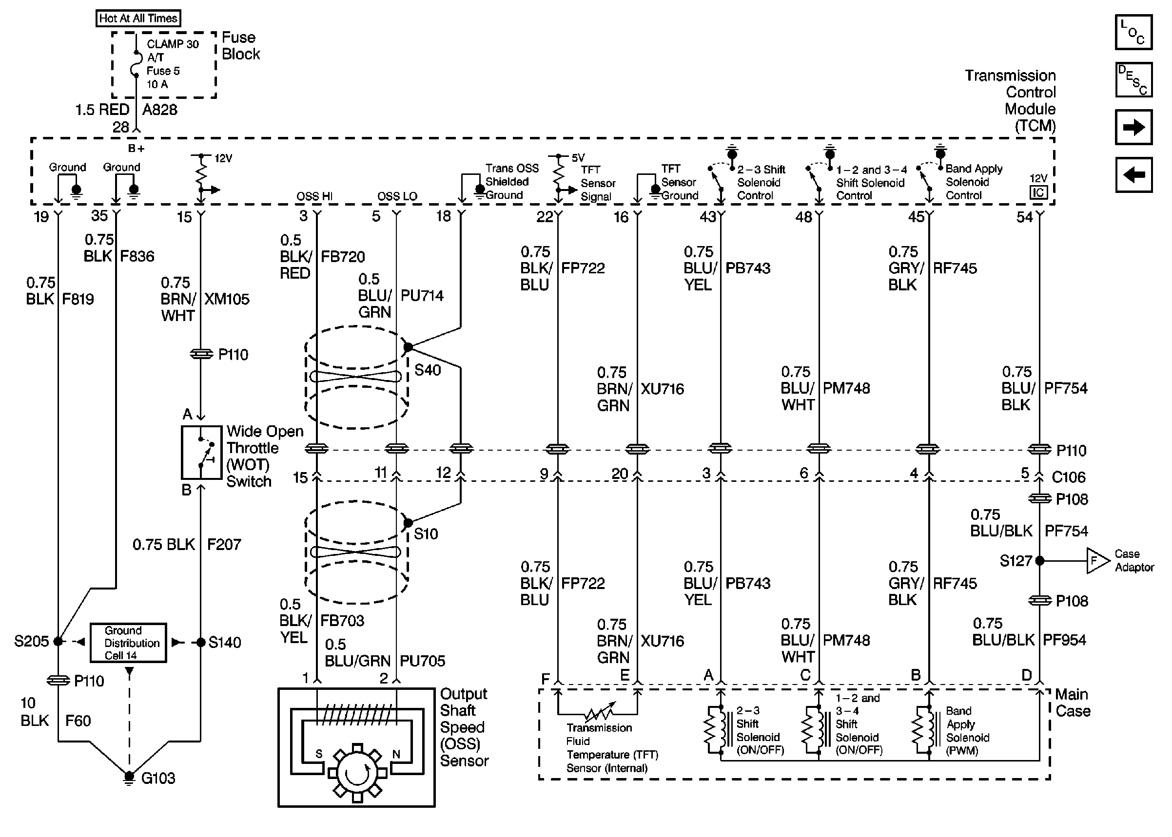
Cell 39: Ground, OSS Sensor and Main Case
Cell 39: Power, Ignition Switch and Auto Trans. Control Indicator
Starting and Charging Schematics
Backup Lamp Schematics
Figure 3:

Cell 39: Ground, OSS Sensor and Main Case


Object Number: 64239  Size: FS
Automatic Transmission Components
Transmission Control Module Inputs/Sensors Description
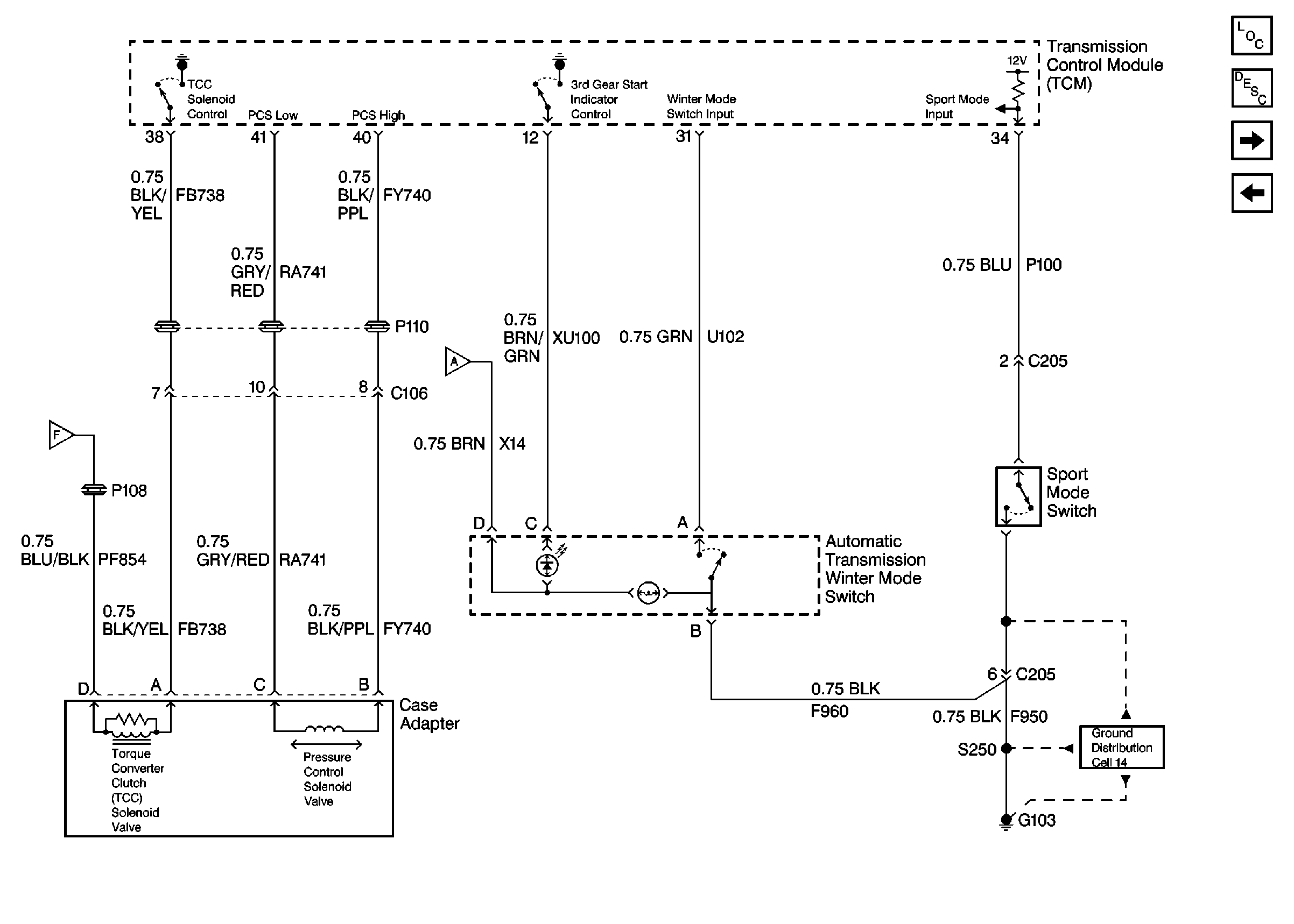
Cell 39: Case Adapter, A/T Winter Mode and Sport Mode Switches
Cell 39: A/T Range Switch
Ground Distribution Schematics
Figure 4:

Cell 39: Case Adapter, A/T Winter Mode and Sport Mode Switches


Object Number: 64244  Size: FS
Automatic Transmission Components
Winter Mode Operation
Cell 39: ECM, DLC and A/C Refrigerant Pressure Switch
Cell 39: Ground, OSS Sensor and Main Case
Shift Lock Control Schematics
Ground Distribution Schematics
Figure 5:

Cell 39 - Automatic Transmission Indicator Controls and EBTCM


Object Number: 294224  Size: FS
Figure 6:

Cell 39: ECM, DLC and A/C Refrigerent Pressure Switch


Object Number: 64250  Size: FS
Automatic Transmission Components
Engine Control Module Description
Cell 39: EBTCM and Instrument Cluster
Cell 39: Case Adapter, A/T Winter Mode and Sport Mode Switches
Data Link Connector Schematics