GM Service Manual Online
For 1990-2009 cars only

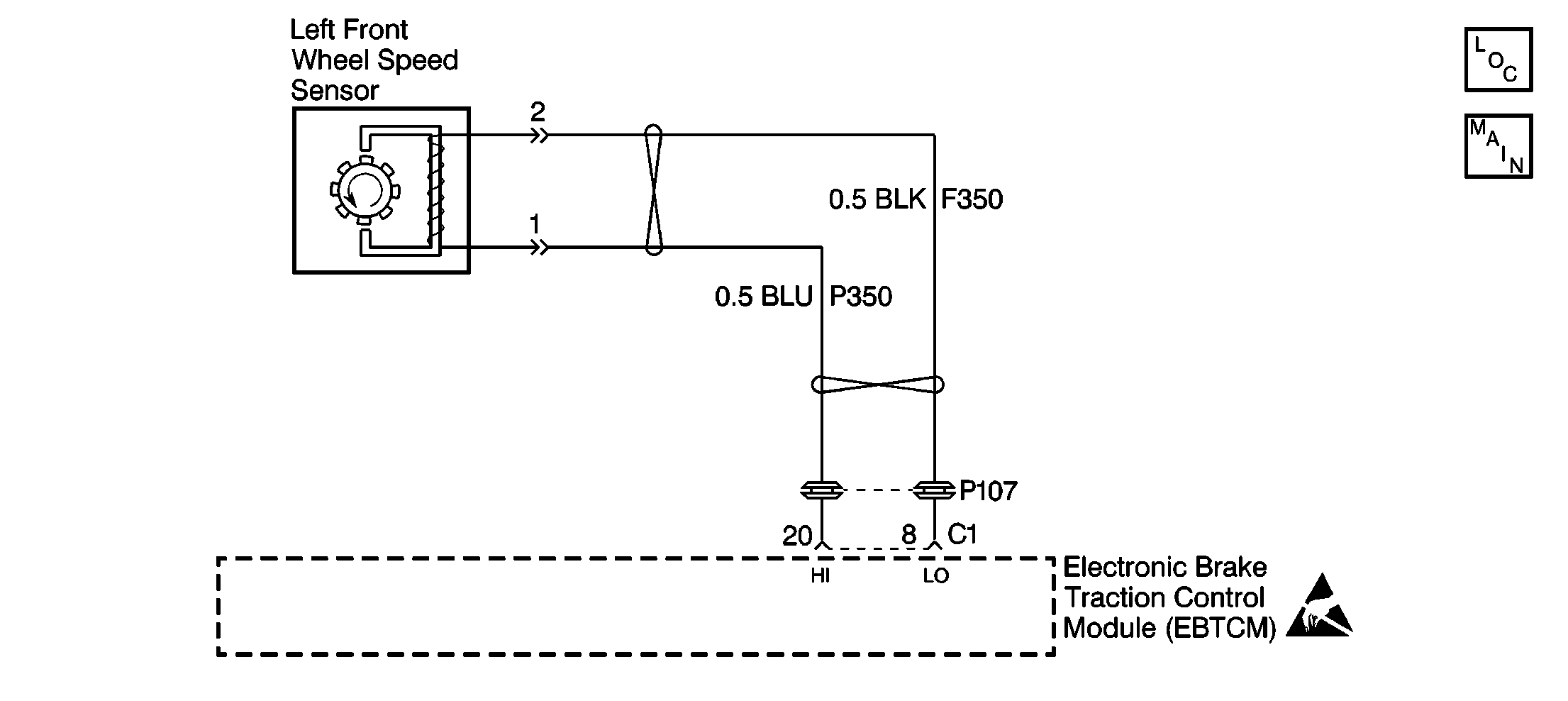
Object Number: 174603  Size: SF
ABS Components
Antilock Brake System Schematics

Circuit Description

The toothed wheel generates a voltage pulse as it moves past the sensor. Each tooth-gap-tooth series on the wheel generates a pulse. The frequency of these pulses is used by the EBTCM to determine wheel speed. The amplitude of the voltage generated in each pulse depends on the air gap between the sensor and the toothed wheel and depends on wheel speed.

Conditions for Setting the DTC

    • There is a short to the voltage or an open in the affected circuit.
    • There is a malfunctioning speed sensor.

The test for this malfunction occurs any time with the ignition switch in the RUN position.

Action Taken When the DTC Sets

    • A malfunction DTC is stored.
    • The ABS and the TC indicator lamps are turned on.
    • The ABS and the TCS are disabled.

Conditions for Clearing the DTC

    • The condition for the DTC is no longer present.
    • The scan tool Clear DTCs function is used.
    • 100 drive cycles have passed with no DTCs detected.

Diagnostic Aids

Be sure the speed sensor wiring is properly routed and properly retained. This will help prevent false signals due to electrical noise being picked up by the wiring.

Perform a thorough inspection of the wiring. Perform a thorough inspection of the connectors. Failure to carefully and fully inspect the wiring and the connectors may result in misdiagnosis. Misdiagnosis causes part replacement with reappearance of the malfunction.

The scan tool can also be used to monitor the wheel speeds during a road test. Watch the wheel speeds being displayed on the scan tool to see if any of the readings are unusual. For example, one sensor varying in speed from the other three or a signal going intermittently high or low, etc.

If the customer's comments reflect that the ABS indicator is on only during moist environmental changes (rain, snow, vehicle wash), inspect all the wheel speed sensor circuitry for signs of water intrusion. If the DTC is not current, clear all DTCs and simulate the effects of water intrusion by using the following procedure:

  1. Spray the suspected area with a 5% saltwater solution.
  2. Add two teaspoons of salt to twelve ounces of water to make a 5% saltwater solution.

  3. Test drive the vehicle over various road surfaces (bumps, turns, etc.) above 24 km/h (15 mph) for at least 30 seconds.
  4. If the DTC returns, replace the suspected harness.

Test Description

The number(s) below refer to the step number(s) on the diagnostic table.

  1. This step checks the integrity of the wheel speed sensor. If the ohms do not fall into the range of the specifications, there is a malfunctioning wheel speed sensor.

  2. Steps 3 and 4 check for an open in the wheel speed sensor circuit.

  3. Steps 5 and 6 check for a short to voltage in the wheel speed sensor circuit.

DTC 41 - Left Front Wheel Speed Sensor Circuit Open or Shorted

Step

Action

Value(s)

Yes

No

1

Was the Diagnostic System Check performed?

--

Go to Step 2

Go to A Diagnostic System Check

2

  1. Disconnect the wheel speed sensor connector.
  2. Use a J 39200 DMM to measure the resistance between terminals 1 and 2 of the wheel speed sensor.

Is the resistance within the specified range?

800-1700 ohms

Go to Step 3

Go to Step 10

3

  1. Disconnect the 25-pin EBTCM harness connector.
  2. Install the J 39700 Universal Breakout Box with a J 39700-250 Cable Adapter to the harness connector only.
  3. Use the J 39200 DMM to measure the resistance between the J 39700 terminal 8 and the wheel speed sensor harness connector terminal 2.

Is the resistance within the specified range?

0-2 ohms

Go to Step 4

Go to Step 11

4

Use a J 39200 DMM to measure the resistance between the J 39700 terminal 20 and the wheel speed sensor harness connector terminal 1.

Is the resistance within the specified range?

0-2 ohms

Go to Step 5

Go to Step 12

5

  1. Turn the ignition switch to the RUN position with the engine off.
  2. Use a J 39200 DMM to measure the voltage between the J 39700 terminal 8 and ground.

Is the voltage within the specified range?

0-2 V

Go to Step 6

Go to Step 13

6

Use a J 39200 DMM to measure the voltage between the J 39700 terminal 20 and ground.

Is the voltage within the specified range?

0-2 V

Go to Step 7

Go to Step 14

7

  1. Turn the ignition switch to the OFF position.
  2. Remove the J 39700 .
  3. Inspect all the connectors and inspect all the terminals for the following:
  4. • Inspect for poor terminal contact.
    • Inspect for corrosion.
  5. Inspect the circuits for damage which may result in the following:
  6. • Inspect for damage which may result in intermittent opens.
    • Inspect for damage which may result in shorts to ground.
    • Inspect for damage which may result in shorts to voltage.

Are the following signs evident:

    • Is poor terminal contact evident?
    • Is corrosion evident?
    • Is damage evident?

--

Go to Step 15

Go to Step 8

8

  1. Reconnect all the connectors.
  2. Disconnect the scan tool if the scan tool is connected.
  3. Test drive the vehicle above 40 km/h (25 mph) for at least 30 seconds.

Did DTC 41 reset?

--

Go to Step 9

Go to A Diagnostic System Check

9

Replace the EBTCM. Refer to EBTCM Replacement .

Is the repair complete?

--

Go to A Diagnostic System Check

--

10

Replace the wheel speed sensor. Refer to Wheel Speed Sensor Replacement (Front) .

Is the repair complete?

--

Go to A Diagnostic System Check

--

11

Repair an open in CKT F350. Refer to Wiring Repairs in Wiring Systems.

Is the repair complete?

--

Go to A Diagnostic System Check

--

12

Repair an open in CKT P350. Refer to Wiring Repairs in Wiring Systems.

Is the repair complete?

--

Go to A Diagnostic System Check

--

13

Repair a short to voltage in CKT F350. Refer to Wiring Repairs in Wiring Systems.

Is the repair complete?

--

Go to A Diagnostic System Check

--

14

Repair a short to voltage in CKT P350. Refer to Wiring Repairs in Wiring Systems.

Is the repair complete?

--

Go to A Diagnostic System Check

--

15

Replace all the terminals or replace all the connectors that exhibit the following signs:

    • Replace the connectors that exhibit signs of poor terminal contact.
    • Replace the connectors that exhibit signs of corrosion.
    • Replace the connectors that exhibit signs of damaged terminals.

Refer to Connector Repairs or Repairing Connector terminals in Wiring Systems.

Is the repair complete?

--

Go to A Diagnostic System Check

--