GM Service Manual Online
For 1990-2009 cars only
Figure 1:

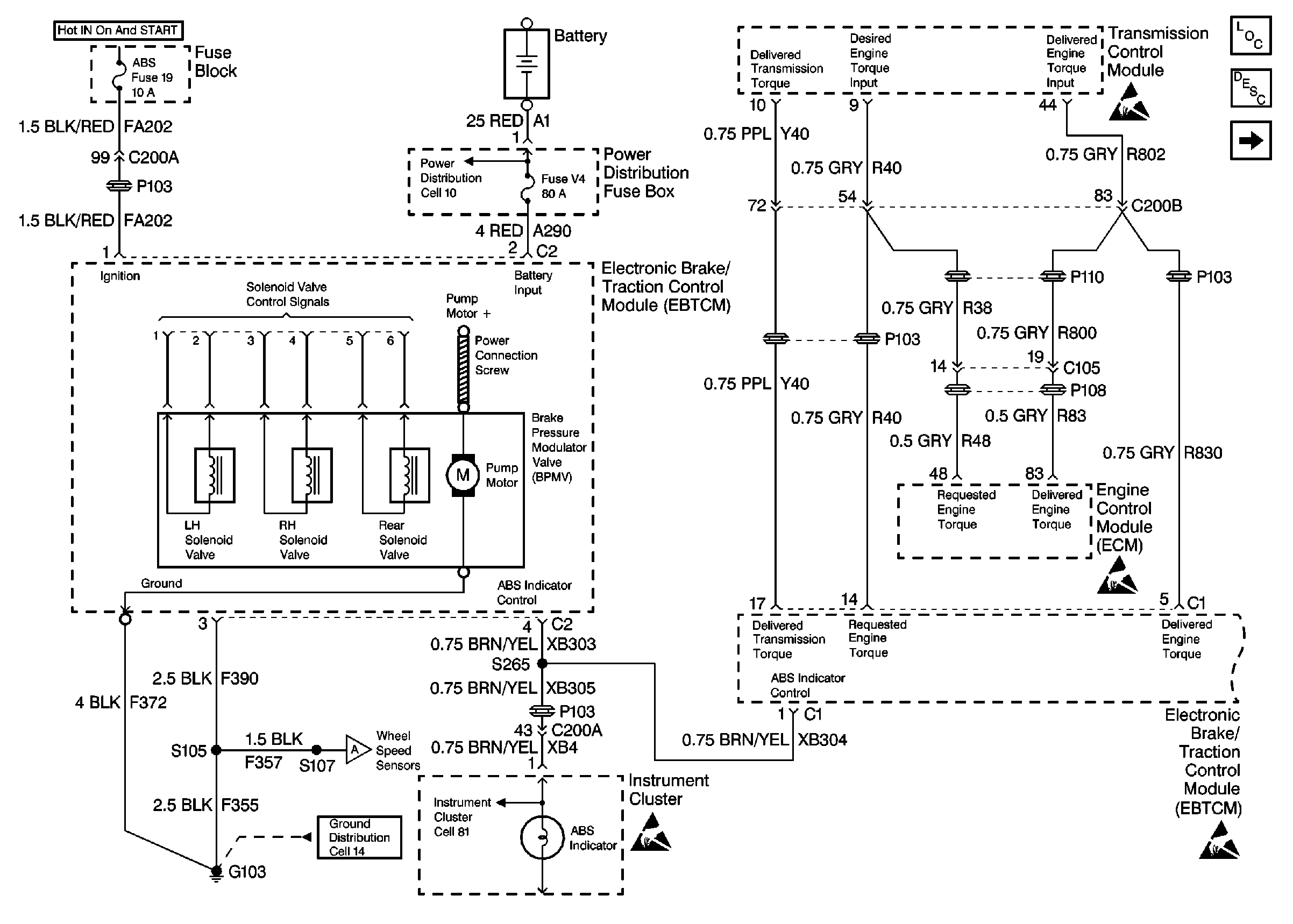
Cell 44 Brake Pressure Modulator Valve (BPMV)


Object Number: 200613  Size: FS
ABS Components
ABS/TCS System Description
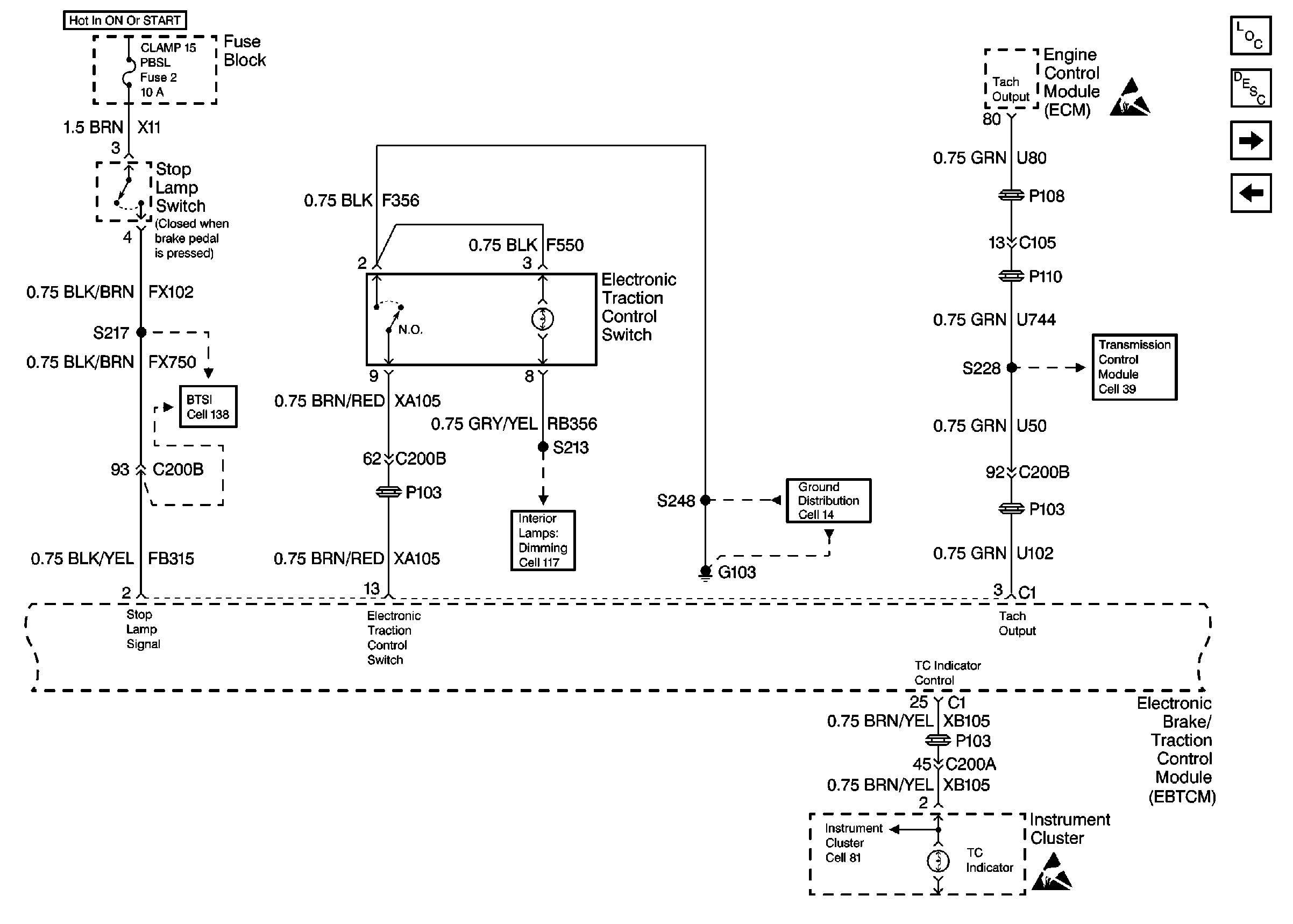
Cell 44 Electronic Traction Control Switch and Tach Output
Ground Distribution Schematics
Figure 2:

Cell 44 Electronic Traction Control Switch and Tach Output


Object Number: 200619  Size: FS
ABS Components
ABS/TCS System Description
Cell 44 Vehicle Speed Signal
Cell 44 Brake Pressure Modulator Valve (BPMV)
Shift Lock Control Schematics
Interior Lights Schematics
Ground Distribution Schematics
Automatic Transmission Controls Schematics
Figure 3:

Cell 44 Vehicle Speed Signal


Object Number: 200622  Size: FS
ABS Components
ABS/TCS System Description
Cell 44 Front and Rear Wheel Speed Sensors
Cell 44 Electronic Traction Control Switch and Tach Output
Data Link Connector Schematics
Figure 4:

Cell 44 Front and Rear Wheel Speed Sensors


Object Number: 200623  Size: FS
ABS Components
ABS/TCS System Description
Cell 44 Vehicle Speed Signal