GM Service Manual Online
For 1990-2009 cars only
Makes
🢒
Cadillac
🢒
1997
🢒
Catera
🢒
Steering
🢒
Steering Wheel and Column - Tilt
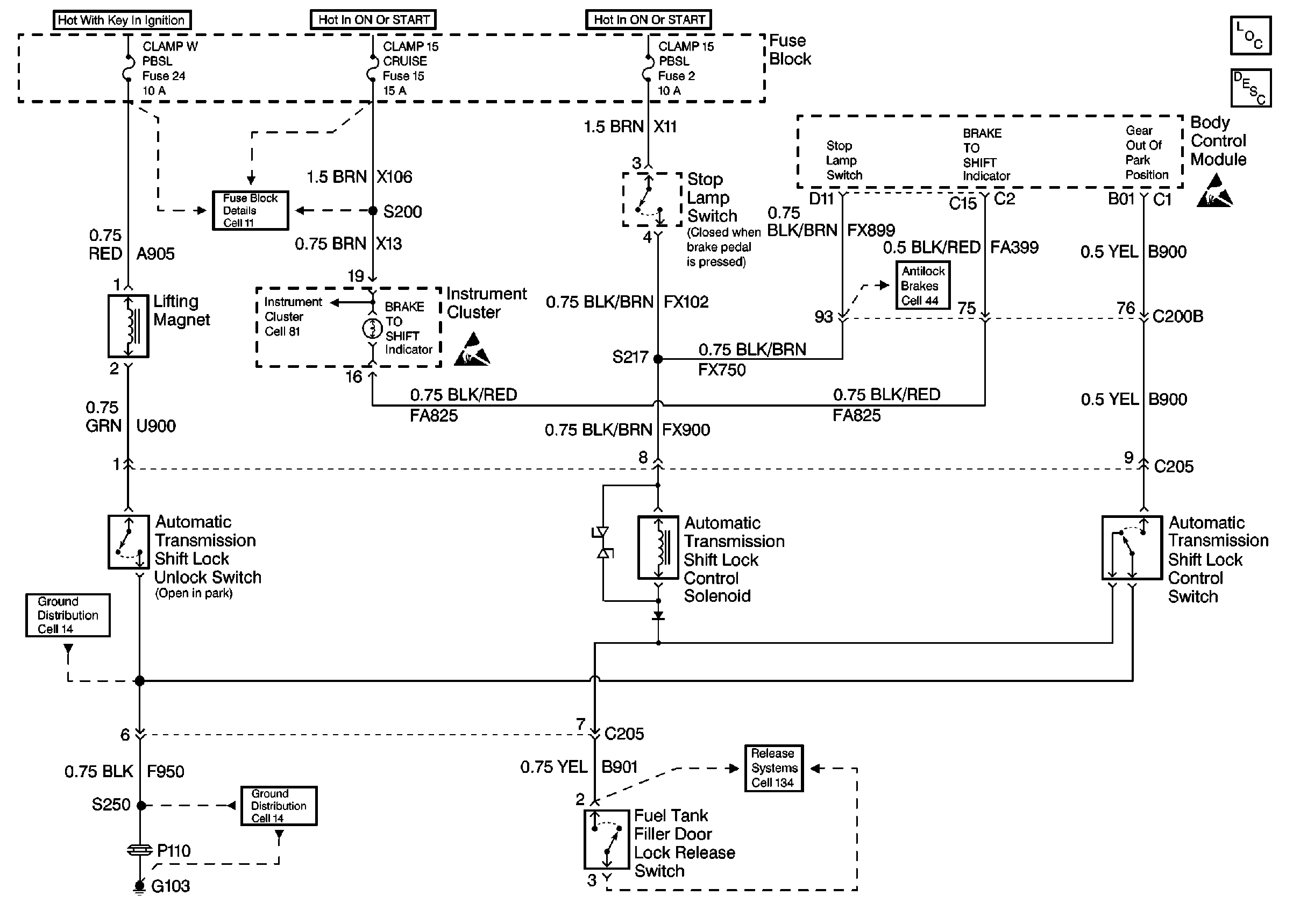
🢒 Shift Lock Control Schematics
Cell 138
Brake Transmission Shift Interlock Components
Automatic Transmission Shift Lock Control Circuit Description
Fuse Block Schematics Schematics
Antilock Brake System Schematics
Release Systems Schematics
Ground Distribution Schematics