GM Service Manual Online
For 1990-2009 cars only
Makes
🢒
Cadillac
🢒
1998
🢒
Catera
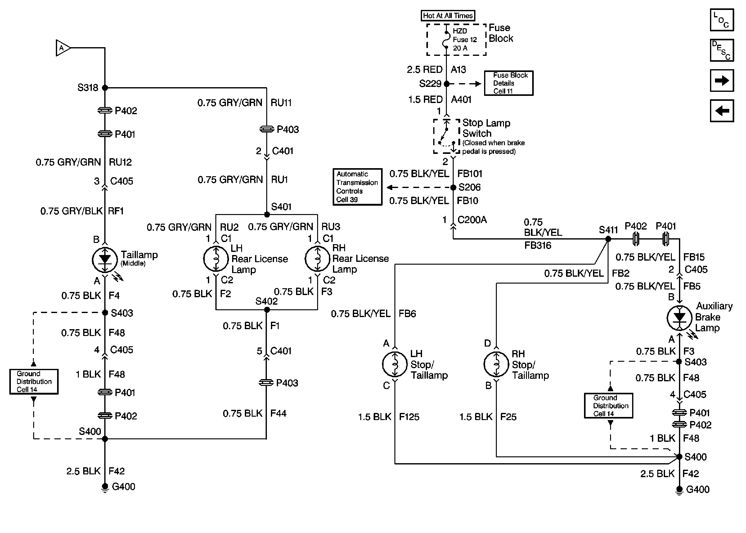
🢒 Cell 110 Stop Lamp Switch, Stop/Taillamps, and Rear License Lamps (MY97 ONLY)
Cell 110 Stop Lamp Switch, Stop/Taillamps, and Rear License Lamps (MY97 ONLY)
Cell 110 Stop Lamp Switch, Stop/Taillamps, and Rear License Lamps (MY 97 ONLY)
Lighting Systems Components
Lighting System Description
Cell 110 Hazard Warning Switch, Turn Signal Switch and Instrument Cluster
Cell 110 Park/Turn Signal Lamps, Front and Rear Side Marker Lamps, and Stop/Taillamps
Fuse Block Schematics Schematics
Interior Lights Schematics
Ground Distribution Schematics
Ground Distribution Schematics