GM Service Manual Online
For 1990-2009 cars only
Figure 1:

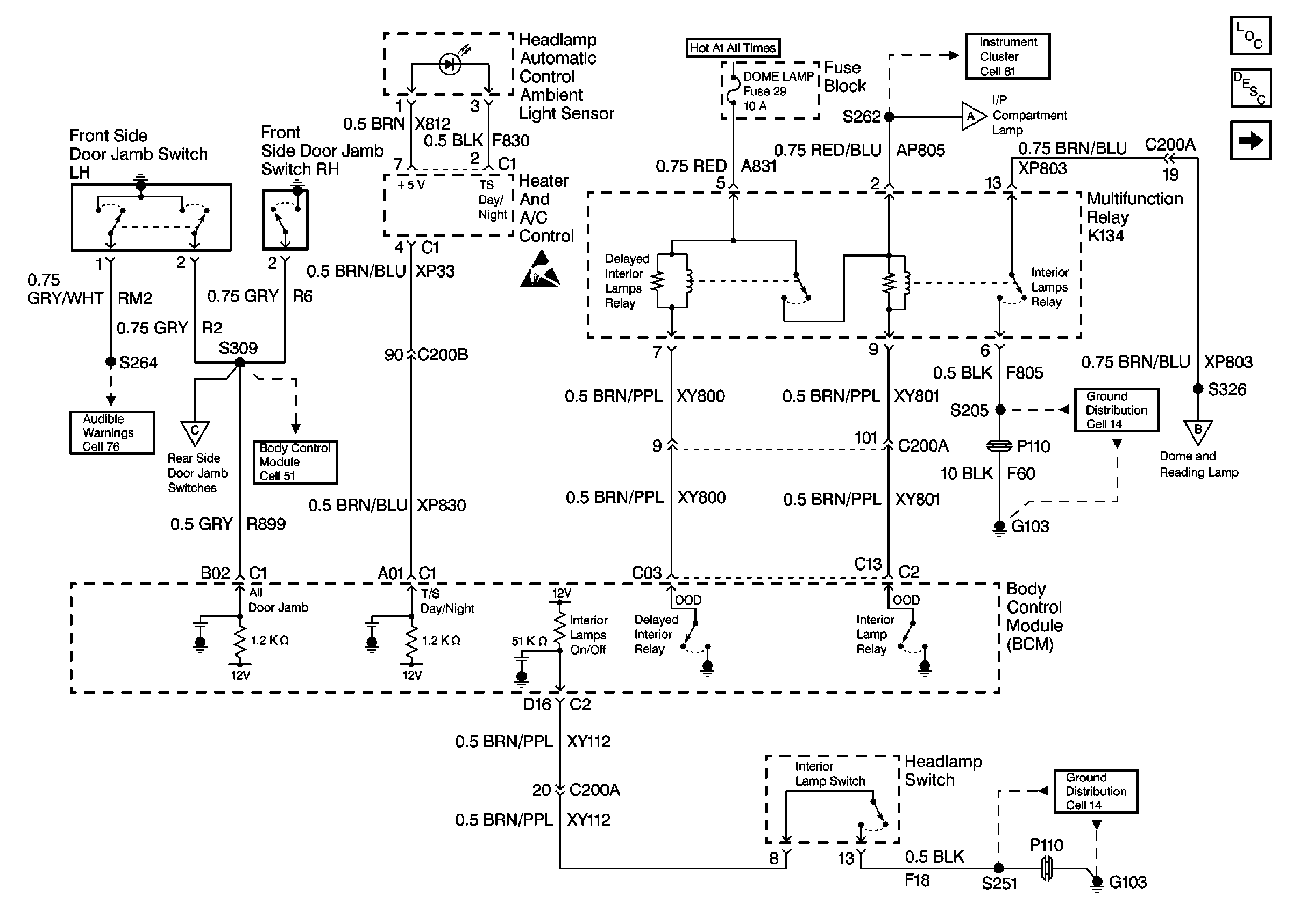
Cell 114 BCM, Multifunction Relay K134, and LH Front Side Door Jamb Switch


Object Number: 241896  Size: FS
Lighting Systems Components
Interior Lights Circuit Description
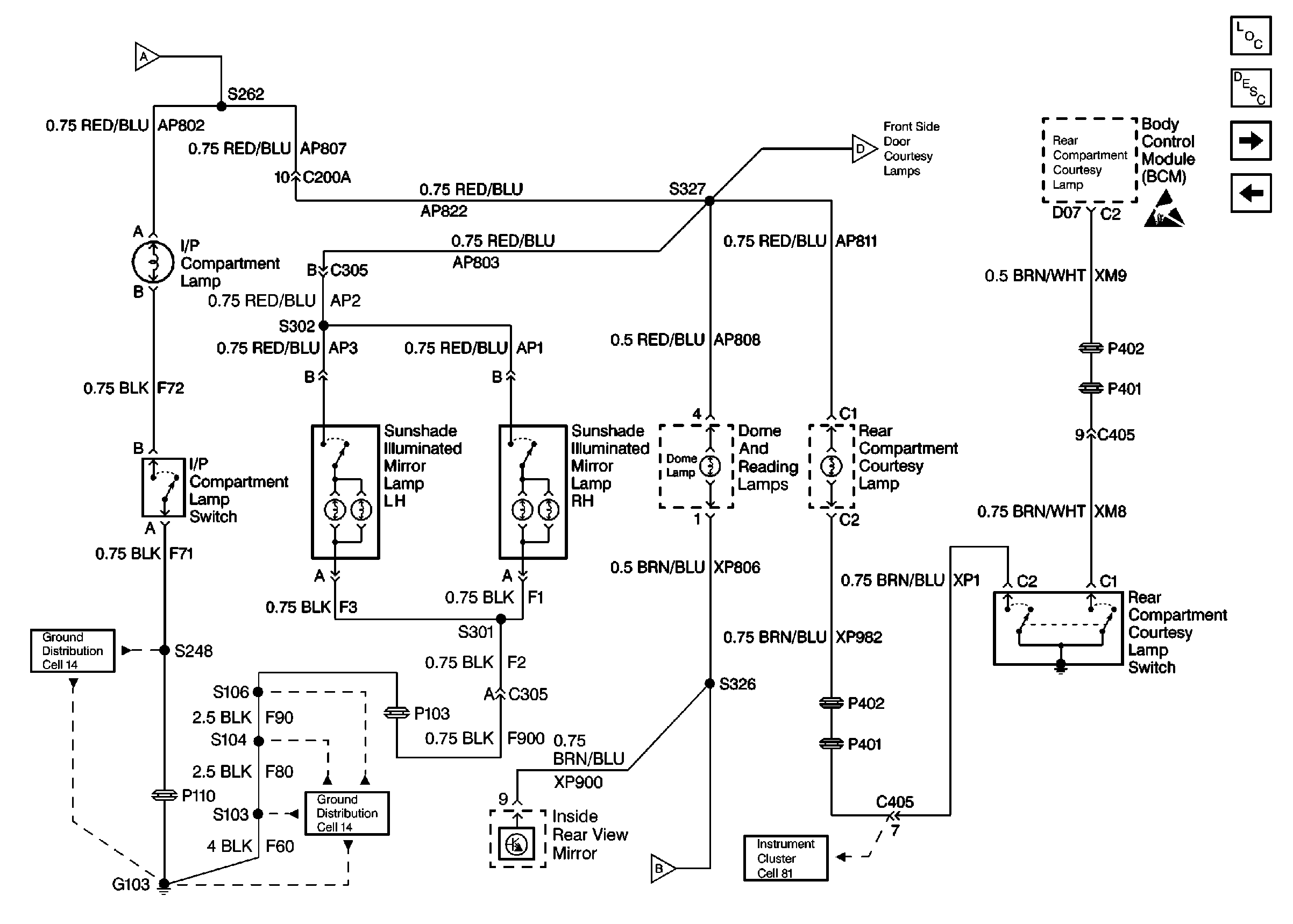
Cell 114 Sunshade Mirror Lamps, Dome and Reading Lamps, and I/P Compartment Lamp
Audible Warnings Schematics
Body Control System Schematics
Instrument Cluster: Analog Schematics
Ground Distribution Schematics
Ground Distribution Schematics
Figure 2:

Cell 114 Sunshade Mirror Lamps, Dome and Reading Lamps, and I/P Compartment Lamp


Object Number: 241897  Size: FS
Lighting Systems Components
Interior Lights Circuit Description
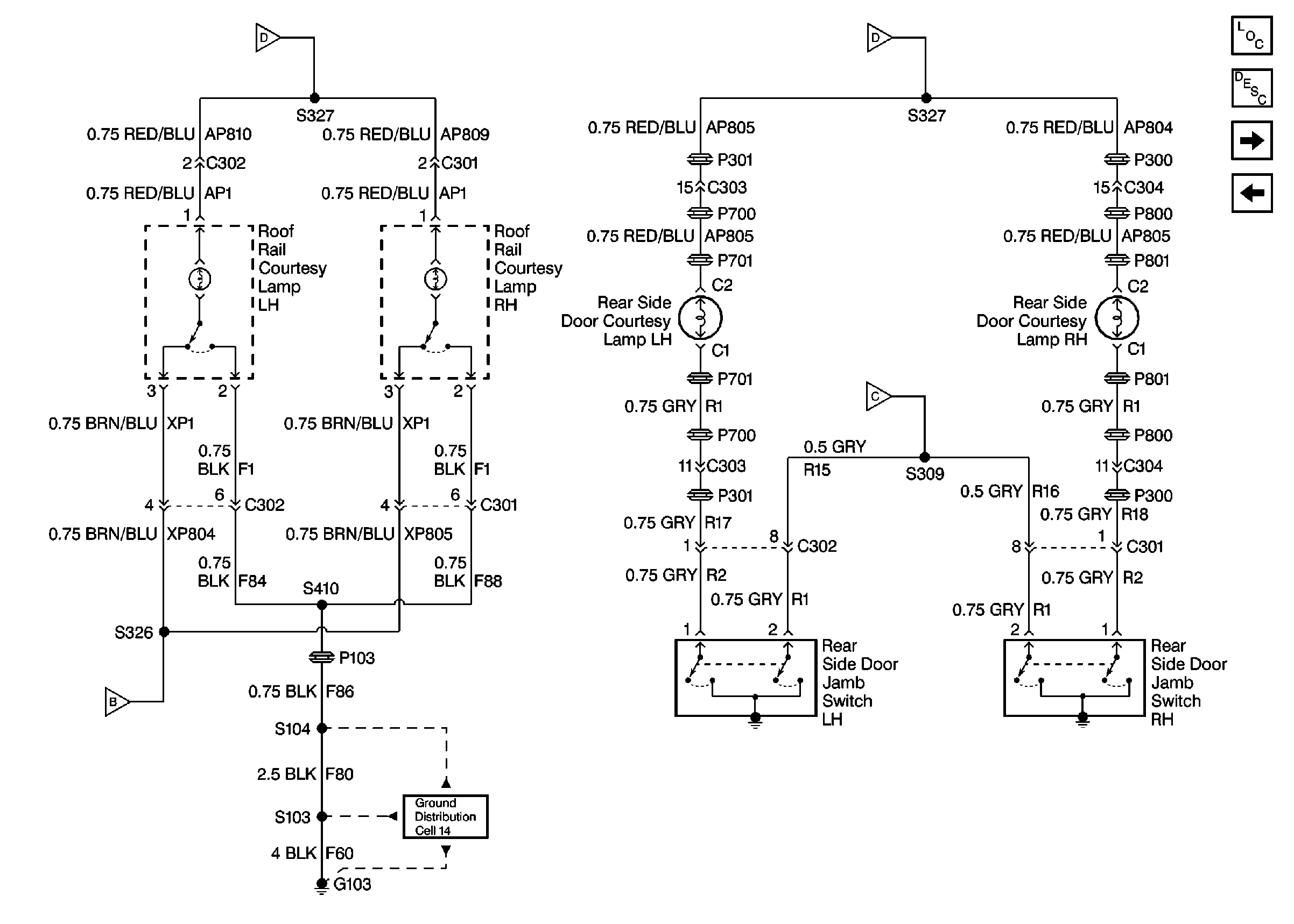
Cell 114 Roof Rail Courtesy Lamps and Rear Side Door Jamb Switches
Cell 114 BCM, Multifunction Relay K134, and LH Front Side Door Jamb Switch
Ground Distribution Schematics
Ground Distribution Schematics
Instrument Cluster: Analog Schematics
Figure 3:

Cell 114 Roof Rail Courtesy Lamps and Rear Side Door Jamb Switches


Object Number: 241899  Size: FS
Lighting Systems Components
Interior Lights Circuit Description
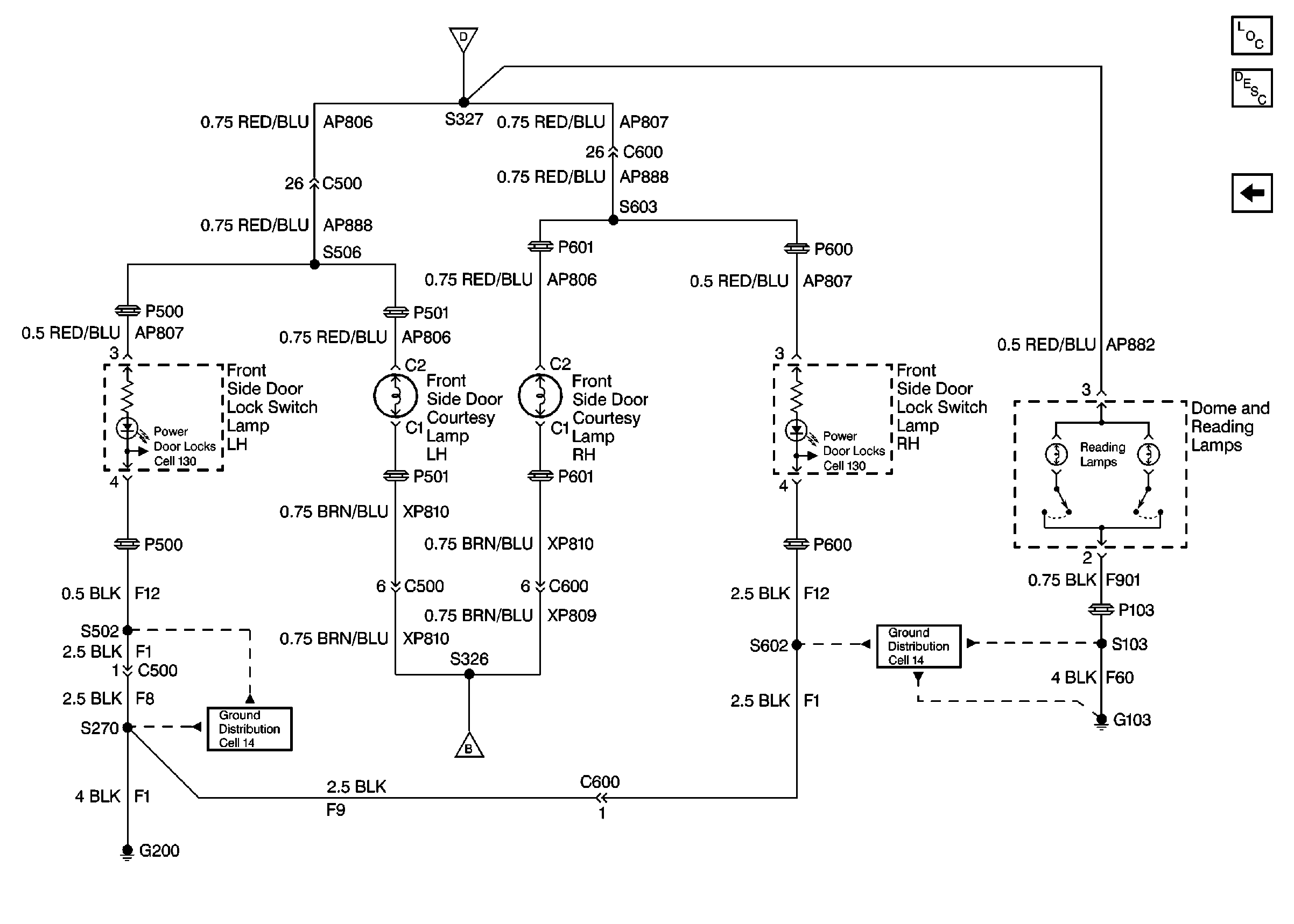
Cell 114 Courtesy Lamps and Front Side Door Lock Switch Lamps
Cell 114 Sunshade Mirror Lamps, Dome and Reading Lamps, and I/P Compartment Lamp
Ground Distribution Schematics
Figure 4:

Cell 114 Courtesy Lamps and Front Side Door Lock Switch Lamps


Object Number: 241900  Size: FS
Lighting Systems Components
Interior Lights Circuit Description
Cell 114 Roof Rail Courtesy Lamps and Rear Side Door Jamb Switches
Ground Distribution Schematics
Ground Distribution Schematics