GM Service Manual Online
For 1990-2009 cars only
Makes
🢒
Cadillac
🢒
1998
🢒
Catera
🢒
Body and Accessories
🢒
Instrument Panel, Gauges, and Console
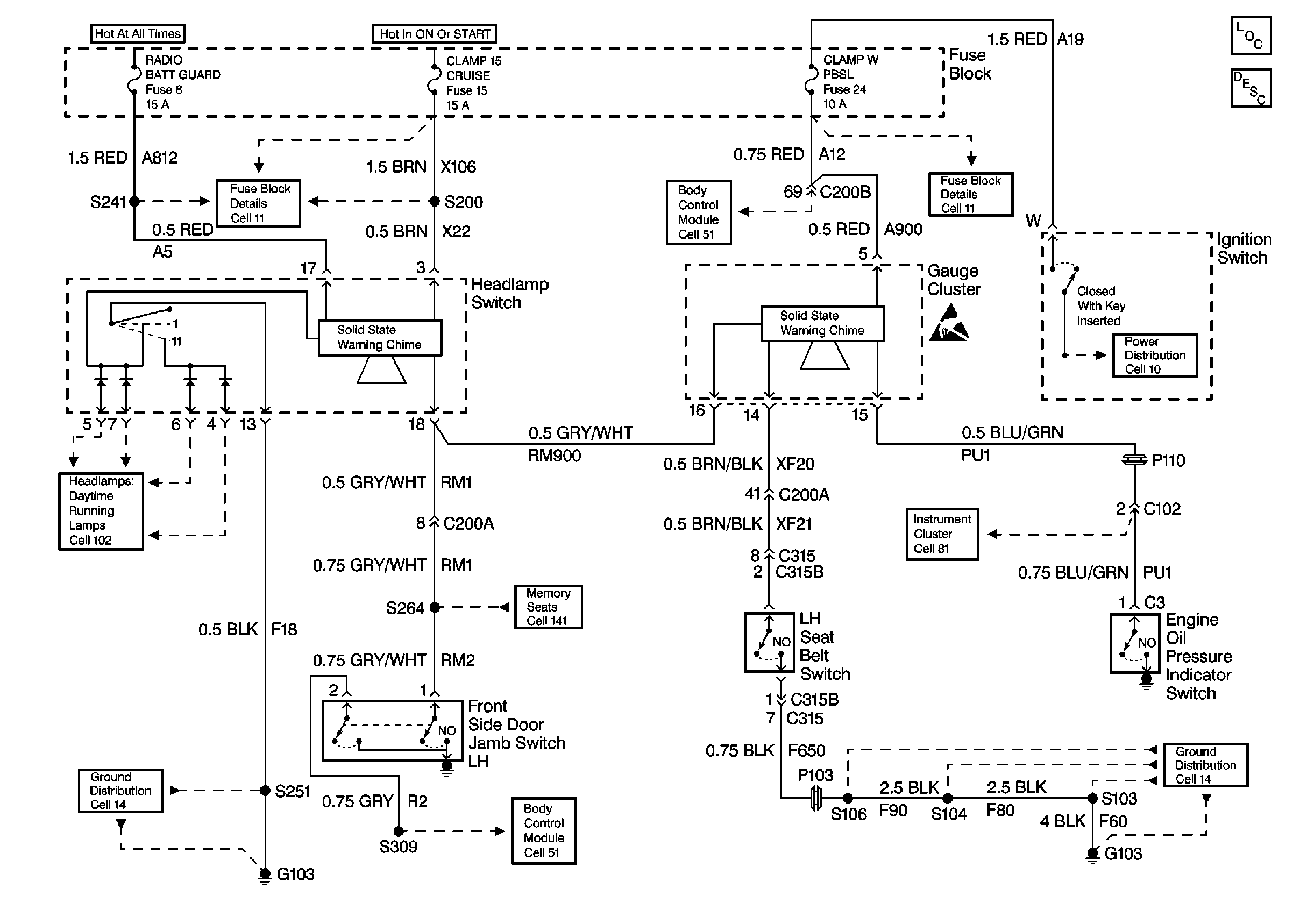
🢒 Audible Warnings Schematics
Cell 76
Audible Warnings Components
Audible Warnings Circuit Description
Fuse Block Schematics Schematics
Body Control System Schematics
Body Control System Schematics
Headlights/Daytime Running Lights (DRL) Schematics
Memory Seats Schematics
Instrument Cluster: Analog Schematics
Ground Distribution Schematics
Ground Distribution Schematics