GM Service Manual Online
For 1990-2009 cars only
Makes
🢒
Cadillac
🢒
1998
🢒
Catera
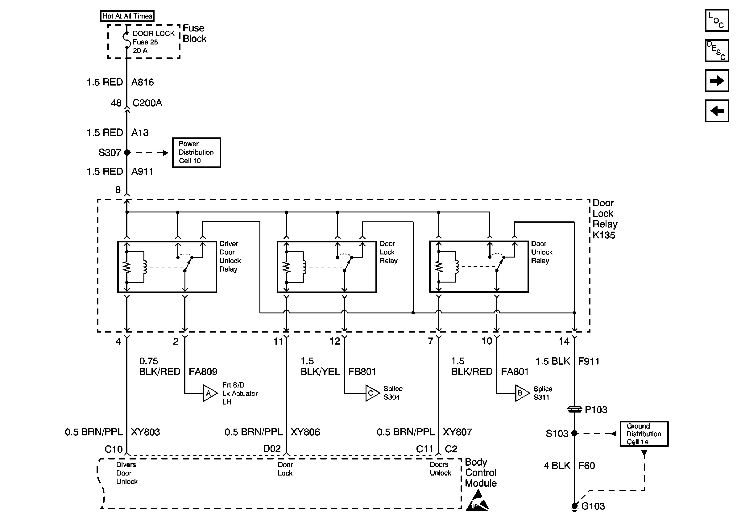
🢒 (Power Door Lock Schematics) Cell 130/131 Fuse Block, BCM and Door Lock Relay K135
(Power Door Lock Schematics) Cell 130/131 Fuse Block, BCM and Door Lock Relay K135
(Power Door Lock Schematics) Cell 130/131 Fuse Block, BCM and Door Lock Relay K135
Power Door Systems Components
Power Door Locks Circuit Description
(Power Door Lock Schematics) Cell 130/131 LH and RH Front and Rear Side Door Actuators
(Power Door Lock Schematics) Cell 130 LH and RH Front Side Door Lock Switches and BCM
(Power Door Lock Schematics) Cell 130/131 LH and RH Front and Rear Side Door Actuators
(Power Door Lock Schematics) Cell 130/131 LH and RH Front and Rear Side Door Actuators
(Power Door Lock Schematics) Cell 130/131 LH and RH Front and Rear Side Door Actuators
Cell 14 Door Lock Relay K135, ALC Sensor, and EBTCM