GM Service Manual Online
For 1990-2009 cars only
Makes
🢒
Cadillac
🢒
1998
🢒
Catera
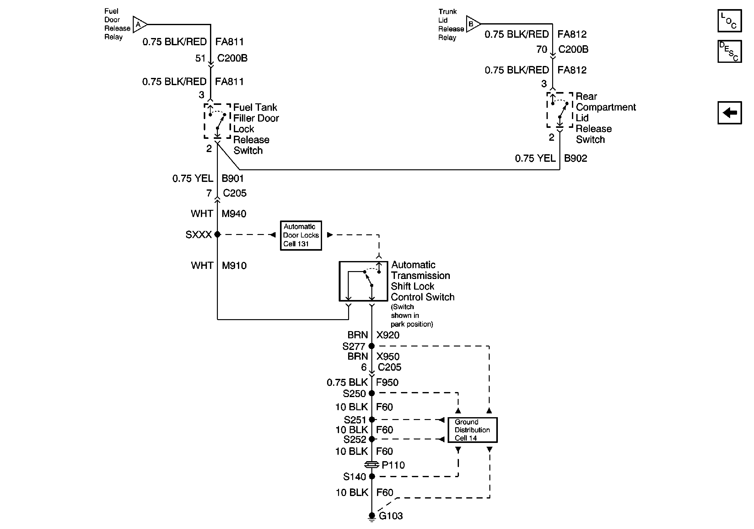
🢒 Cell 134 Fuel Tank Filler Door Lock Release Switch, Rear CompartmenT Lid Release Switch,
Cell 134 Fuel Tank Filler Door Lock Release Switch, Rear CompartmenT Lid Release Switch,
Cell 134 Fuel Tank Filler Door Lock Release Switch, Rear Compartment Lid Release Switch,
Body Rear End Components
Rear Compartment Lid Release Circuit Description
Cell 134 Door Lock Relay, BCM, Fuel Tank Filler Door Lock Actuator, Rear Compartment Acuator
Cell 134 Door Lock Relay, BCM, Fuel Tank Filler Door Lock Actuator, Rear Compartment Acuator
Cell 134 Door Lock Relay, BCM, Fuel Tank Filler Door Lock Actuator, Rear Compartment Acuator
(Automatic Door Lock Schematics) Cell 131 Stop Lamp Switch, BCM, and Transmission Control Selector Switch
Ground Distribution Schematics