GM Service Manual Online
For 1990-2009 cars only
Figure 1:

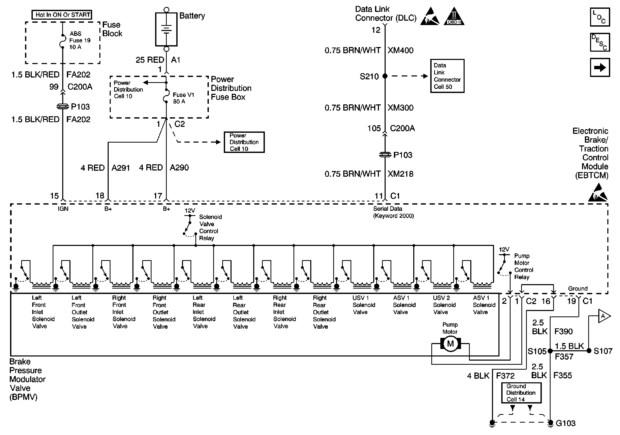
Cell 44 EBTCM Power and Ground, BPMV, and DLC


Object Number: 372151  Size: FS
ABS Components
ABS Description
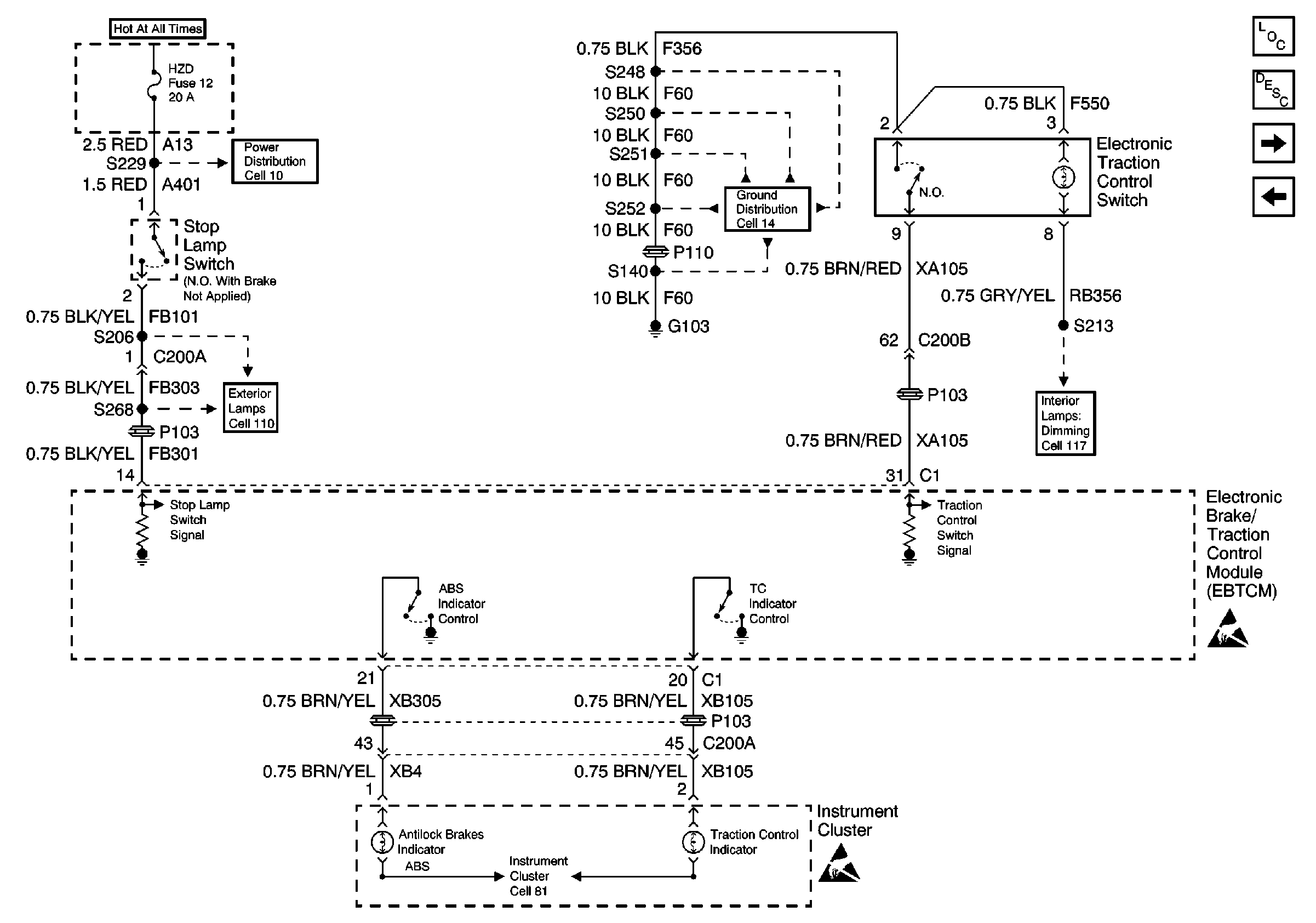
Cell 44 Electronic Traction Control Switch and Instrument Cluster
Parking Pawl, Actuator Assembly and Manual Shaft
Ground Distribution Schematics
Cell 50 ALC Sensor, Cruise Control Module, EBTCM, and Heater and A/C Control
Cell 44 EBTCM and Wheel Speed Sensors
Handling Electrostatic Discharge Sensitive Parts Notice
Handling Electrostatic Discharge Sensitive Parts Notice
Figure 2:

Cell 44 Electronic Traction Control Switch and Instrument Cluster


Object Number: 372177  Size: FS
ABS Components
ABS Description
Cell 44 EBTCM, Can Buss, ECM, and Vehicle Speed Signal
Cell 44 EBTCM Power and Ground, BPMV, and DLC
Cell 10 Fuse Block, LH and RH Outside Rear View Mirro, DLC, and Gauge Cluster
Ground Distribution Schematics
Cell 110 Cornering Lamps, Stop/Tailamps, Auxiliary Brake Lamp
Cell 117 Headlamp Switch, Rear Seat Heater Switches, and Radio
Handling Electrostatic Discharge Sensitive Parts Notice
Handling Electrostatic Discharge Sensitive Parts Notice
Figure 3:

Cell 44 EBTCM, Can Buss, ECM, and Vehicle Speed Signal


Object Number: 372179  Size: FS
ABS Components
ABS Description
Cell 44 EBTCM and Wheel Speed Sensors
Cell 44 Electronic Traction Control Switch and Instrument Cluster
Handling Electrostatic Discharge Sensitive Parts Notice
Handling Electrostatic Discharge Sensitive Parts Notice
Handling Electrostatic Discharge Sensitive Parts Notice
Handling Electrostatic Discharge Sensitive Parts Notice
Handling Electrostatic Discharge Sensitive Parts Notice
Handling Electrostatic Discharge Sensitive Parts Notice
Figure 4:

Cell 44 EBTCM and Wheel Speed Sensors


Object Number: 372188  Size: FS
ABS Components
ABS Description
Cell 44 EBTCM, Can Buss, ECM, and Vehicle Speed Signal
Handling Electrostatic Discharge Sensitive Parts Notice
Cell 44 EBTCM Power and Ground, BPMV, and DLC
Cell 44 EBTCM Power and Ground, BPMV, and DLC
Cell 44 EBTCM Power and Ground, BPMV, and DLC
Cell 44 EBTCM Power and Ground, BPMV, and DLC