GM Service Manual Online
For 1990-2009 cars only
Makes
🢒
Cadillac
🢒
1999
🢒
Catera
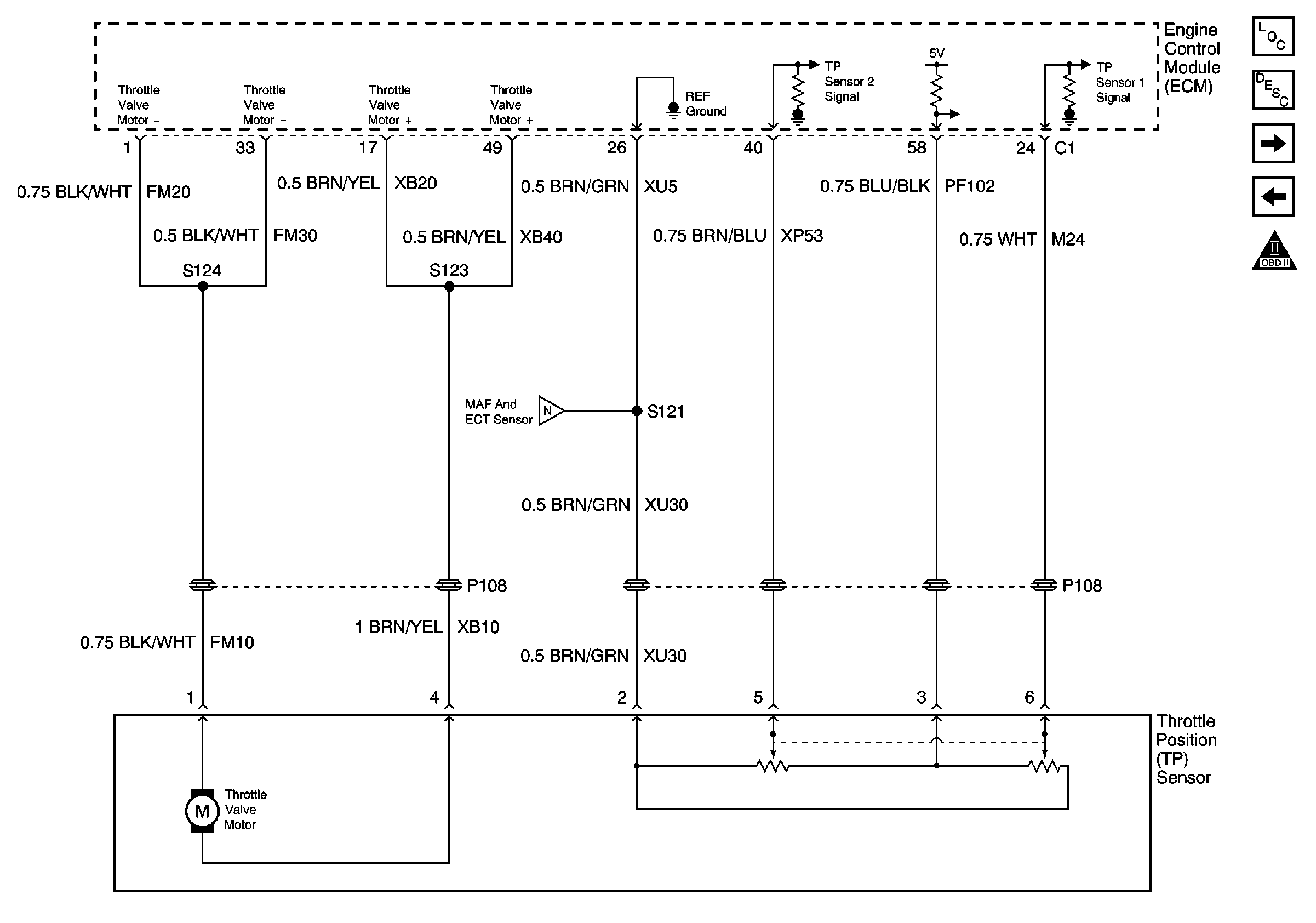
🢒 Cell 20: Throttle Position (TP) Sensor
Cell 20: Throttle Position (TP) Sensor
Cell 20: Throttle Position (TP) Sensor
Engine Controls Components
Information Sensors
Cell 20: Accelerator Pedal Position (APP) Sensor
Cell 20: EVAP Tank, Purge and Intake Plenum, Resonance Sol. Valves
Engine Controls Schematic Icons
Cell 20: Air Injection Pump, MAF and ECT Sensors