GM Service Manual Online
For 1990-2009 cars only
Makes
🢒
Cadillac
🢒
2001
🢒
Catera
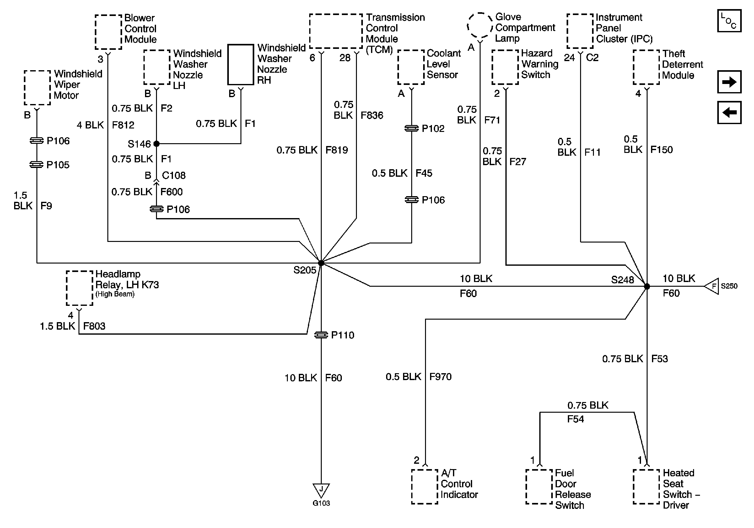
🢒 G103 (6 of 8)
G103 (6 of 8)
G103, S205, S248, S146
Master Electrical Component List
G103 (7 of 8)
G103 (5 of 8)
G103 (7 of 8)
G103 (1 of 8)