GM Service Manual Online
For 1990-2009 cars only
Makes
🢒
Cadillac
🢒
2001
🢒
Catera
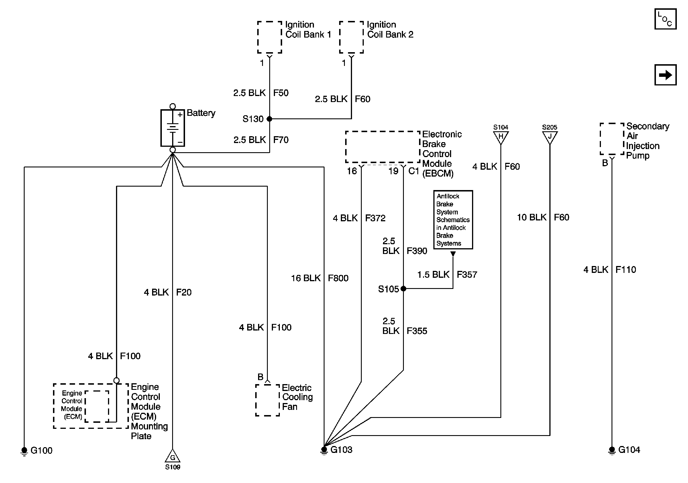
🢒 G103 (1 of 8)
G103 (1 of 8)
G100, G103, S105, G104
Master Electrical Component List
G103 (2 of 8)
G103 (3 of 8)
G103 (6 of 8)
EBCM Power and Ground, BPMV and Serial Data
G103 (2 of 8)