GM Service Manual Online
For 1990-2009 cars only
Makes
🢒
Cadillac
🢒
2001
🢒
Catera
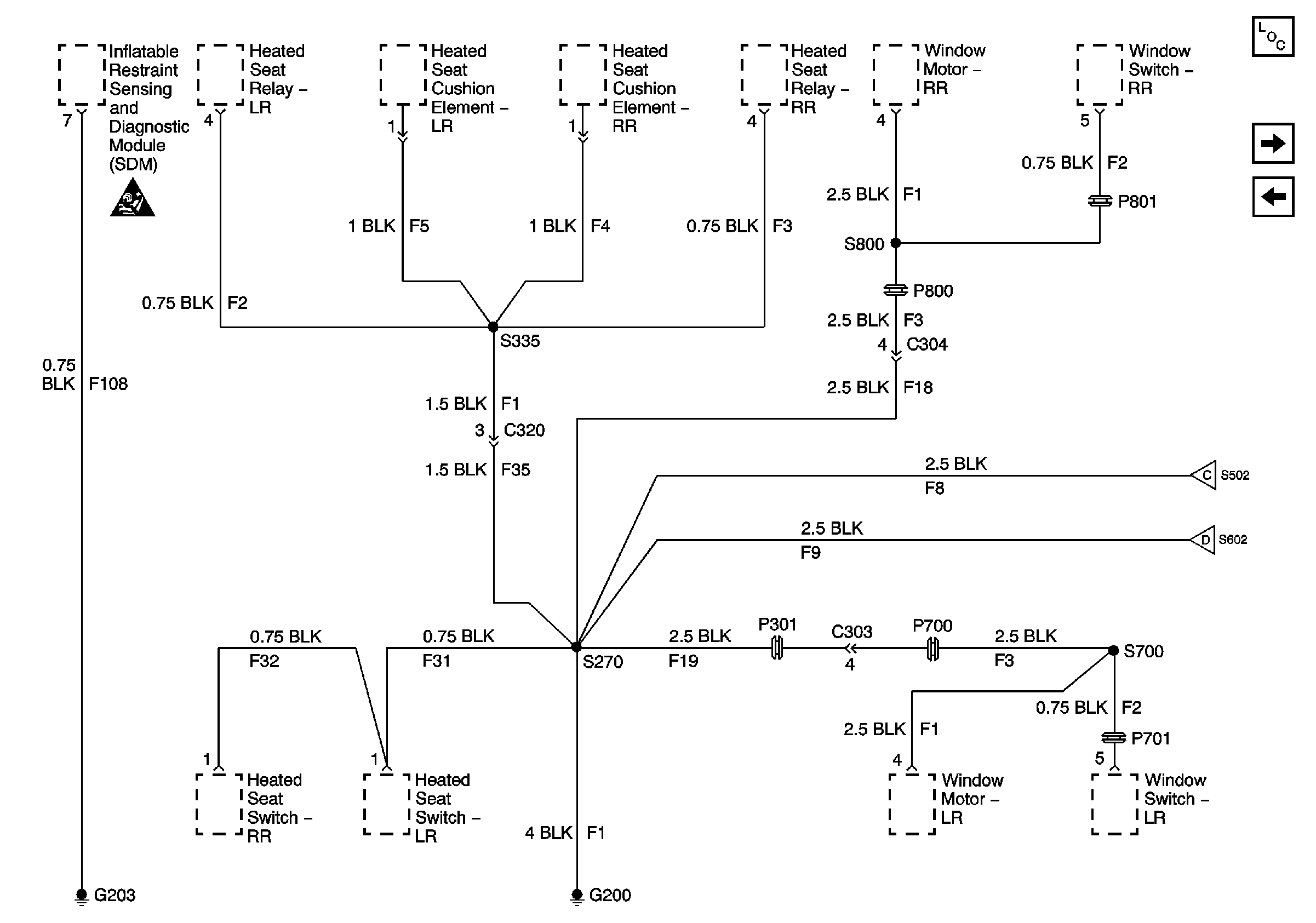
🢒 G200 (1 of 2) and G203
G200 (1 of 2) and G203
G200, S270, S335, S800, S700, G203
Master Electrical Component List
G200 (2 of 2)
G103 (8 of 8)
G200 (2 of 2)
G200 (2 of 2)