GM Service Manual Online
For 1990-2009 cars only
Makes
🢒
Cadillac
🢒
2001
🢒
Catera
🢒 G200 (2 of 2)
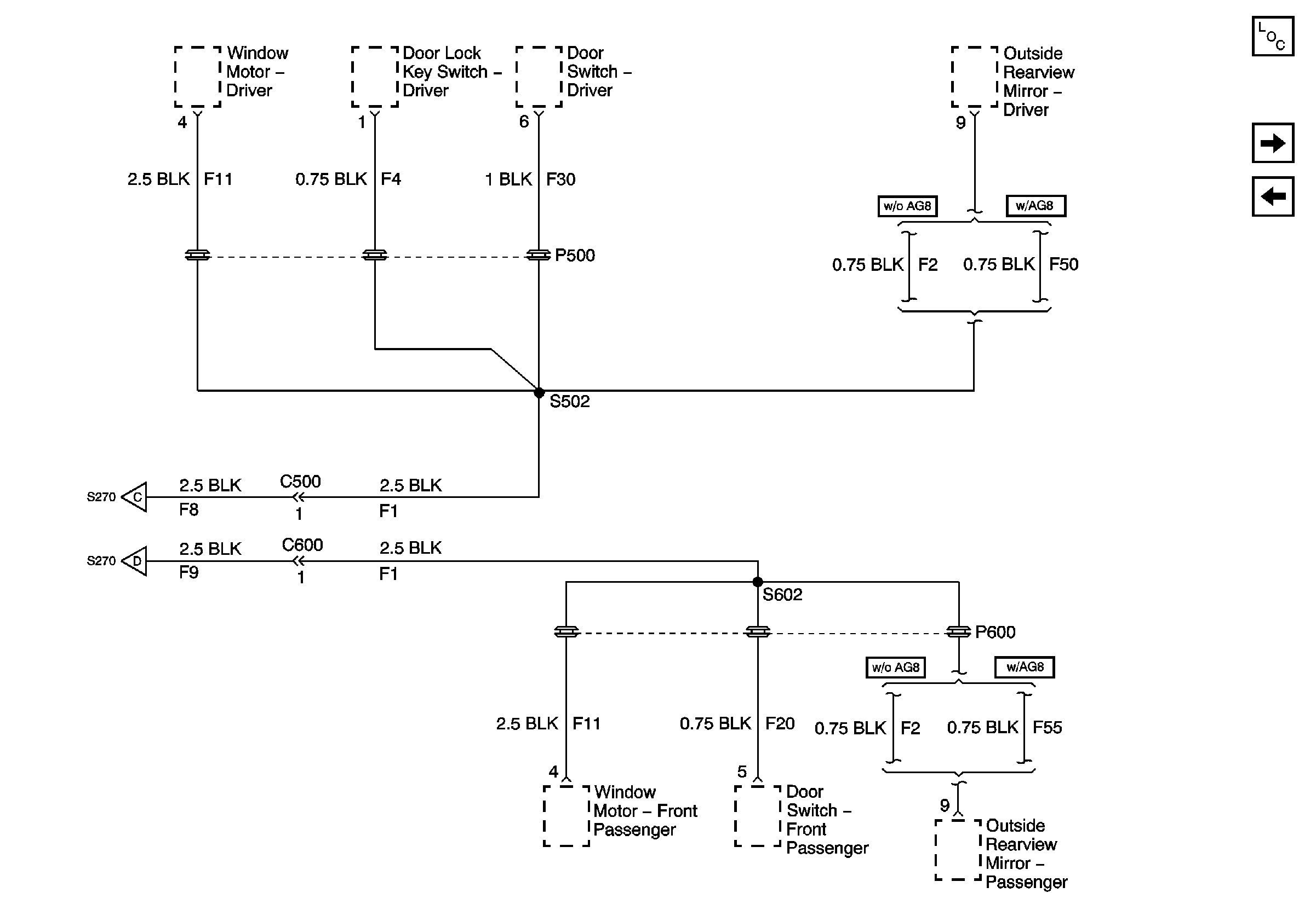
G200 (2 of 2)
G200, S502, S602
Master Electrical Component List
G201
G200 (1 of 2) and G203
G200 (1 of 2) and G203
G200 (1 of 2) and G203