GM Service Manual Online
For 1990-2009 cars only
Makes
🢒
Cadillac
🢒
2001
🢒
Catera
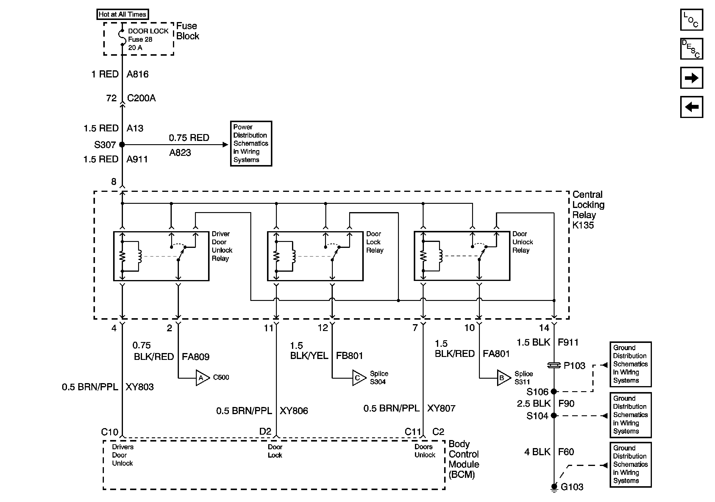
🢒 Central Locking Relay K135
Central Locking Relay K135
Central Locking Relay K135
Master Electrical Component List
Power Door Locks Description and Operation
Door Lock Actuators
Switches
Underhood Fuse Block Fuse V6 and Fuse Block Fuses 17, 28, 29, 33, and34
Underhood Fuse Block Fuse V6 and Fuse Block Fuses 17, 28, 29, 33, and34
Door Lock Actuators
Door Lock Actuators
Door Lock Actuators
G103 (5 of 8)
G103 (3 of 8)
G103 (1 of 8)