GM Service Manual Online
For 1990-2009 cars only
Figure 1:

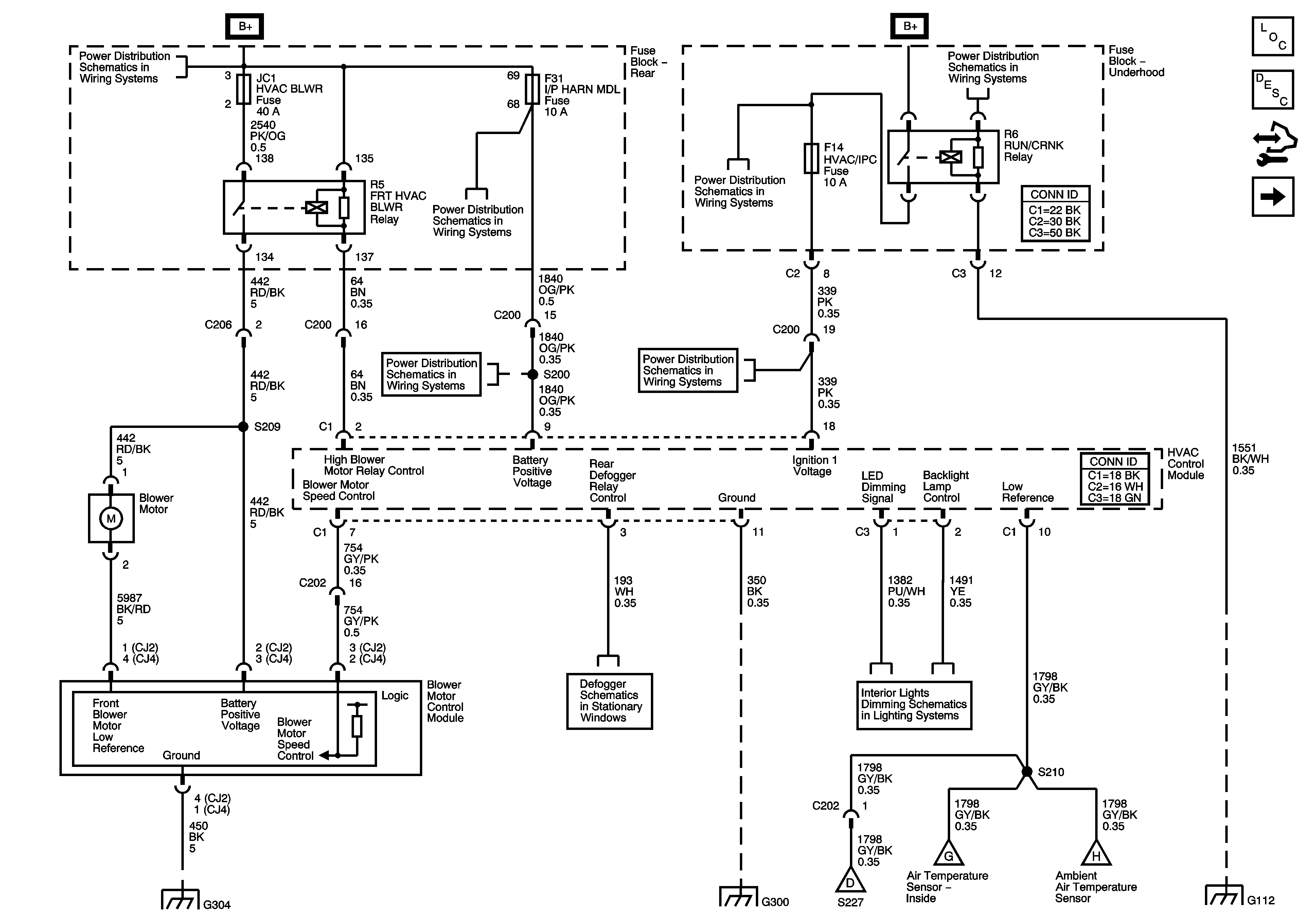
Power, Ground, Blower Motor Controls


Object Number: 1614740  Size: FS
Master Electrical Component List
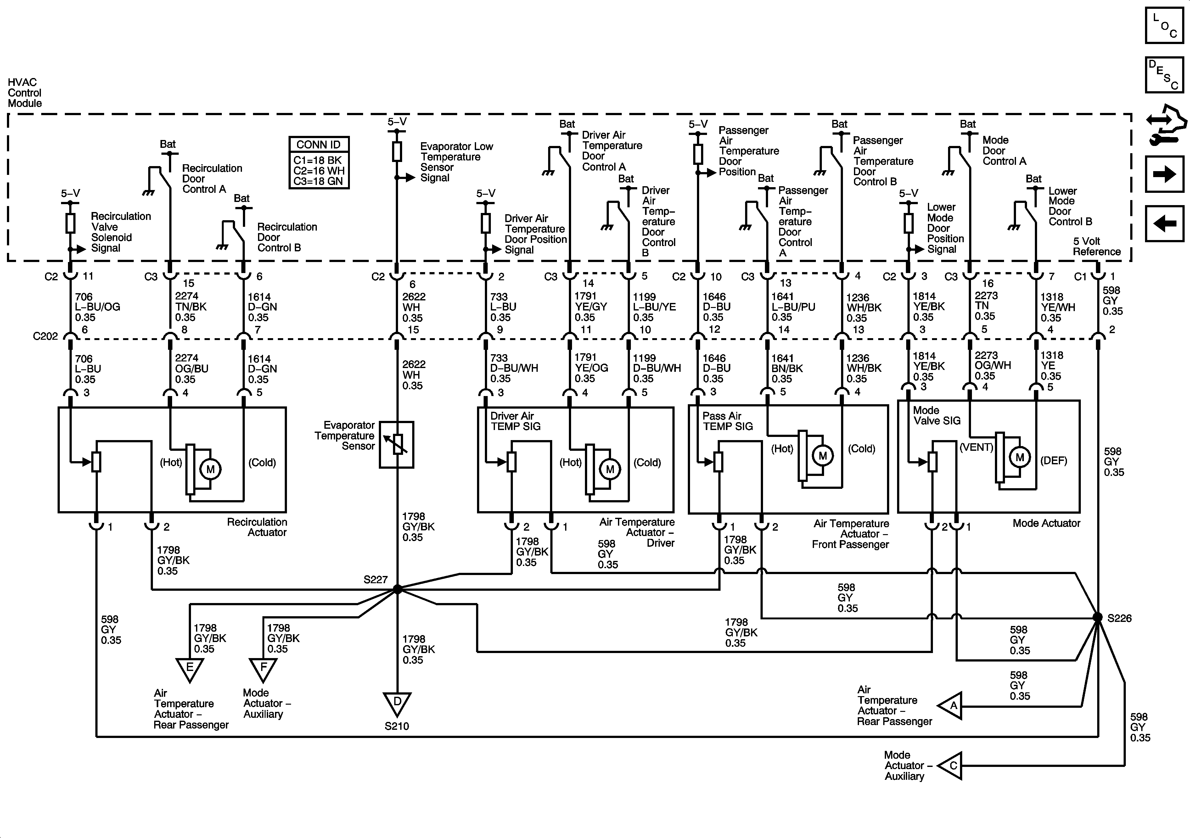
Air Delivery Description and Operation
Control Module References
Mode and Air Temperature Controls
Rear Fuse Block B+ Bus
Rear Fuse Block - PRK LAMP, RT PRK LAMP (Export), EXP LIC LAMP (Export) Relays, I/P HARN MDL, LT PRK LAMP, RT PRK LAMP Fuses
Underhood Fuse Block B+ Bus
Underhood Fuse Block B+ Bus
Rear Fuse Block - PRK LAMP, RT PRK LAMP (Export), EXP LIC LAMP (Export) Relays, I/P HARN MDL, LT PRK LAMP, RT PRK LAMP Fuses
Underhood Fuse Block - RUN/CRANK Relay, TRANS IGN 3, AIRBAG IGN 3, HVAC/IPC, ECM IGN 3 Fuses
G304
Defogger Schematics
G300
HVAC Control Module, Steering Wheel, Heated Seat KA6, Telltale Assembly Info Center
Mode and Air Temperature Controls
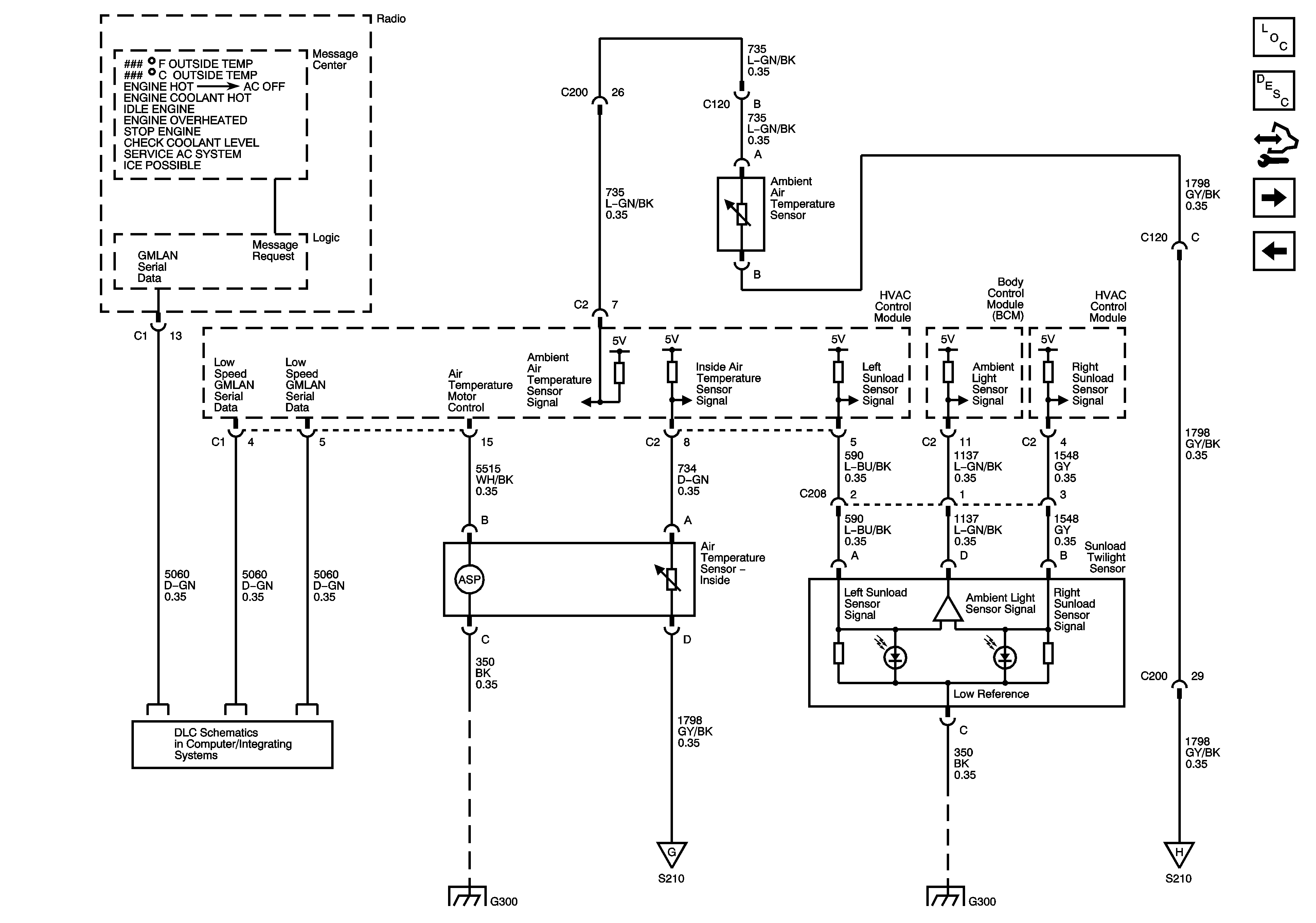
Air Temperature Sensors
Air Temperature Sensors
G100, G112
Figure 2:

Mode and Air Temperature Controls


Object Number: 1614742  Size: FS
Master Electrical Component List
Air Temperature Description and Operation
Control Module References
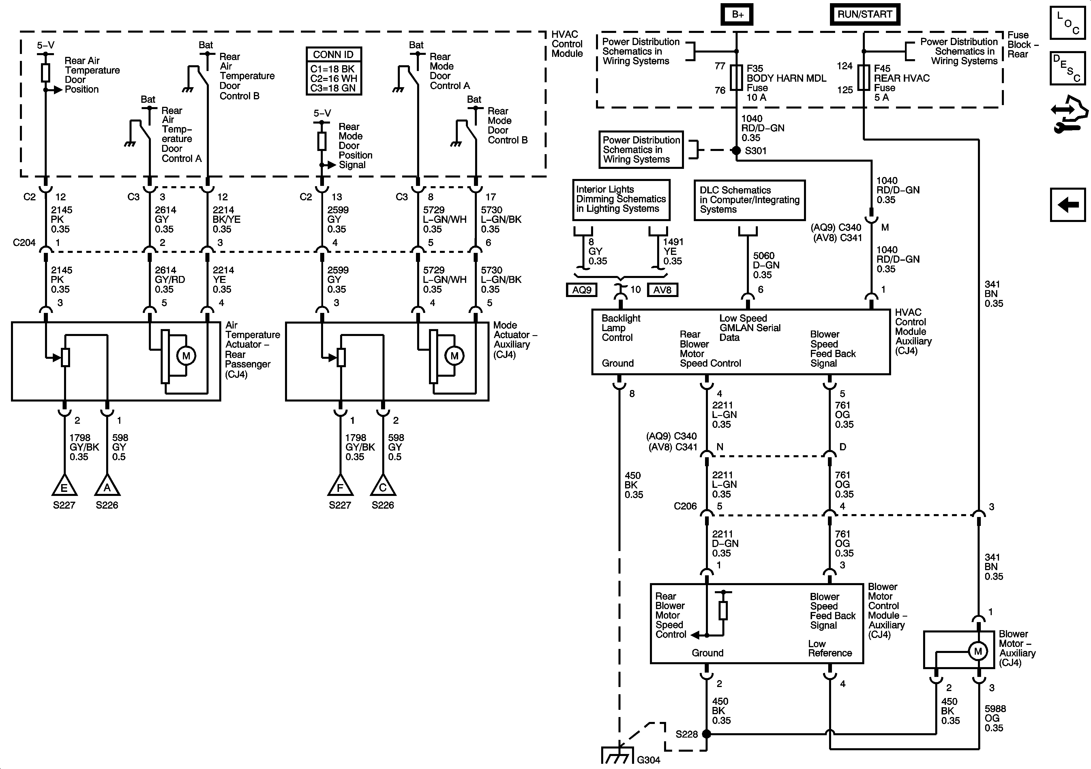
Compressor Controls
Power, Ground, Blower Motor Control
Auxiliary HVAC CJ4
Auxiliary HVAC CJ4
Power, Ground, Blower Motor Control
Auxiliary HVAC CJ4
Auxiliary HVAC CJ4
Figure 3:

Compressor Controls


Object Number: 1614743  Size: FS
Master Electrical Component List
Air Temperature Description and Operation
Control Module References
Air Temperature Sensors
Mode and Air Temperature Controls
DLC High Speed Serial Data
Underhood Fuse Block B+ Bus
Underhood Fuse Block B+ Bus
G101, G110, G111, G114, G115, G302, G303, G306, G307
Figure 4:

Air Temperature Sensors


Object Number: 1614745  Size: FS
Master Electrical Component List
Air Temperature Description and Operation
Control Module References
Auxiliary HVAC CJ4
Compressor Controls
DLC Power, Ground, and Low Speed GMLAN
G300
Power, Ground, Blower Motor Control
G300
Power, Ground, Blower Motor Control
Figure 5:

Auxiliary HVAC (CJ4)


Object Number: 1614746  Size: FS
Master Electrical Component List
Air Temperature Description and Operation
Control Module References
Air Temperature Sensors
Mode and Air Temperature Controls
Mode and Air Temperature Controls
Mode and Air Temperature Controls
Mode and Air Temperature Controls
HVAC Control Module, Steering Wheel, Heated Seat KA6, Telltale Assembly Info Center
Rear Fuse Block - AIRBAG, OBJ SNSR, ONSTAR/S-BAND, BODY HARN MDL Fuses
Rear Fuse Block B+ Bus
Rear Fuse Block B+ Bus
DLC Power, Ground, and Low Speed GMLAN
G304