GM Service Manual Online
For 1990-2009 cars only
Makes
🢒
Cadillac
🢒
2006
🢒
DTS
🢒
Vehicle Control Systems
🢒
Vehicle DTC Information
🢒 Keyless Entry Schematics
Figure
1:
Remote Control Door Lock Receiver - RCDLR
Master Electrical Component List
Keyless Entry System Description and Operation (without Accessory 2 Way Remote)
Control Module References
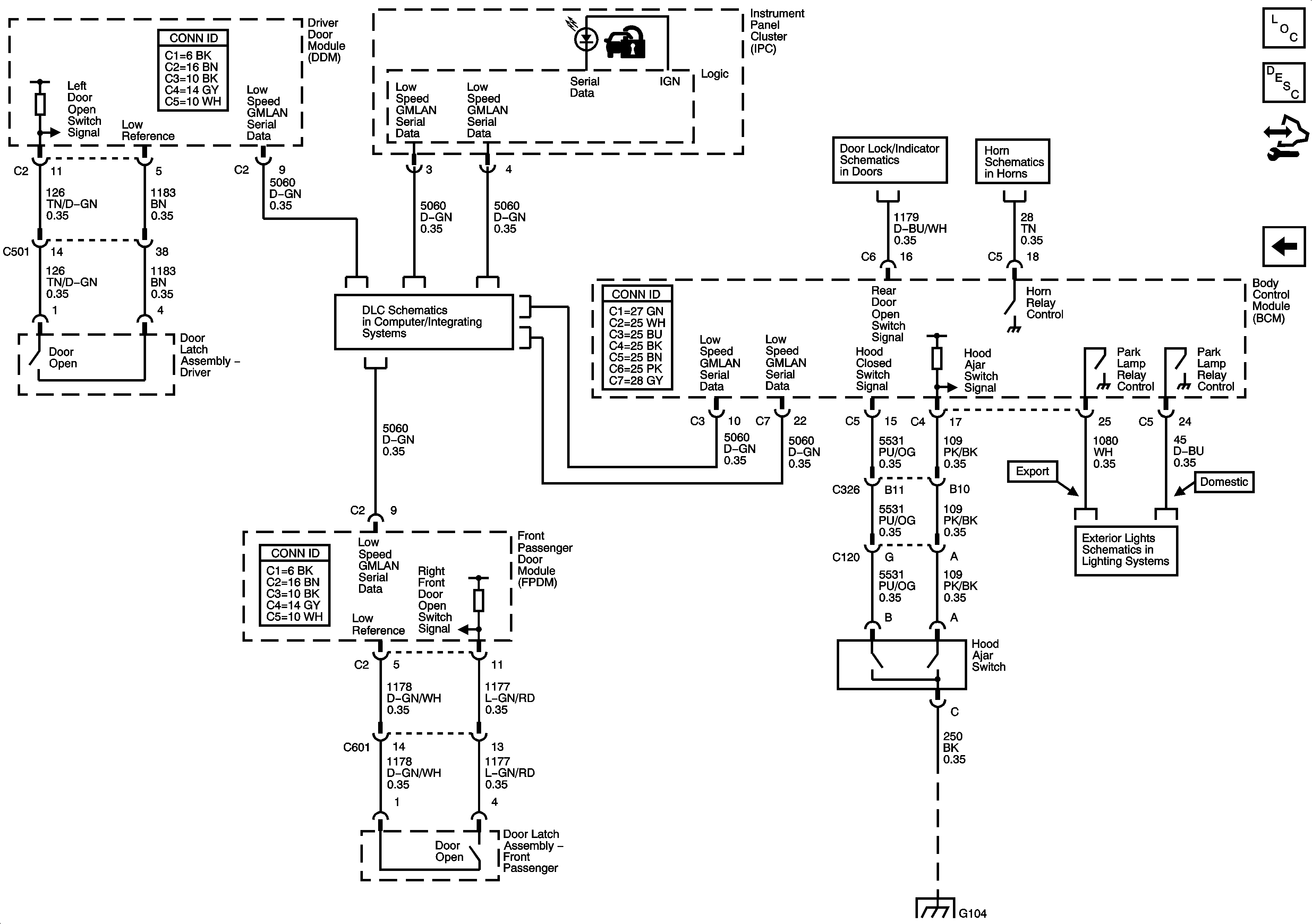
Door Latch Assemblies and Hood Ajar Switch
Rear Fuse Block B+ Bus
Rear Fuse Block - AIRBAG, OBJ SNSR, ONSTAR/S-BAND, BODY HARN MDL Fuses
DLC Power, Ground, and Low Speed GMLAN
G301
Figure
2:
Door Latch Assemblies and Hood Ajar Switch
Master Electrical Component List
Keyless Entry System Description and Operation (without Accessory 2 Way Remote)
Control Module References
Remote Control Door Lock Receiver RCDLR
Air Temperature Sensors
Door Lock, Unlock Relays
Horns Schematics
Front Park, Marker, Position Lamps
G104