GM Service Manual Online
For 1990-2009 cars only
Makes
🢒
Cadillac
🢒
2006
🢒
DTS
🢒 Front Park, Marker, Position Lamps
Front Park, Marker, Position Lamps
Front Park, Marker, Position Lamps
Master Electrical Component List
Exterior Lighting Systems Description and Operation
Control Module References
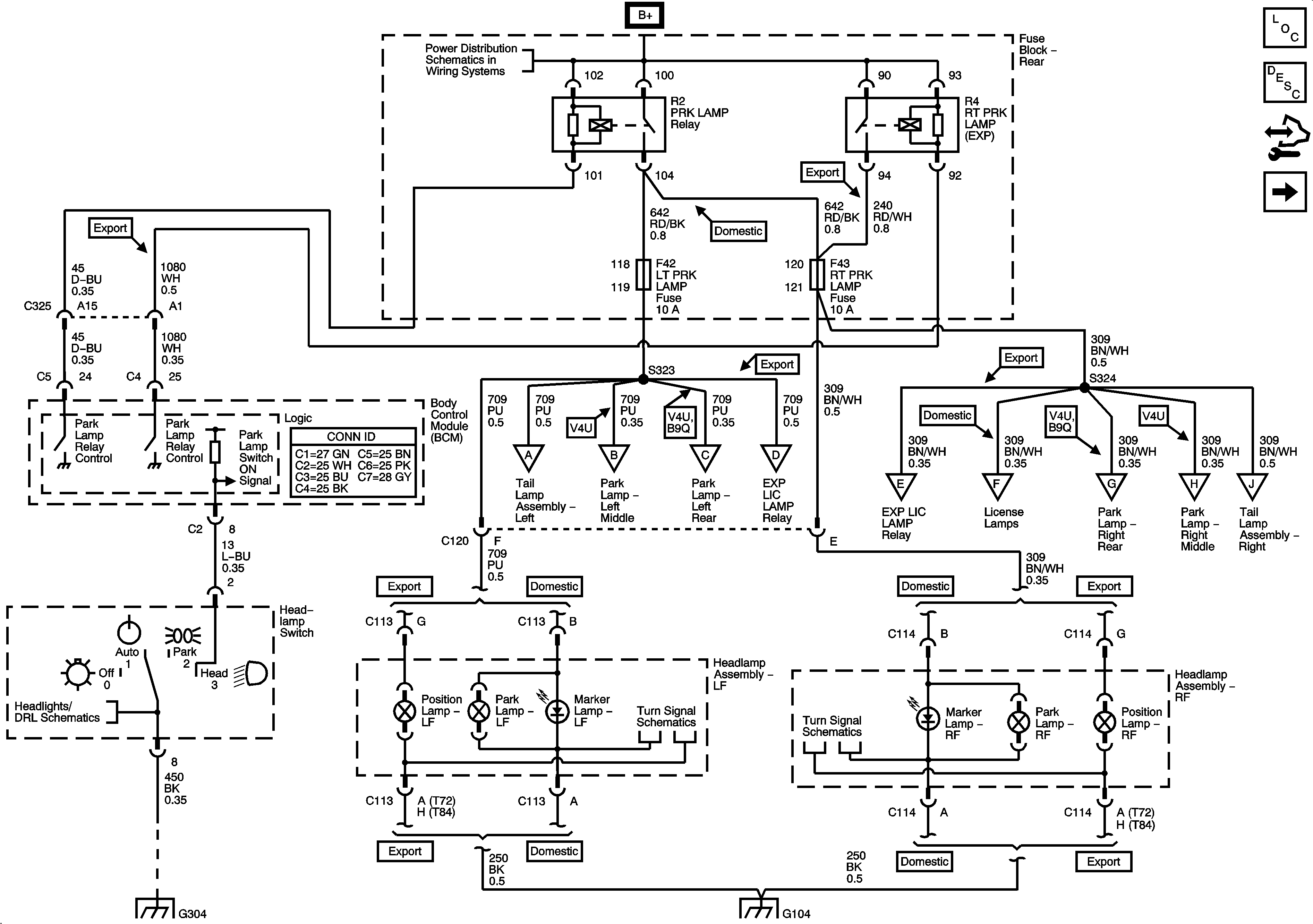
Rear Park and Tail Lamps
Rear Fuse Block - PRK LAMP, RT PRK LAMP (Export), EXP LIC LAMP (Export) Relays, I/P HARN MDL, LT PRK LAMP, RT PRK LAMP Fuses
Rear Park and Tail Lamps
Rear Park and Tail Lamps
Rear Park and Tail Lamps
License Lamps
License Lamps
License Lamps
Rear Park and Tail Lamps
Rear Park and Tail Lamps
Rear Park and Tail Lamps
G304
G104