GM Service Manual Online
For 1990-2009 cars only
Makes
🢒
Cadillac
🢒
2006
🢒
DTS
🢒 License Lamps
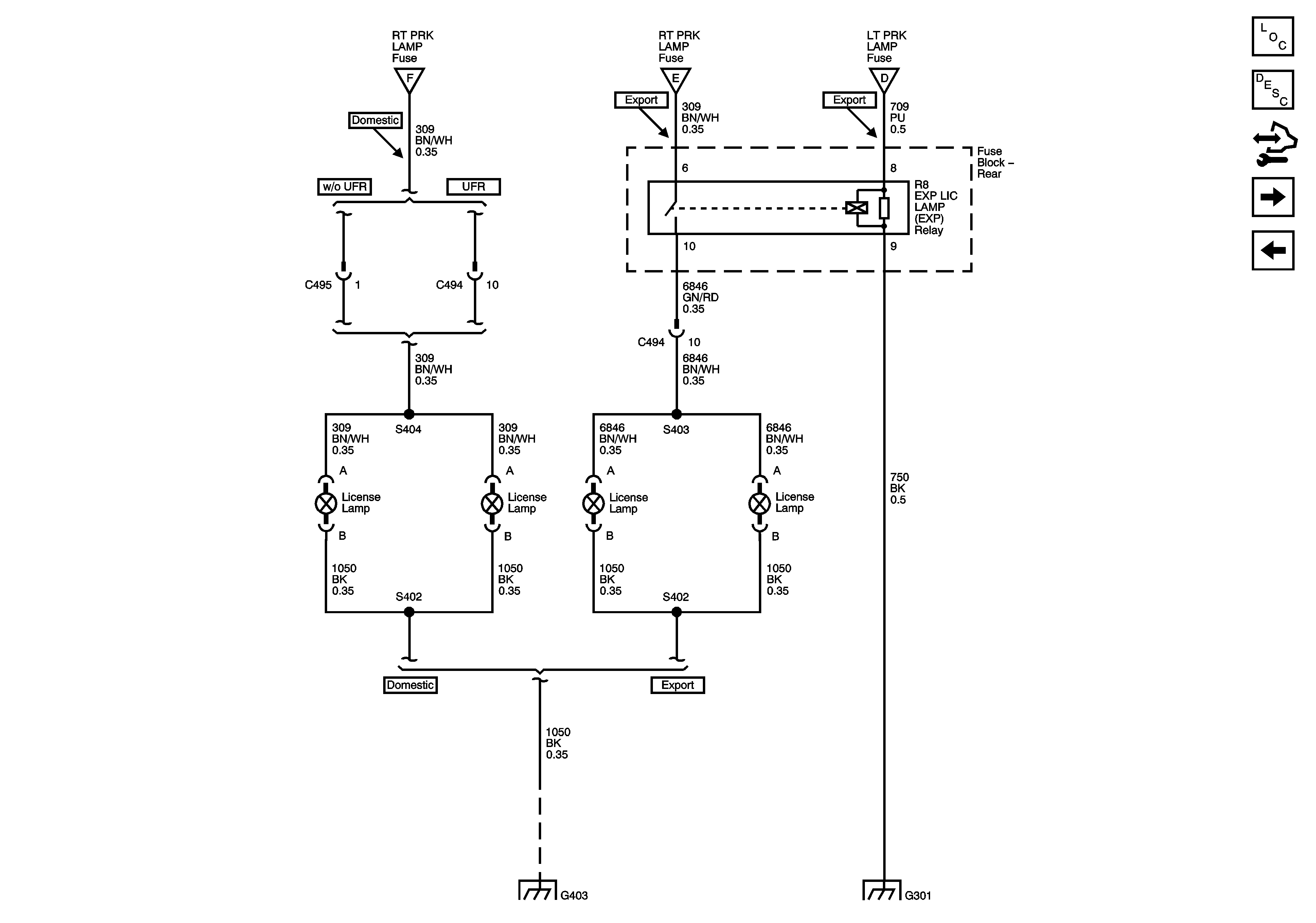
License Lamps
License Lamps
Master Electrical Component List
Exterior Lighting Systems Description and Operation
Control Module References
Front Turn Signal/Hazard Lamps
Rear Park and Tail Lamps
Front Park, Marker, Position Lamps
Front Park, Marker, Position Lamps
Front Park, Marker, Position Lamps
G403
G301