GM Service Manual Online
For 1990-2009 cars only
Makes
🢒
Cadillac
🢒
2006
🢒
DTS
🢒
Transmission/Transaxle
🢒
Automatic Transaxle - 4T80-E
🢒 Automatic Transmission Controls Schematics
Figure
1:
TCM Power Ground
Master Electrical Component List
Transmission Component and System Description
Control Module References
Solenoids and VSS
Automatic Transmission Schematic Icons
Rear Fuse Block B+ Bus
Rear Fuse Block B+ Bus
IGN SW Fuse and Ignition Switch 1 of 2
Rear Fuse Block - RUN Relay, REAR HVAC, HTD STR, HTD/COOL/IGN3, BCM LOGIC Fuses
Rear Fuse Block - RUN Relay, REAR HVAC, HTD STR, HTD/COOL/IGN3, BCM LOGIC Fuses
Solenoids and VSS
Solenoids and VSS
Stop/Rear Turn Signal Lamps
Power, Ground, MIL and DLC
G100, G112
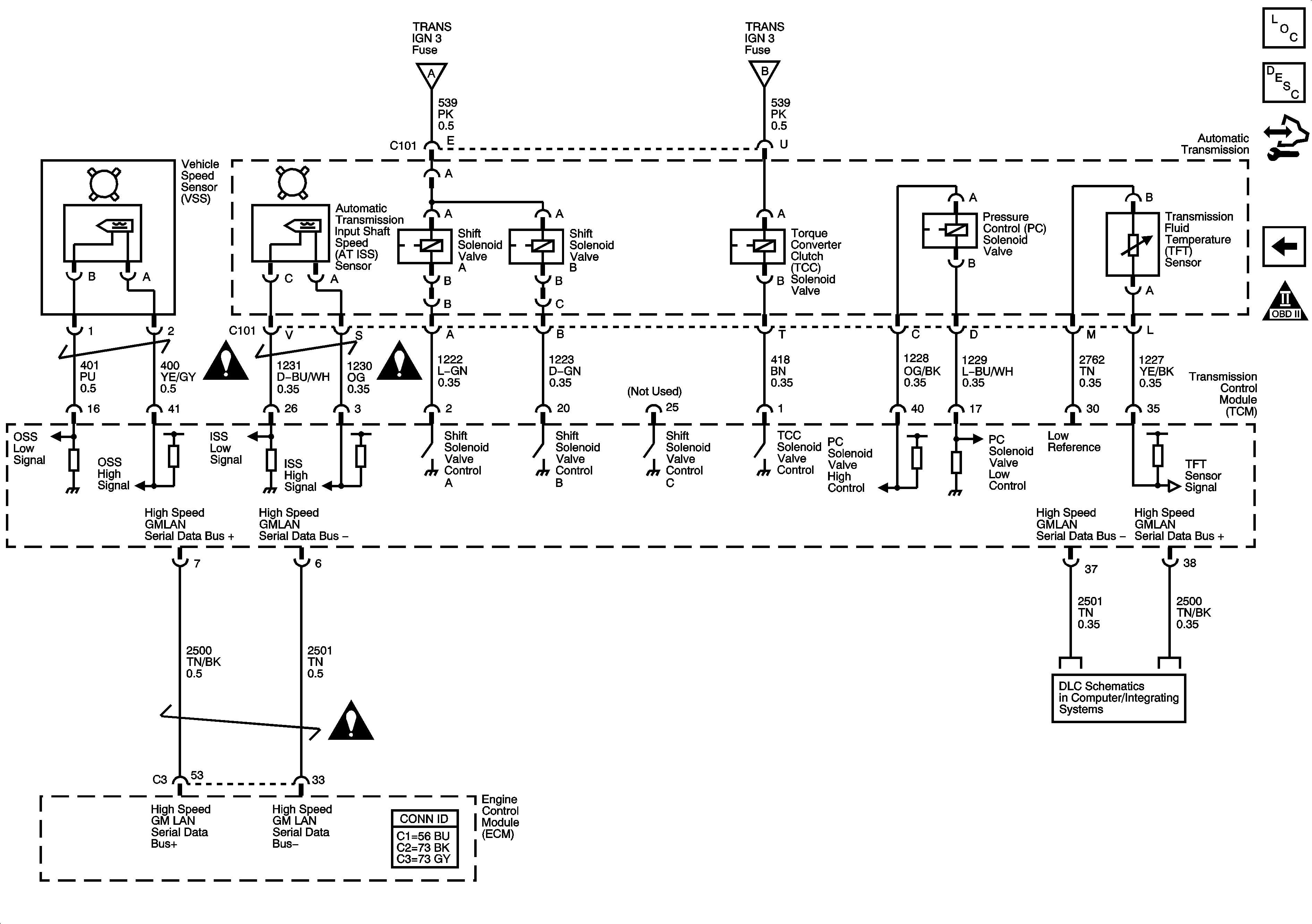
Figure
2:
Transmission Solenoids and VSS
Master Electrical Component List
Electronic Component Description
Control Module References
TCM Power Ground
Automatic Transmission Schematic Icons
TCM Power Ground
TCM Power Ground
DLC High Speed Serial Data
Automatic Transmission Schematic Icons
Automatic Transmission Schematic Icons
Automatic Transmission Schematic Icons