GM Service Manual Online
For 1990-2009 cars only
Makes
🢒
Cadillac
🢒
2006
🢒
DTS
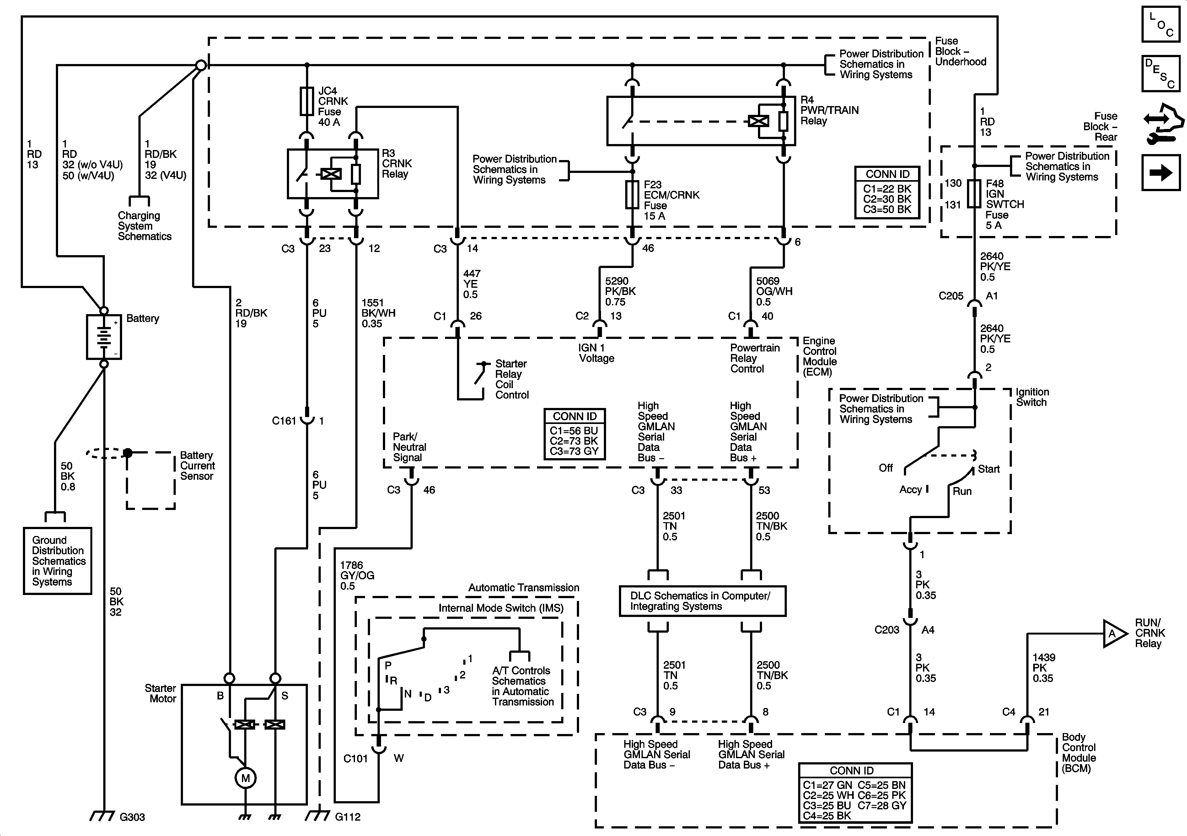
🢒 Starting Schematic 1 of 2
Starting Schematic 1 of 2
Starting 1 of 2
Master Electrical Component List
Data Link Communications Description and Operation
Control Module References
Starting Schematics 2 of 2
Charging Schematic
Underhood Fuse Block - PWR/TRAIN, AIR PUMP, AIR/SOL Relays, AIR PUMP, AIR/SOL, ECM/CRNK, INJ/COIL, PWR TRN Fuses
Underhood Fuse Block B+ Bus
Rear Fuse Block B+ Bus
G101, G110, G111, G114, G115, G302, G303, G306, G307
TCM Power Ground
DLC High Speed Serial Data
Starting Schematics 2 of 2
Rear Fuse Block IGN SWTCH, STR/WHL ILLUM Fuses